GM Service Manual Online
For 1990-2009 cars only
Makes
🢒
Cadillac
🢒
2000
🢒
Seville
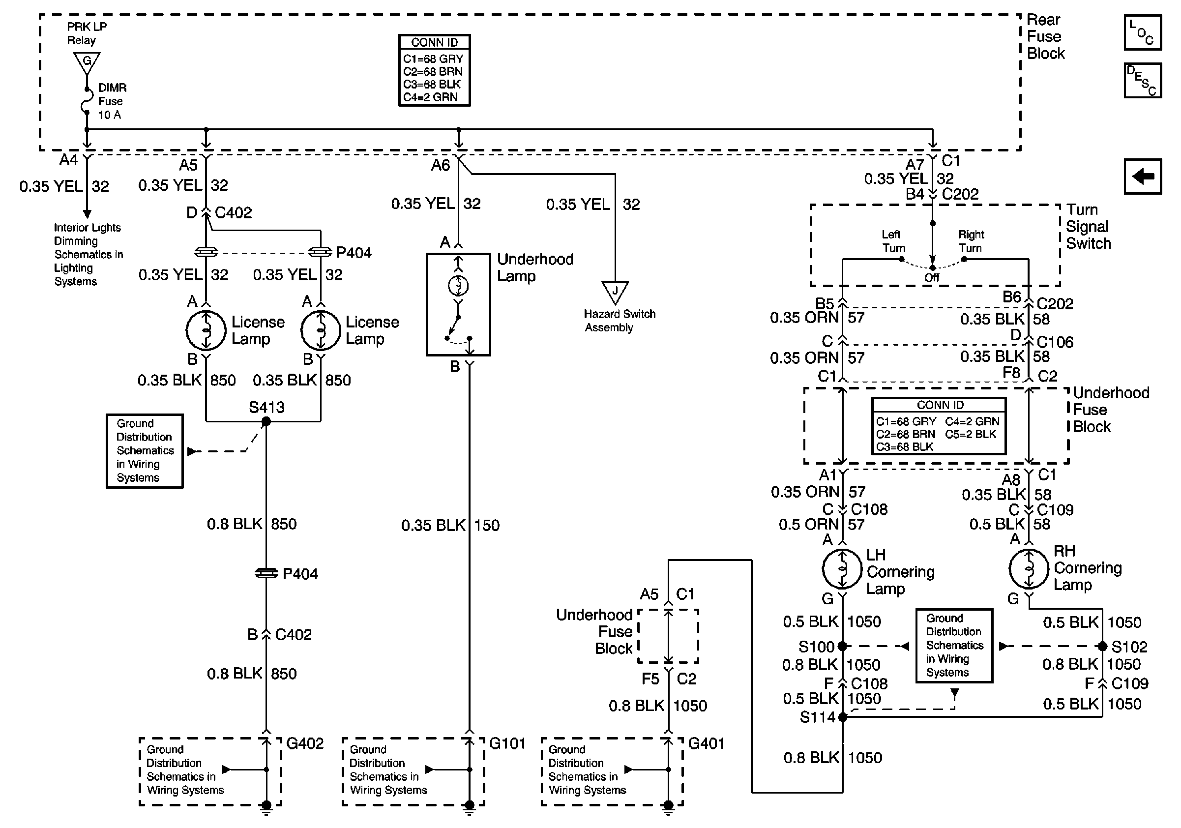
🢒 License, Underhood, and Cornering Lamps
License, Underhood, and Cornering Lamps
License, Underhood, and Cornering Lamps
Lighting Systems Components
Exterior Lights Circuit Description
LH Exterior Lamps
Headlamp Switch, PRK LP Relay
Hazard Switch Assembly
Dimming Control, IP Dimmer Switch
G402 2 of 2
G402 2 of 2
G101 and G105
G401 3 of 3
G401 3 of 3