GM Service Manual Online
For 1990-2009 cars only
Makes
🢒
Cadillac
🢒
2000
🢒
Seville
🢒 Power and Ground (w/o UE1)
Power and Ground (w/o UE1)
Power and Ground (w/o UE1)
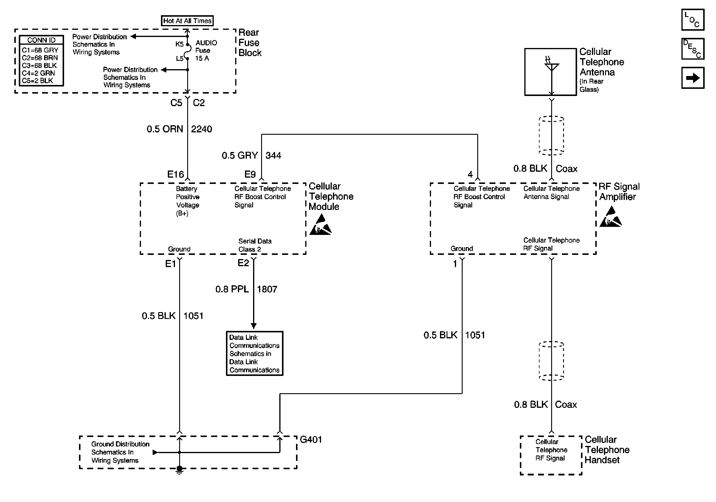
Cellular Communication Components
Cellular Telephone Circuit Description
Handset and Microphone (w/o UE1)
Audio, Audio Amp and DIM Fuses
Handling ESD Sensitive Parts Notice
Handling ESD Sensitive Parts Notice
G401 1 of 3