GM Service Manual Online
For 1990-2009 cars only
Makes
🢒
Cadillac
🢒
2000
🢒
Seville
🢒 Fuel Pump and Engine Oil Pressure Switch
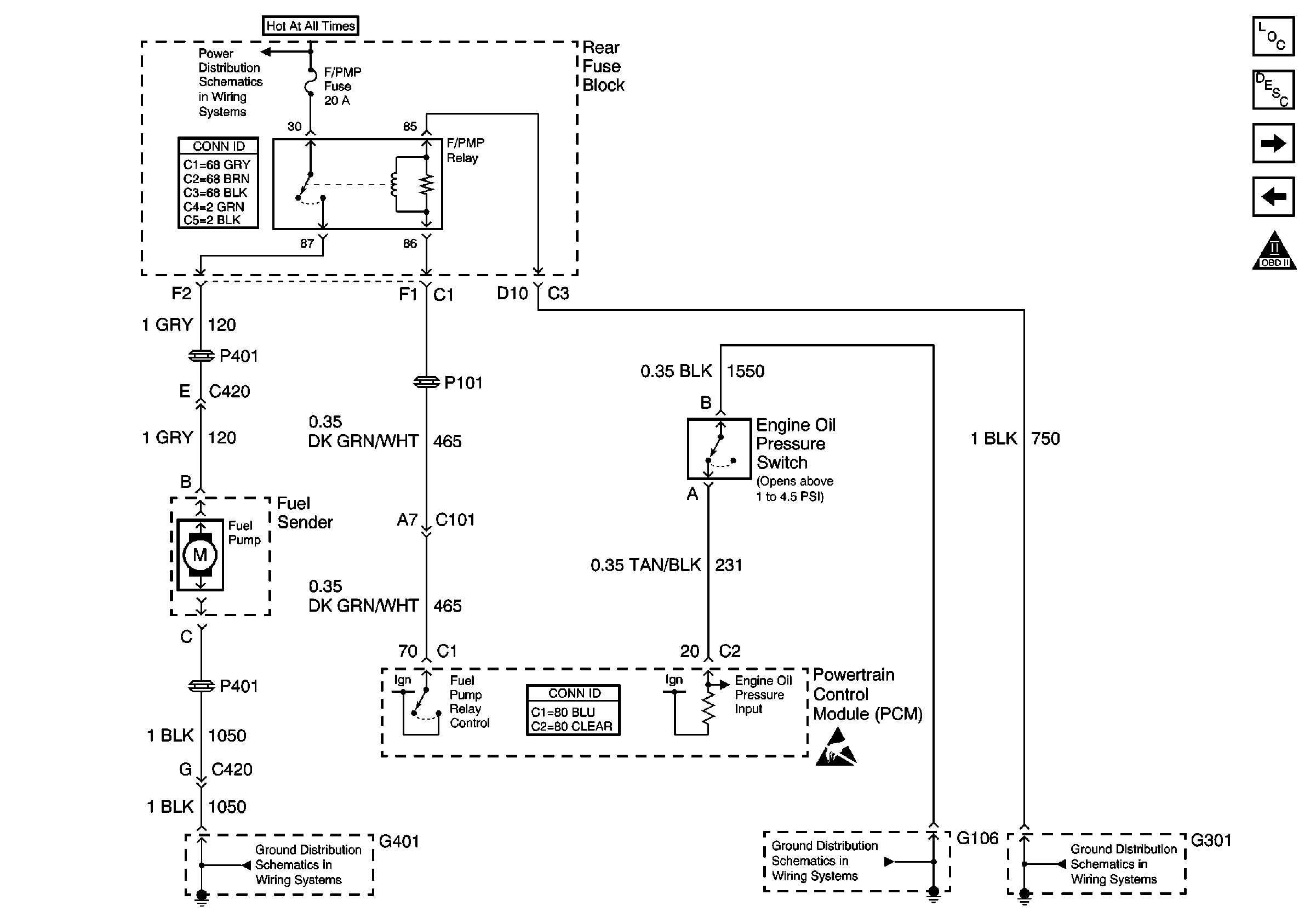
Fuel Pump and Engine Oil Pressure Switch
Fuel Pump and Engine Oil Pressure Switch
Engine Controls Components
OBD II Symbol Description Notice
Fuel Injectors
MIL Control and DLC
Handling ESD Sensitive Parts Notice
NSBU, F/PMP, CVRTD and BODY Fuses
G401 1 of 3
G106 and G108
G301
Fuel System Description