GM Service Manual Online
For 1990-2009 cars only
Makes
🢒
Cadillac
🢒
2000
🢒
Seville
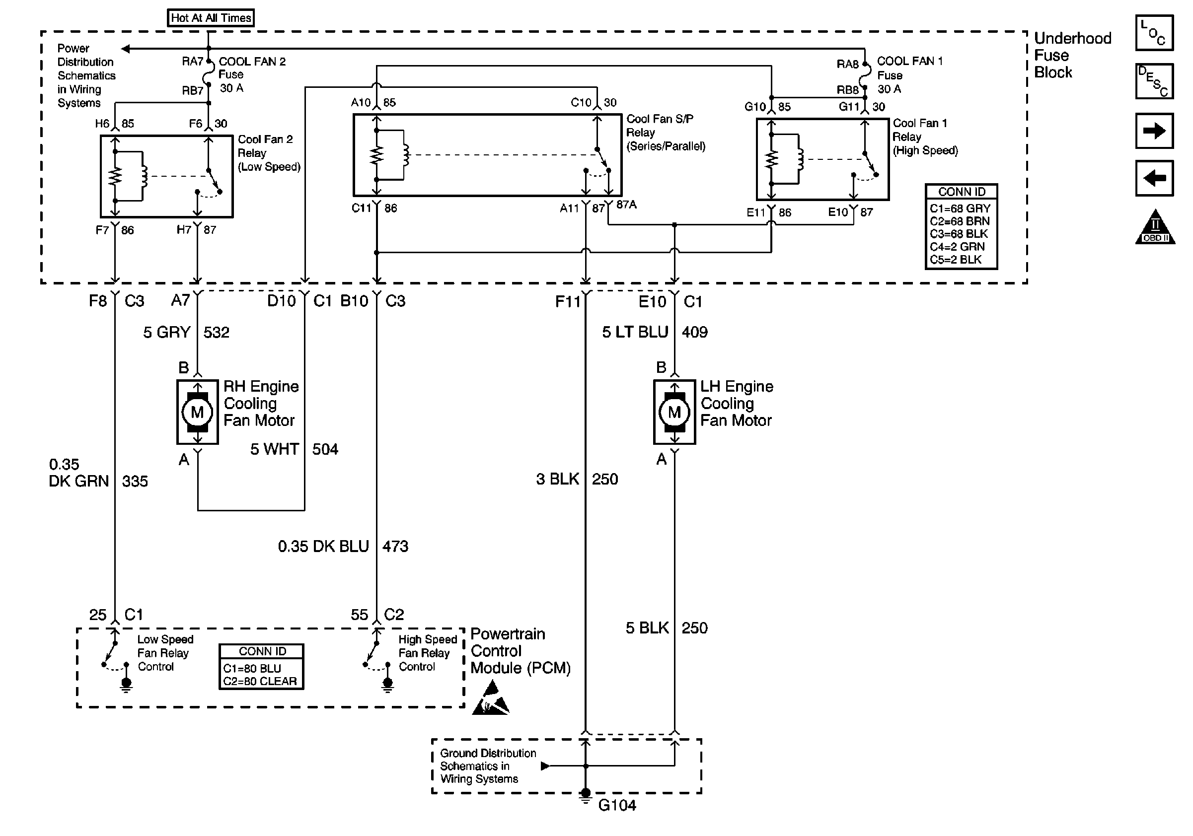
🢒 Cooling Fans
Cooling Fans
Cooling Fans
Engine Controls Components
Ignition Control Module- Front Bank
Park/Neutral Position Switch and VSS
OBD II Symbol Description Notice
Handling ESD Sensitive Parts Notice
Cool Fan 1, Cool Fan 2, and Horn Fuses
G104
Electric Cooling Fan