GM Service Manual Online
For 1990-2009 cars only
Makes
🢒
Cadillac
🢒
2000
🢒
Seville
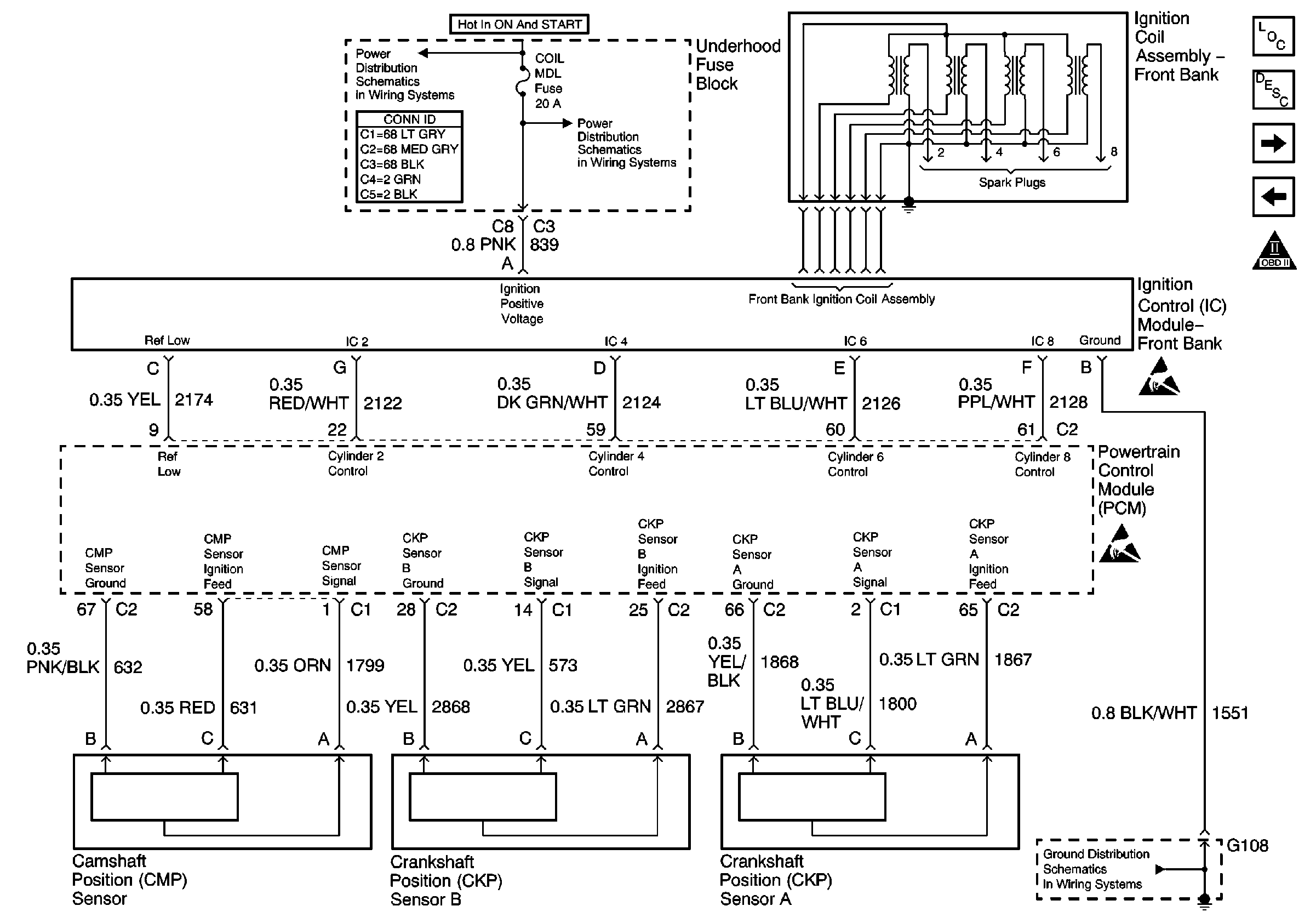
🢒 Ignition Control Module- Front Bank
Ignition Control Module- Front Bank
Ignition Control Module- Front Bank
Engine Controls Components
OBD II Symbol Description Notice
Ignition Control Module- Rear Bank
Cooling Fans
Handling ESD Sensitive Parts Notice
Handling ESD Sensitive Parts Notice
OXYSENA, OXYSENB, DIS and CRCONT Fuses
OXYSENA, OXYSENB, DIS and CRCONT Fuses
G106 and G108
Electronic Ignition (EI) System