GM Service Manual Online
For 1990-2009 cars only
Makes
🢒
Cadillac
🢒
2000
🢒
Seville
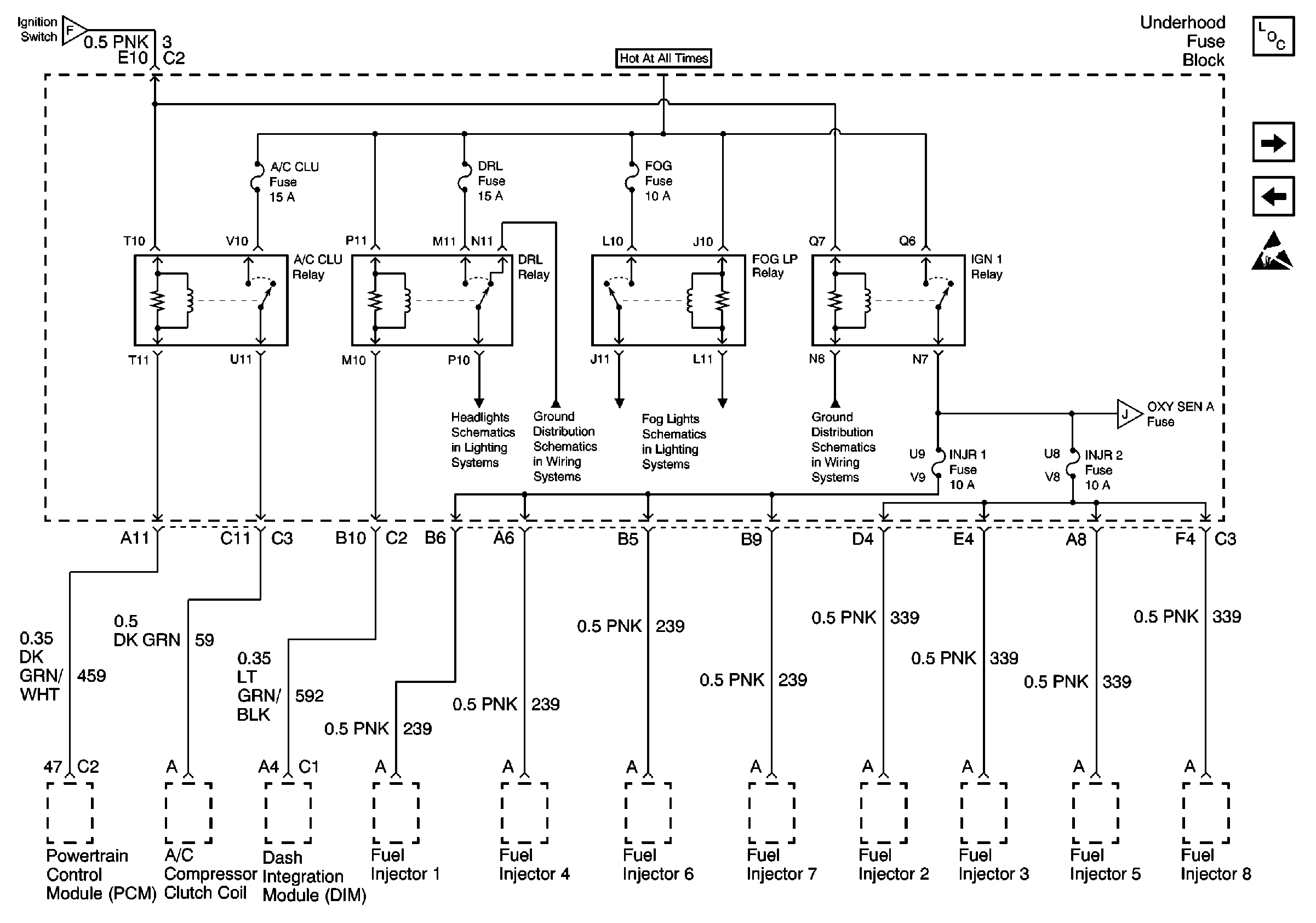
🢒 A/C CLU, FOG/DRL, INJR 1 and INJR 2 Fuses
A/C CLU, FOG/DRL, INJR 1 and INJR 2 Fuses
A/C CLU, FOG/DRL, INJR 1 and INJR 2 Fuses
Power and Grounding Components
Aux Pwr, C/LTR, Stop LP, Cigar and BLO Fuses
RR Blo, RR Defog, PRK BRK, ELC Fuses
Handling ESD Sensitive Parts Notice
Ignition Switch
OXYSENA, OXYSENB, DIS and CRCONT Fuses
DRL, High Beam Headlamps, Headlamp Dimmer Switch
G104
Fog Lights Schematics
G104