GM Service Manual Online
For 1990-2009 cars only
Makes
🢒
Cadillac
🢒
2000
🢒
Seville
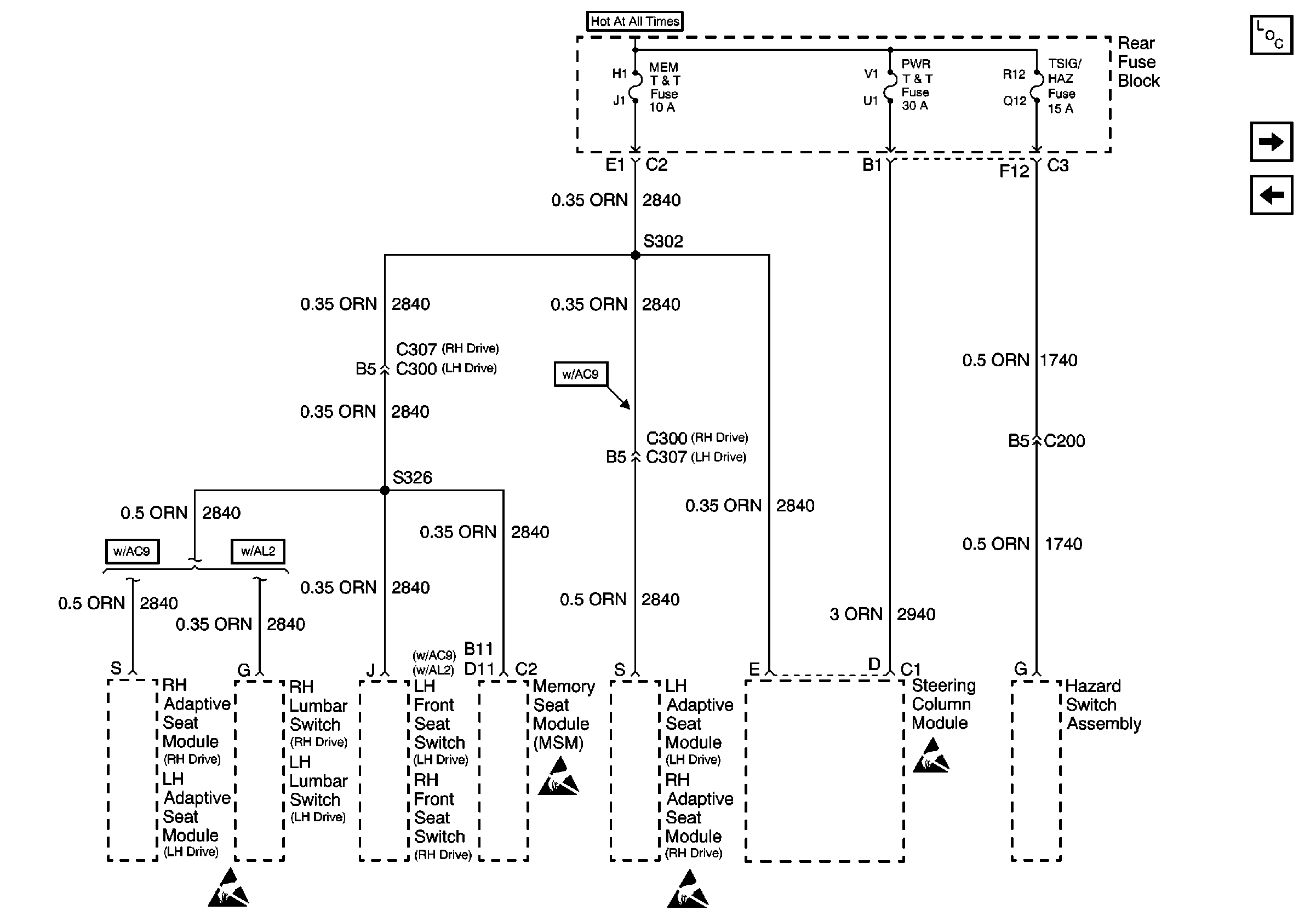
🢒 MEM T/T, PWR T/T and TSIG/HAZ Fuse
MEM T/T, PWR T/T and TSIG/HAZ Fuse
MEM T/T, PWR T/T and TSIG//HAZ Fuse
Power and Grounding Components
RAP and Export LGT Fuses
Aux Pwr, C/LTR, Stop LP, Cigar and BLO Fuses
Handling ESD Sensitive Parts Notice
Handling ESD Sensitive Parts Notice
Handling ESD Sensitive Parts Notice
Handling ESD Sensitive Parts Notice