GM Service Manual Online
For 1990-2009 cars only
Makes
🢒
Cadillac
🢒
2000
🢒
Seville
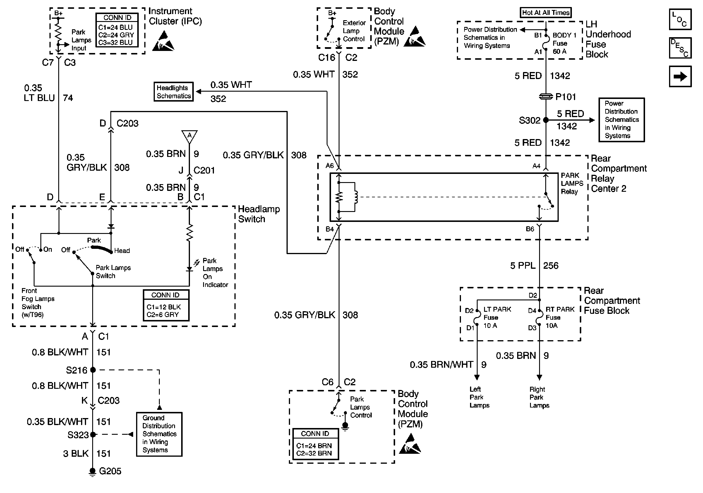
🢒 Headlamp Switch and Park Lamp Control
Headlamp Switch and Park Lamp Control
Headlamp Switch and Park Lamp Control
Lighting Systems Components
Exterior Lights Circuit Description
LH Park Lamps
Headlamp Switch and Headlamp Control
RH Park Lamps
G205
Battery Feeds
BODY 1 Fuse
LH Park Lamps
RH Park Lamps
Handling ESD Sensitive Parts Notice
Handling ESD Sensitive Parts Notice
Handling ESD Sensitive Parts Notice