GM Service Manual Online
For 1990-2009 cars only
Makes
🢒
Cadillac
🢒
2000
🢒
Seville
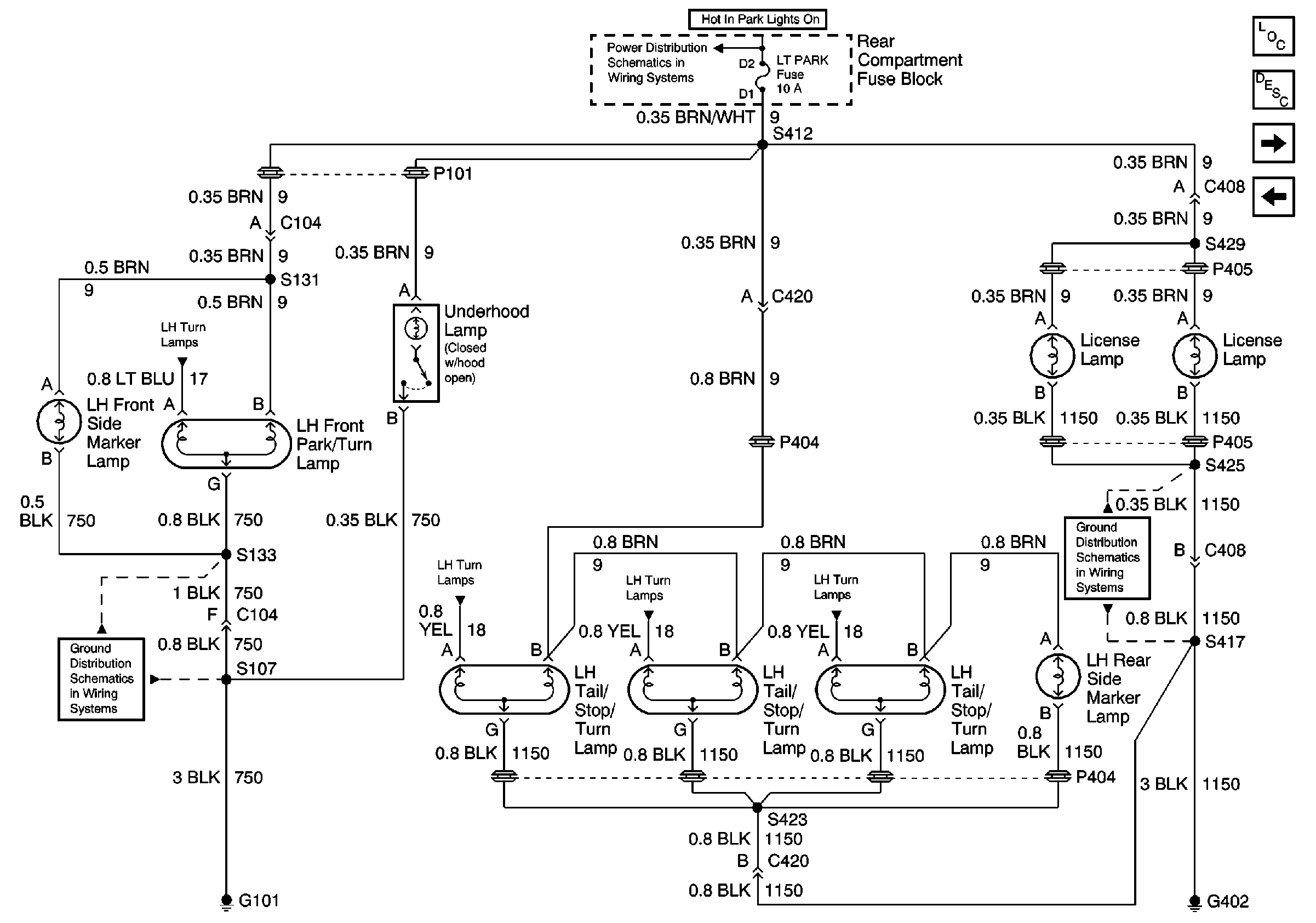
🢒 LH Park Lamps
LH Park Lamps
LH Park Lamps
Lighting Systems Components
Exterior Lights Circuit Description
RH Park Lamps
Headlamp Switch and Park Lamp Control
BODY 1 Fuse
Turn Lamps
G101
Turn Lamps
Turn Lamps
Turn Lamps
G402