GM Service Manual Online
For 1990-2009 cars only
Makes
🢒
Cadillac
🢒
2000
🢒
Seville
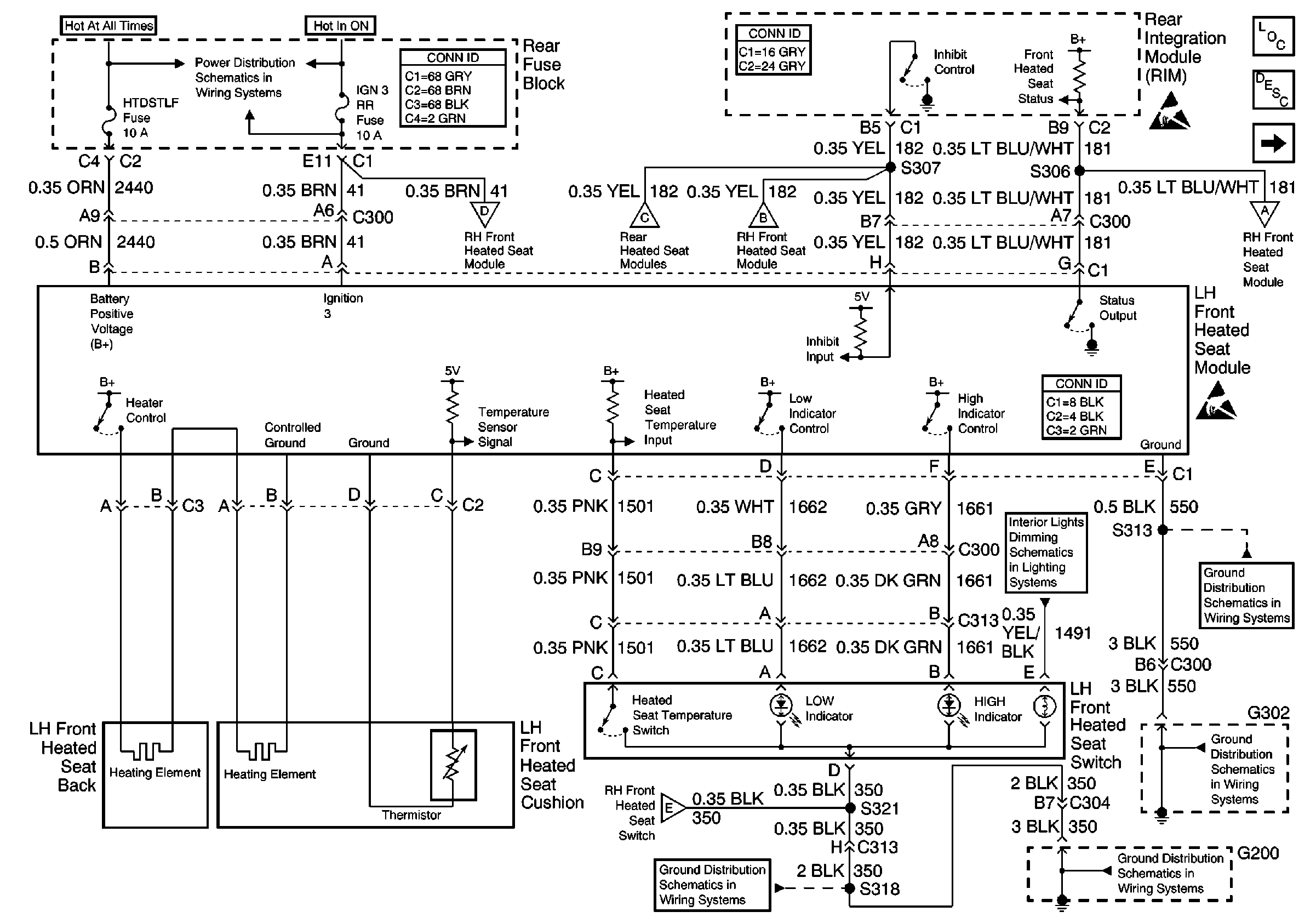
🢒 LH Front Heated Seat
LH Front Heated Seat
LH Front Heated Seat
Power Seat Systems Components
Heated Seats Circuit Description
RH Front Heated Seat
Ashtray Lamp, Steering Wheel Controls, Console Dimming
IGN 3 RR Fuses
Handling ESD Sensitive Parts Notice
Handling ESD Sensitive Parts Notice
RH Front Heated Seat
Rear Heated Seat Modules
RH Front Heated Seat
RH Front Heated Seat
G302 2 of 2
G302 2 of 2
G200 2 of 2
G200 2 of 2
RH Front Heated Seat