GM Service Manual Online
For 1990-2009 cars only
Makes
🢒
Cadillac
🢒
2000
🢒
Seville
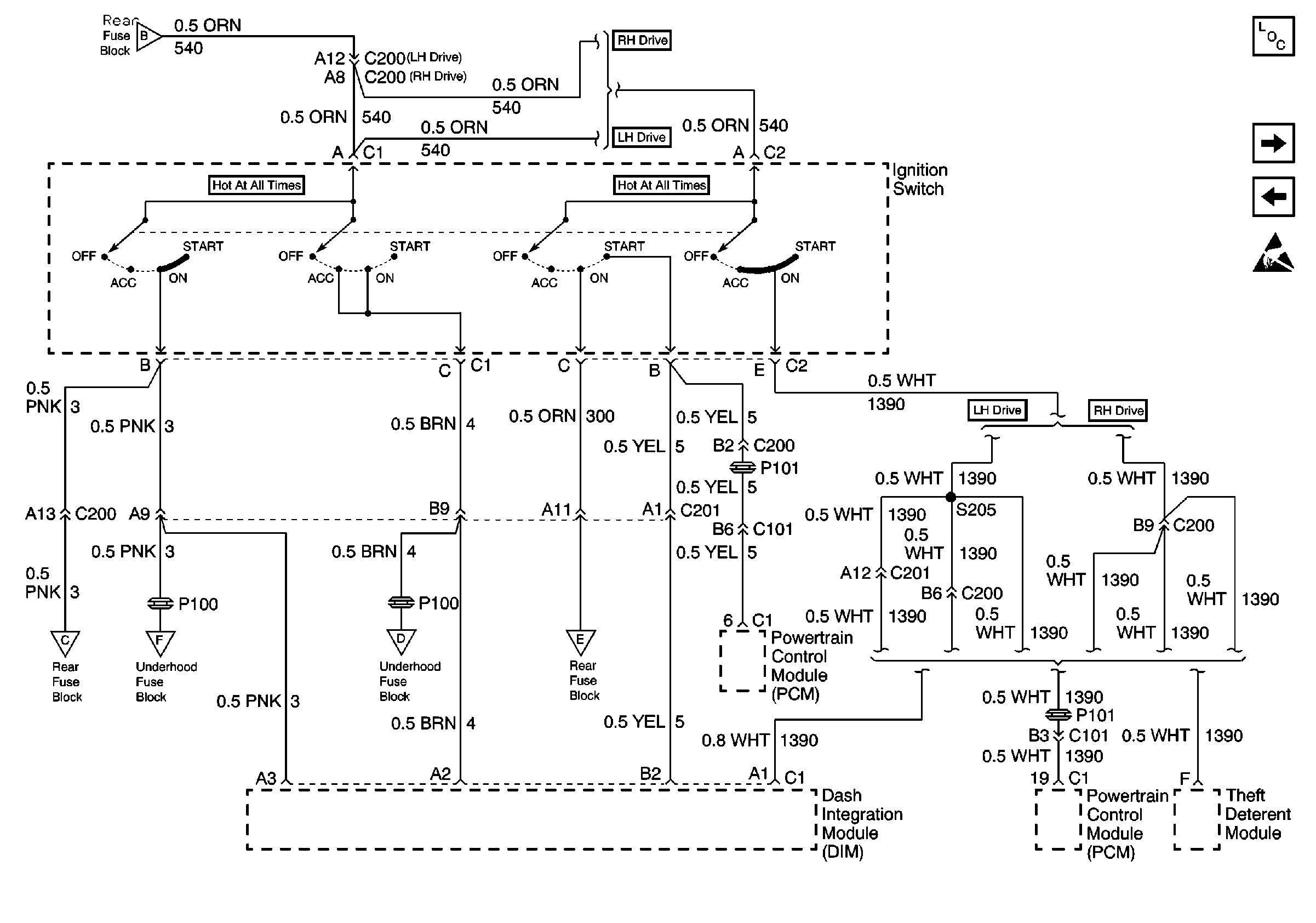
🢒 Ignition Switch
Ignition Switch
Ignition Switch
Power and Grounding Components
IGN 1 Relay and SIR, Vent SOL, IGN 1 Fuses
IGN SW, HTDST LR, HTDST RR, and HTDST RF Fuses
Handling ESD Sensitive Parts Notice
IGN SW, HTDST LR, HTDST RR, and HTDST RF Fuses
IGN 1 Relay and SIR, Vent SOL, IGN 1 Fuses
A/C CLU, FOG/DRL, INJR 1 and INJR 2 Fuses
Start Circuit Breaker and ACC, WSW Fuses
IGN 2 Relay and HVAC, ABS Fuses