GM Service Manual Online
For 1990-2009 cars only
Makes
🢒
Cadillac
🢒
2000
🢒
Seville
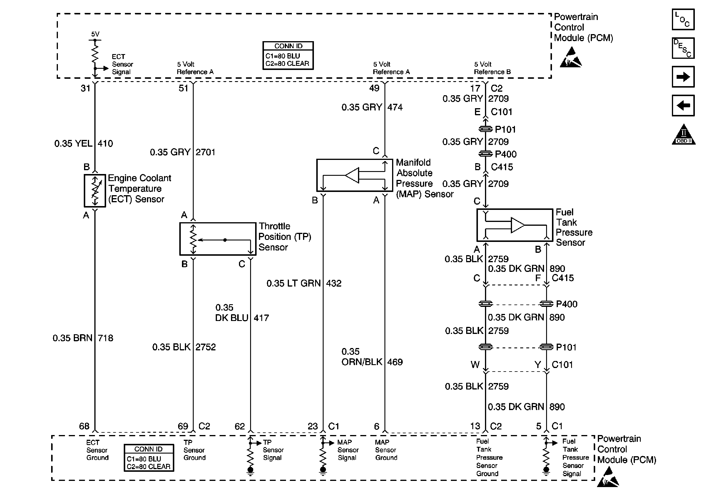
🢒 Engine and Fuel Tank Sensors
Engine and Fuel Tank Sensors
Engine and Fuel Tank Sensors
Engine Controls Components
Information Sensors/Switches Description
Heated Oxygen Sensors
Fuel Injectors
OBD II Symbol Description Notice
Handling ESD Sensitive Parts Notice
Handling ESD Sensitive Parts Notice