GM Service Manual Online
For 1990-2009 cars only
Makes
🢒
Cadillac
🢒
2000
🢒
Seville
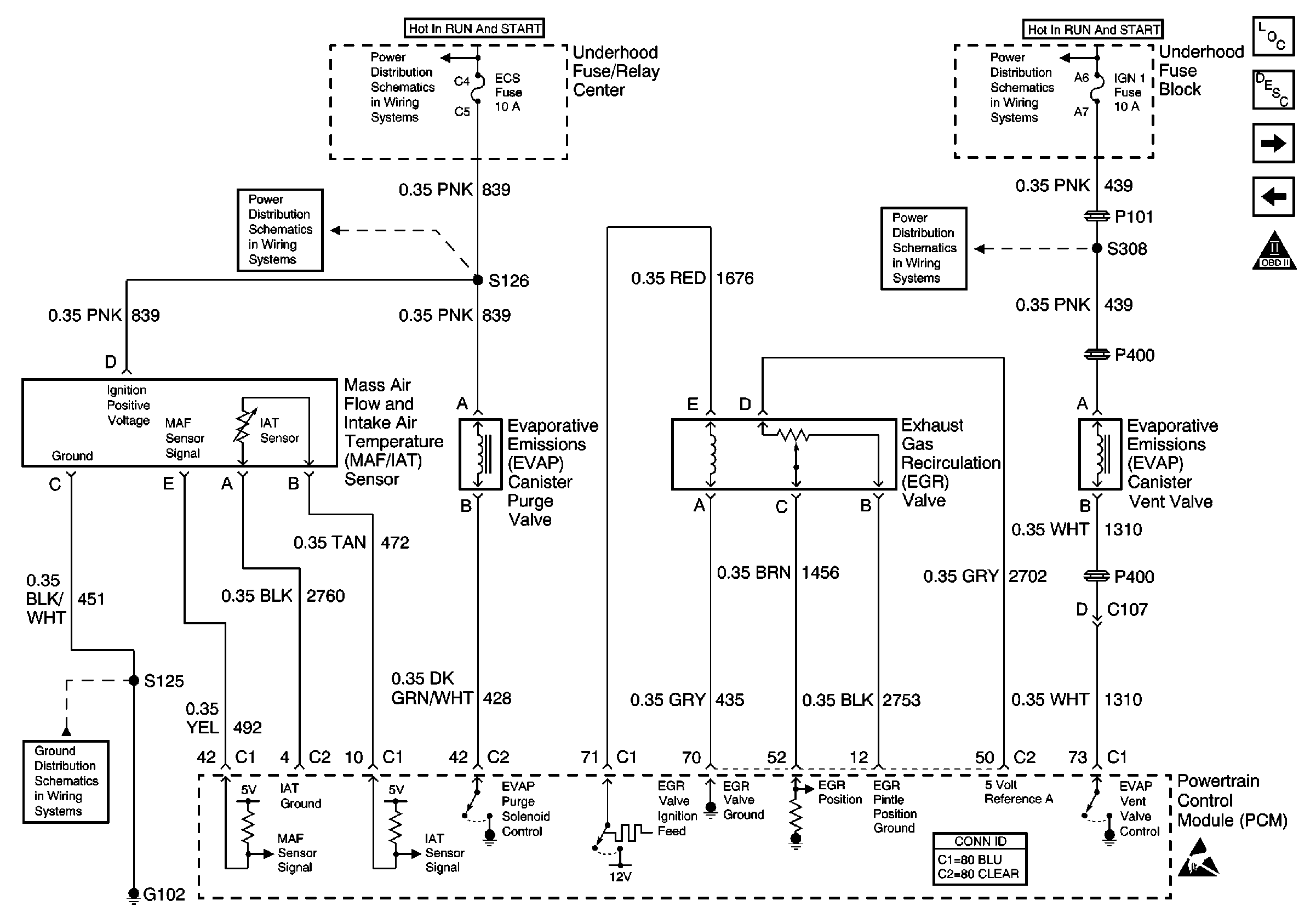
🢒 MAF Sensor, EVAP Components and EGR Valve
MAF Sensor, EVAP Components and EGR Valve
MAF Sensor, EVAP Components and EGR Valve
Engine Controls Components
Information Sensors/Switches Description
IAC Valve and PSP, Oil Level Switches
Heated Oxygen Sensors
OBD II Symbol Description Notice
OXY SEN 1, OXY SEN 2, FUEL PUMP, ECS Fuses and FUEL PUMP Relay
ABS and IGN 1 Fuses
OXY SEN 1, OXY SEN 2, FUEL PUMP, ECS Fuses and FUEL PUMP Relay
ABS and IGN 1 Fuses
G102
Handling ESD Sensitive Parts Notice