GM Service Manual Online
For 1990-2009 cars only
Makes
🢒
Cadillac
🢒
2000
🢒
Seville
🢒 MIL, TAC, VSS and ABS
MIL, TAC, VSS and ABS
MIL, TAC, VSS and ABS
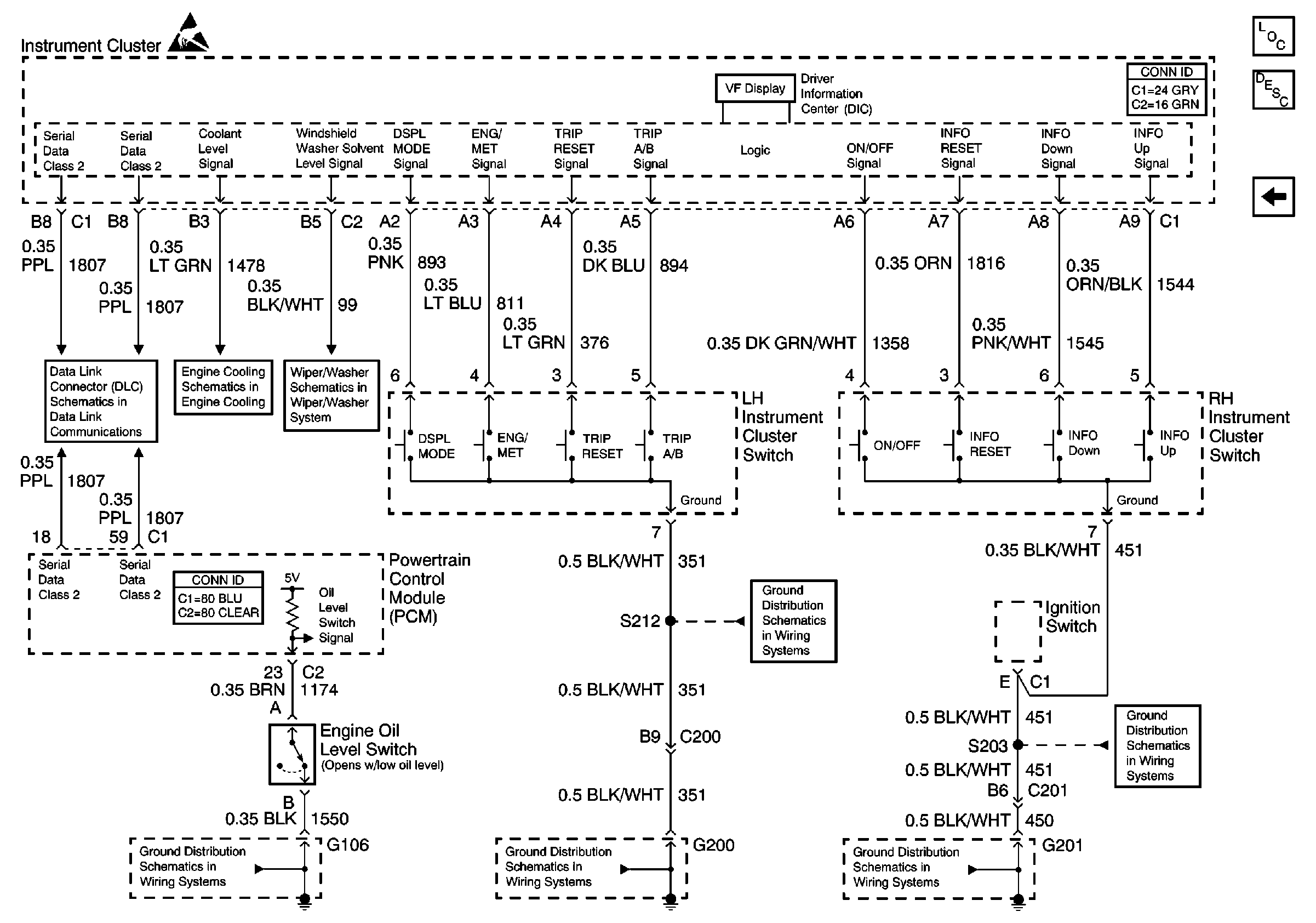
Instrument Cluster Components
Instrument Cluster Circuit Description
Door Jamb Switches
Class 2 Serial Data Line (LH Drive)
Coolant Level Switch Signal
Washer Solvent Level Switch
G106 and G108
G200 1 of 2
G200 1 of 2
G201 (Partial)
G201 (Partial)