GM Service Manual Online
For 1990-2009 cars only

Refer to one of the following Theft Deterrent System Schematics:

    • 

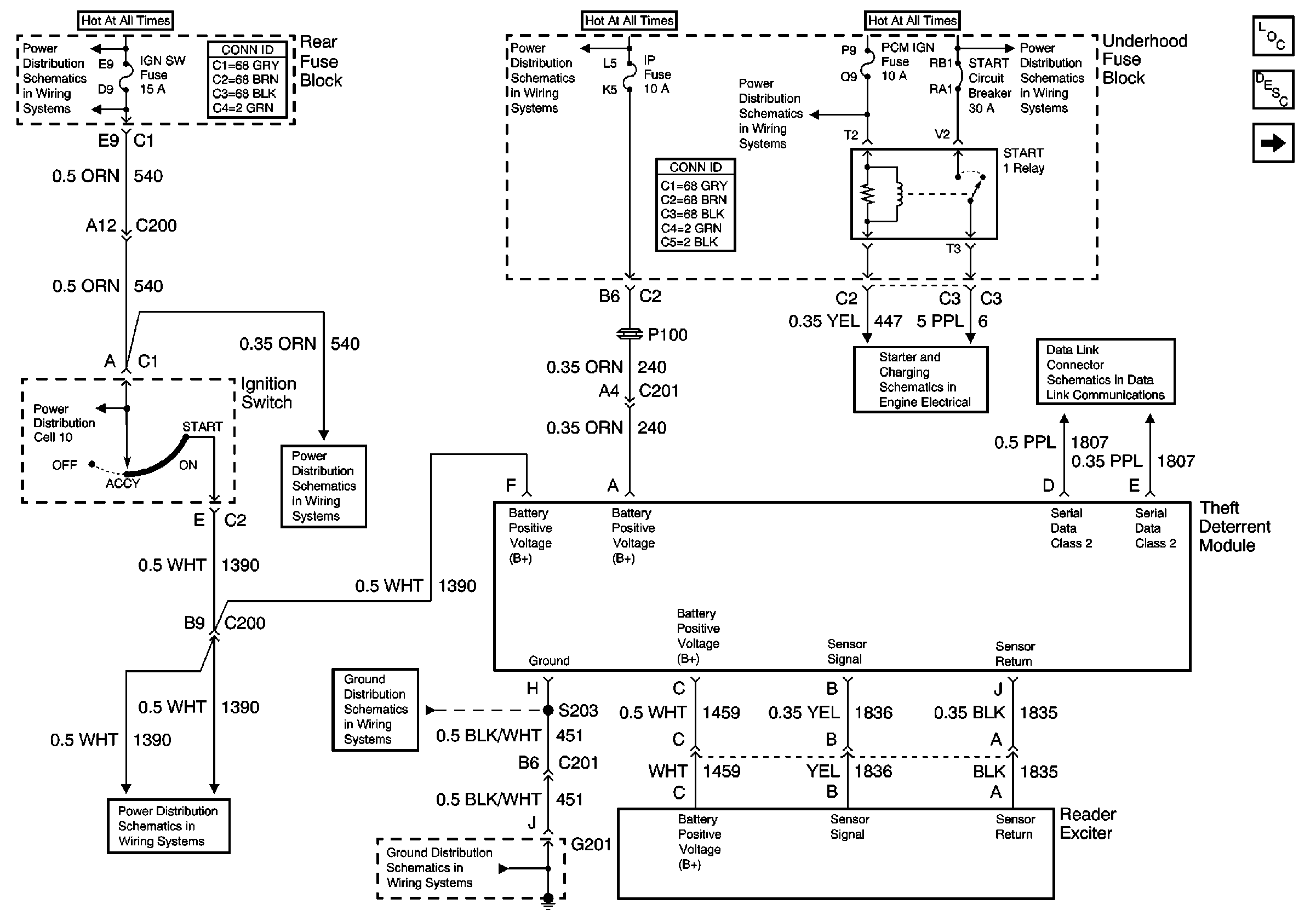
PASS-Key LHD


Object Number: 575983  Size: FS
IGN SW, HTDST LR, HTDST RR, and HTDST RF Fuses
Ignition Switch
Ignition Switch
Ignition Switch
Starter Solenoid Control
Class 2 Serial Data Line (LH Drive)
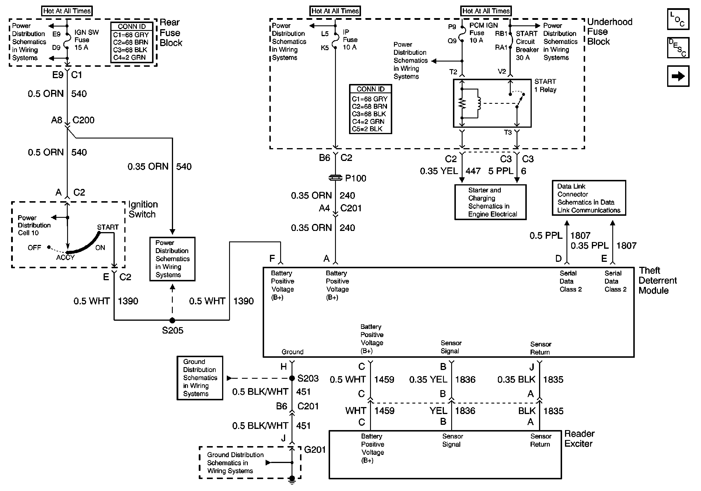
Pass-Key RHD
Theft Deterrent System Components
Vehicle Theft Deterrent (VTD)Circuit Description
Start Circuit Breaker and ACC, WSW Fuses
Start Circuit Breaker and ACC, WSW Fuses
Start Circuit Breaker and ACC, WSW Fuses
G201 (Partial)
    • 

Pass-Key RHD


Object Number: 594066  Size: FS
IGN SW, HTDST LR, HTDST RR, and HTDST RF Fuses
Ignition Switch
Ignition Switch
Starter Solenoid Control
Theft Deterrent System Components
Vehicle Theft Deterrent (VTD)Circuit Description
PASS-Key LHD
Class 2 Serial Data Line (LH Drive)
PCM BATT, EXPORT BRK, IP, ABS Sol, and ABS MOT Fuses
Start Circuit Breaker and ACC, WSW Fuses
Start Circuit Breaker and ACC, WSW Fuses
G201 (Partial)
G201 (Partial)

Circuit Description

Theft Deterrent (VTD) Module supplies the reader exciter battery voltage at terminal C, CKT 1459 (WHT). The VTD module monitors the input at terminal B, CKT 1836 (YEL) to determine if it is within a valid operating range.

Conditions for Setting the DTC

The ignition switch is in the ON position, Theft Deterrent (VTD) Module has detected that CKT 1459 (WHT) is shorted to ground for approximately 1 seconds or more.

Action Taken When the DTC Sets

    • Stores a DTC B2947 in the VTD module memory.
    • SERVICE THEFT SYSTEM driver warning message will be displayed for this DTC.
    • The Security Indicator is illuminated.

Conditions for Clearing the DTC

    • Theft Deterrent (VTD) Module detects that CKT 1459 (WHT) is no longer shorted to ground for approximately 1 seconds or more.
    • Use the On-Board clearing DTCs feature.
    • Use a scan tool.

Diagnostic Aids

Check circuit 1459 (WHT) for a short to ground.

Test Description

The numbers below refer to the step numbers on the diagnostic table:

  1. Perform the Theft Deterrent System Diagnostic System Check before continuing with the diagnosis of this DTC.

  2. Determines whether the malfunction is in the VTD module.

  3. Determines whether the malfunction is in the circuit or the reader exciter.

  4. Clear all DTCs after the repair procedure is complete.

DTC B2947

Step

Action

Value(s)

Yes

No

1

Was the Theft Deterrent System Diagnostic System Check performed?

--

Go to Step 2

Go to Diagnostic System Check - Theft Deterrent

2

  1. Ignition switch OFF.
  2. Disconnect the VTD module connector.
  3. Connect a DMM between the connector terminal J, CKT 1459 and ground.

Is the resistance match the specified value?

infinite

Go to Step 3

Go to Step 4

3

  1. Disconnect the reader exciter.
  2. Connect a DMM between the reader/exciter connector terminal A , CKT 1835 and terminal B, CKT 1836.

Is the resistance match the specified value?

infinite

Go to Step 5

Go to Step 6

4

Replace the Theft Deterrent (VTD) Module. Refer to Theft Deterrent Module Replacement .

Is the replacement complete?

--

Go to Step 7

--

5

Repair the short to ground in CKT 1459 (WHT). Refer to Wiring Repairs in Wiring Systems.

Is the repair complete?

--

Go to Step 7

--

6

Replace the reader exciter. Refer to Reader/Exciter Replacement .

Is the replacement complete?

--

Go to Step 7

--

7

  1. Ignition switch OFF.
  2. Reconnect or install any connectors or components that were disconnected or remove
  3. Ignition switch ON.
  4. Clear any DTCs. Refer to Clearing DTCs .

Are all DTCs cleared?

--

Go to Diagnostic System Check - Theft Deterrent

--