GM Service Manual Online
For 1990-2009 cars only
Figure 1:

Power and Ground (w/UX8)


Object Number: 642200  Size: FS
Remote Playback Device - CD Changer (w/UX8)
Entertainment Component Views
Radio/Audio System Description and Operation w/o Navigation
Battery Feeds
Vehicle Interface Unit (VIU), Microphone, Radio Amplifier
Remote Playback Device - CD Changer (w/UX8)
DIC and Headlamp Switch
G201 (2 of 3)
G201 (2 of 3)
Class 2 Serial Data Line (LH Drive) (2 of 2)
G300
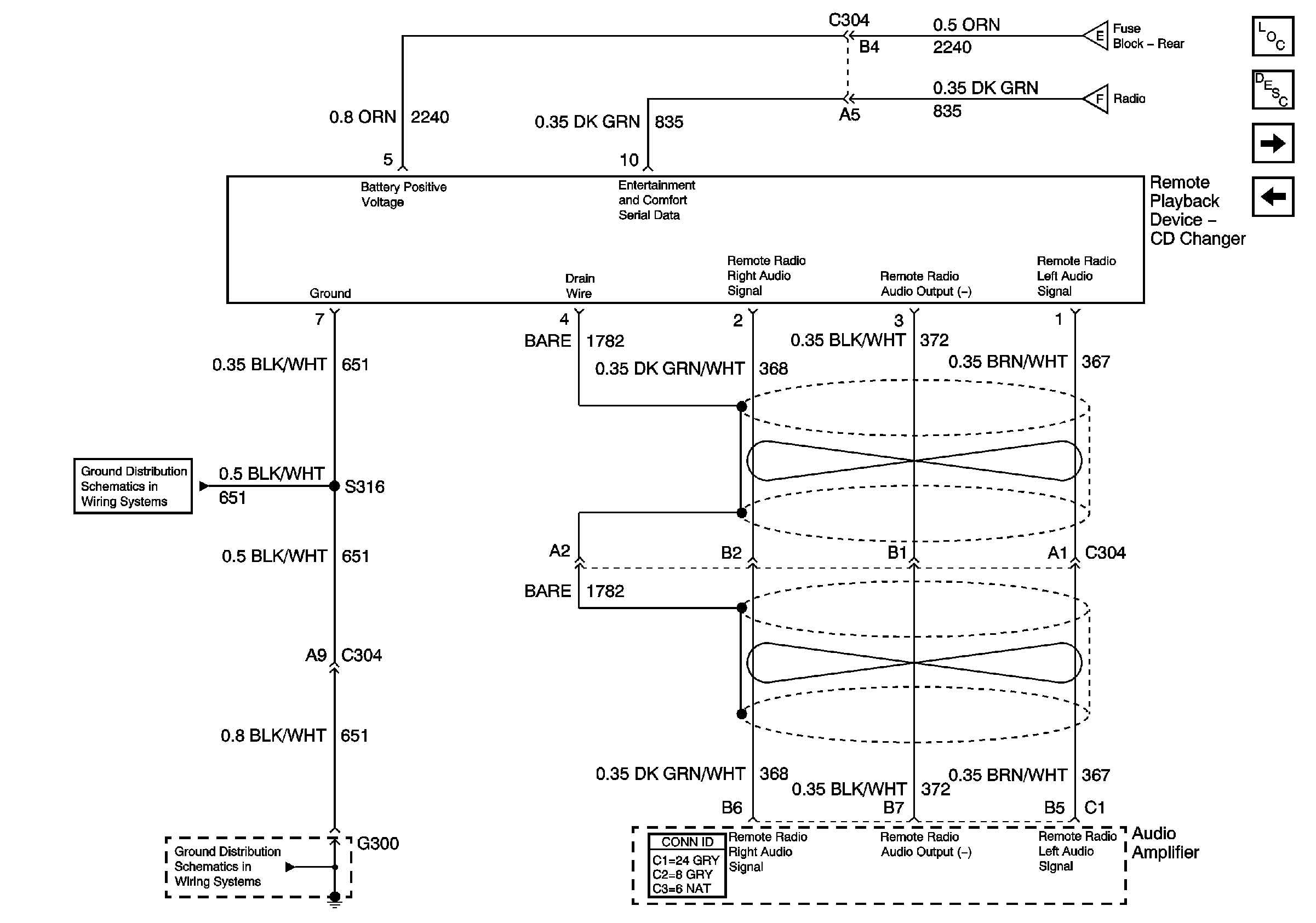
Figure 2:

Remote Playback Device -- CD Changer (w/UX8)


Object Number: 642201  Size: FS
Power and Ground (w/UX8)
Audio Amplifier (w/UX8)
Entertainment Component Views
Radio/Audio System Description and Operation w/o Navigation
Power and Ground (w/UX8)
G300
G300
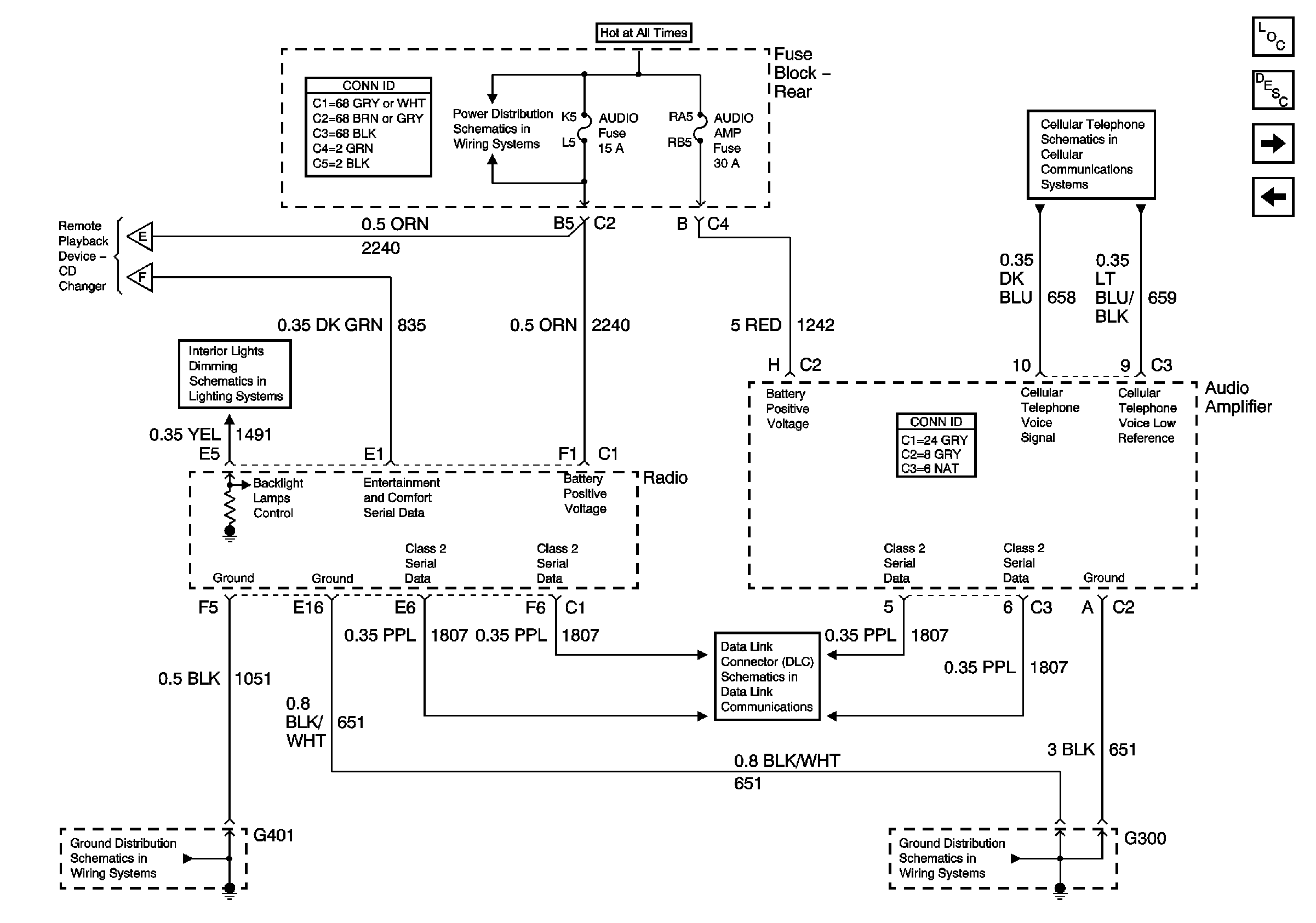
Figure 3:

Audio Amplifier (w/UX8)


Object Number: 642202  Size: FS
Remote Playback Device - CD Changer (w/UX8)
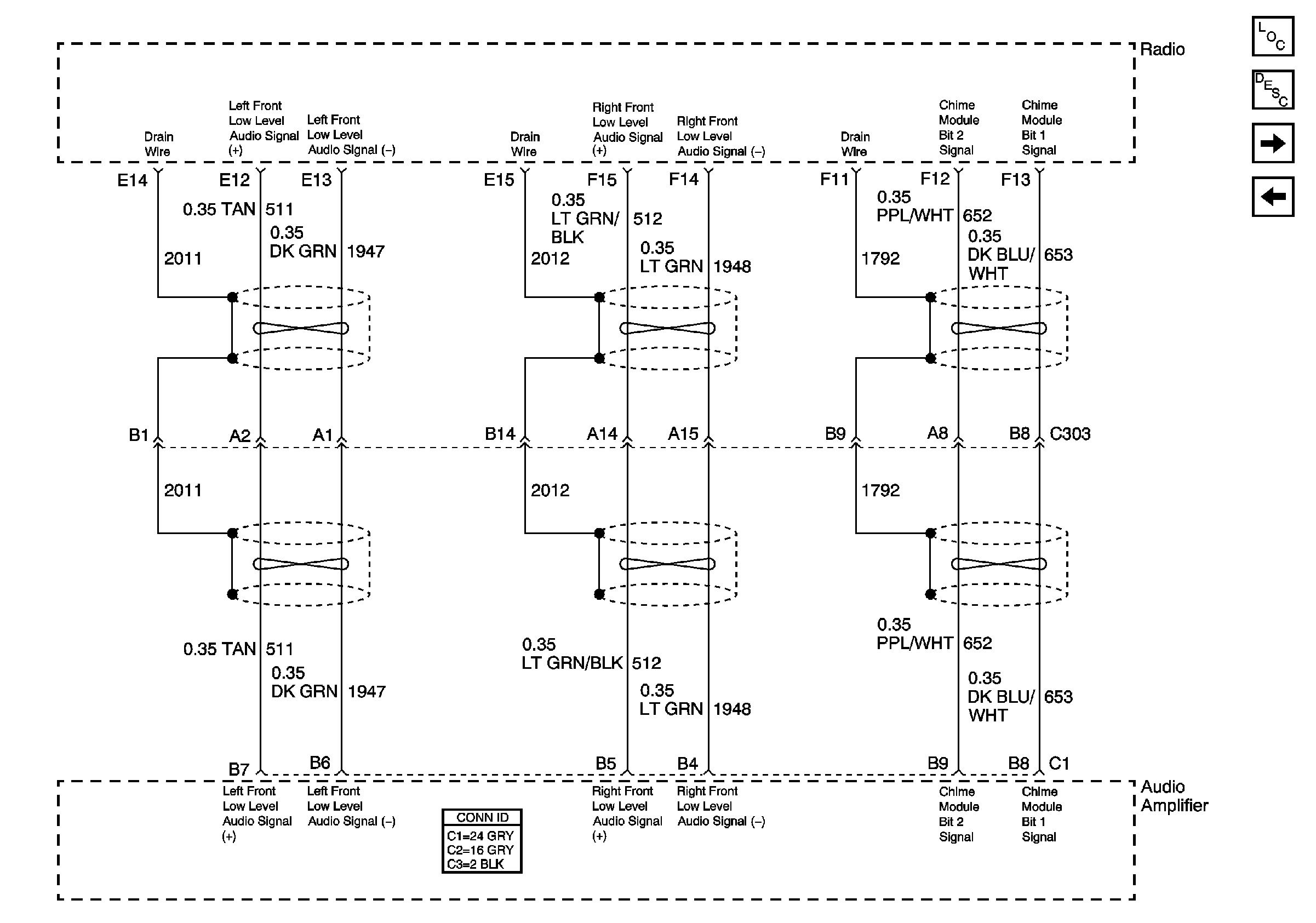
Front Speakers (w/UX8)
Entertainment Component Views
Radio/Audio System Description and Operation w/o Navigation
Figure 4:

Front Speakers (w/UX8)


Object Number: 642203  Size: FS
Audio Amplifier (w/UX8)
Rear Speakers (w/UX8)
Entertainment Component Views
Radio/Audio System Description and Operation w/o Navigation
Figure 5:

Rear Speakers (w/UX8)


Object Number: 642204  Size: FS
Front Speakers (w/UX8)
Power and Ground (w/UX9 only)
Entertainment Component Views
Radio/Audio System Description and Operation w/o Navigation
Figure 6:

Power and Ground (w/UX9 only)


Object Number: 642205  Size: FS
Rear Speakers (w/UX8)
Remote Playback Device - CD Changer (w/UX9 only)
Entertainment Component Views
Radio/Audio System Description and Operation w/o Navigation
Battery Feeds
Vehicle Interface Unit (VIU), Microphone, Radio Amplifier
Remote Playback Device - CD Changer (w/UX9 only)
DIC and Headlamp Switch
G201 (2 of 3)
Class 2 Serial Data Line (LH Drive) (2 of 2)
G201 (2 of 3)
G300
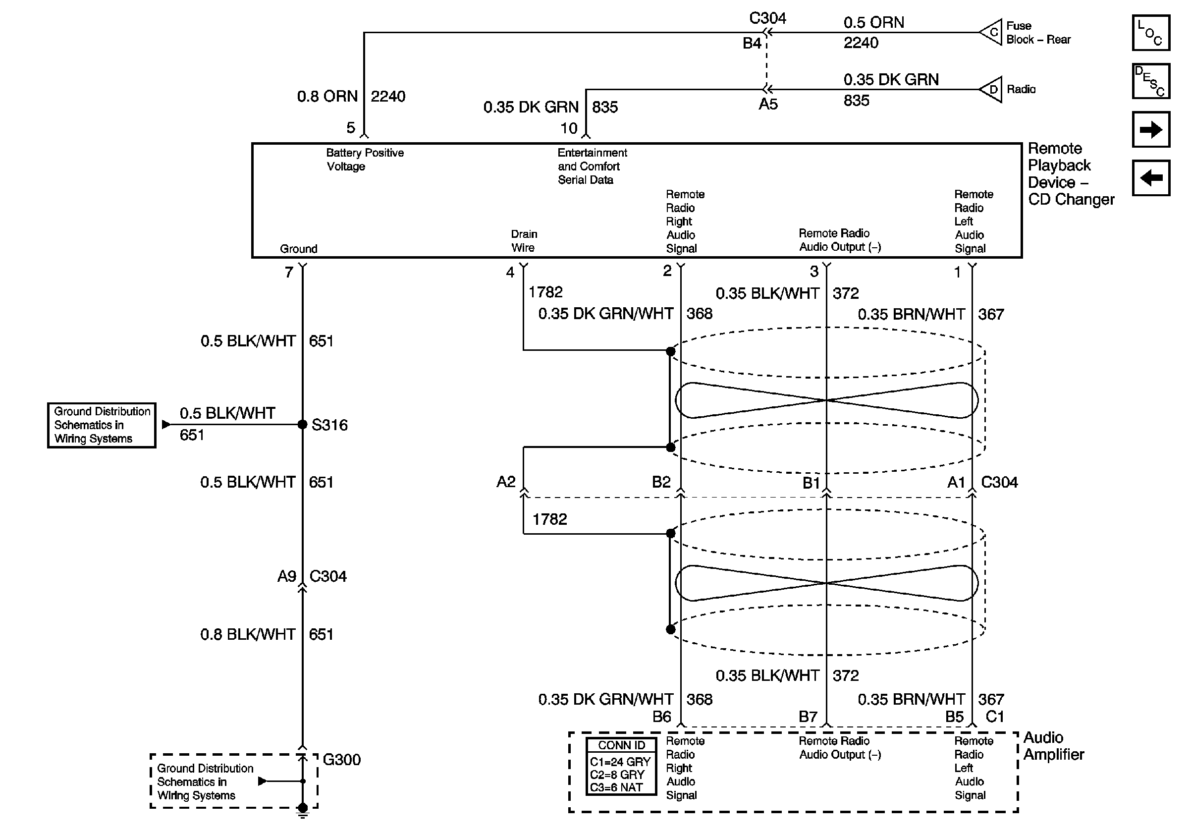
Figure 7:

Remote Playback Device -- CD Changer (w/UX9 only)


Object Number: 642206  Size: FS
Power and Ground (w/UX9 only)
Audio Amplifier (w/UX9 only)
Entertainment Component Views
Radio/Audio System Description and Operation w/o Navigation
Power and Ground (w/UX9 only)
G300
G300
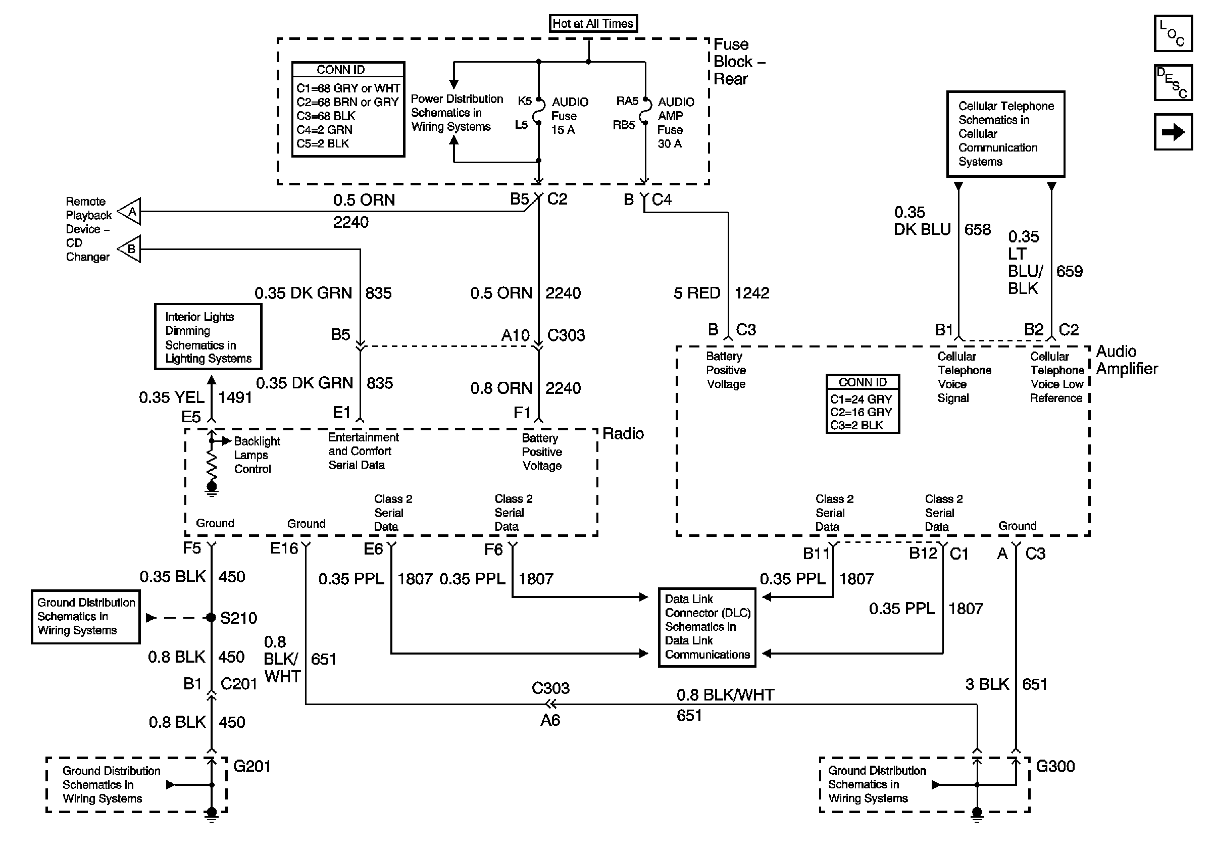
Figure 8:

Audio Amplifier (w/UX9 only)


Object Number: 642207  Size: FS
Remote Playback Device - CD Changer (w/UX9 only)
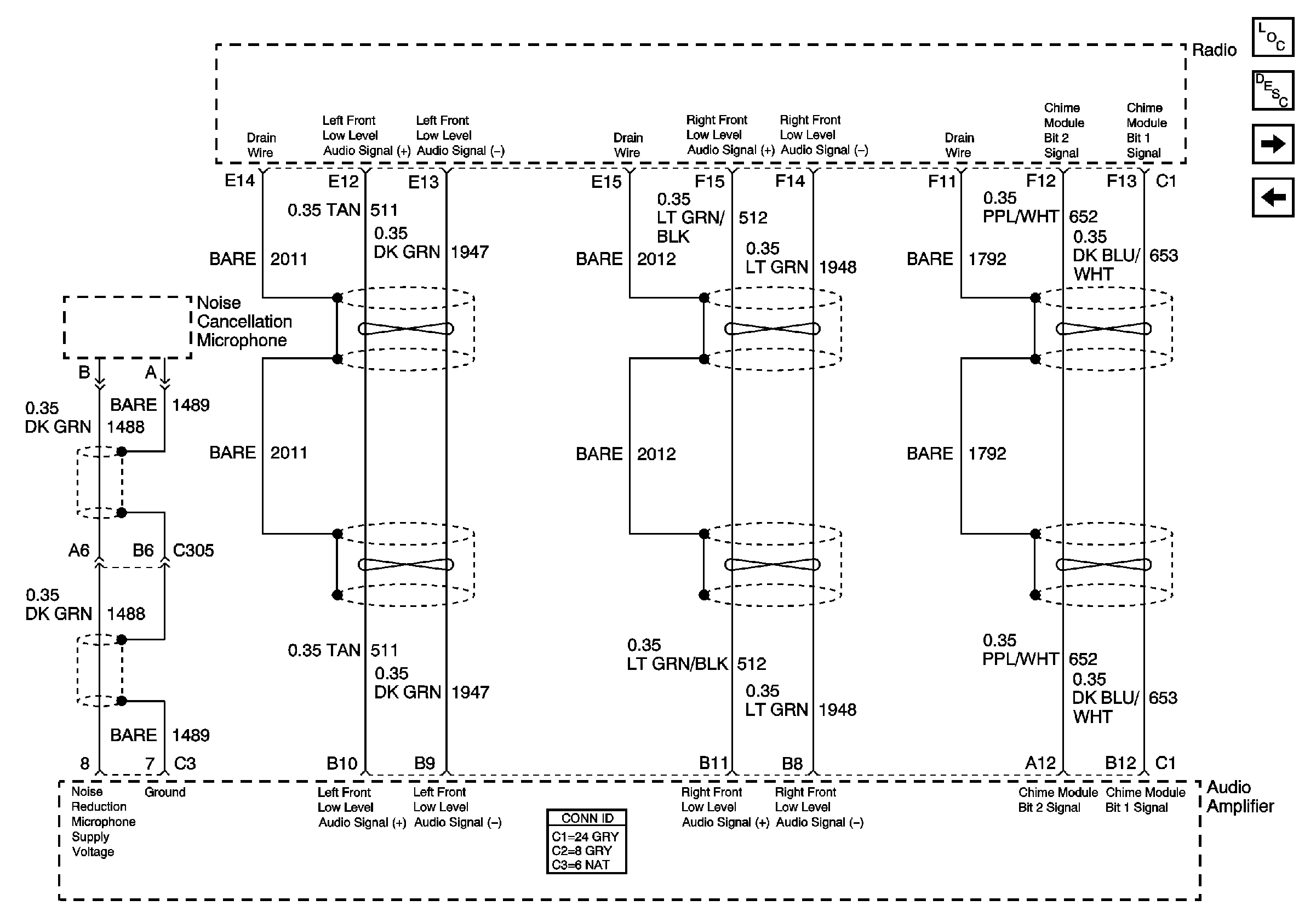
Speakers (w/UX9 only)
Entertainment Component Views
Radio/Audio System Description and Operation w/o Navigation
Figure 9:

Speakers (w/UX9 only)


Object Number: 642208  Size: FS
Audio Amplifier (w/UX9 only)
Power and Ground (w/UY4 and UX9)
Entertainment Component Views
Radio/Audio System Description and Operation w/o Navigation
Figure 10:

Power and Ground (w/UY4 and UX9)


Object Number: 642209  Size: FS
Speakers (w/UX9 only)
Remote Playback Device - CD Changer (w/UY4 and UX9)
Entertainment Component Views
Radio/Audio System Description and Operation w/ Navigation
Battery Feeds
Vehicle Interface Unit (VIU), Microphone, Radio Amplifier
Remote Playback Device - CD Changer (w/UY4 and UX9)
DIC and Headlamp Switch
Class 2 Serial Data Line (LH Drive) (2 of 2)
G401 (2 of 3)
G300
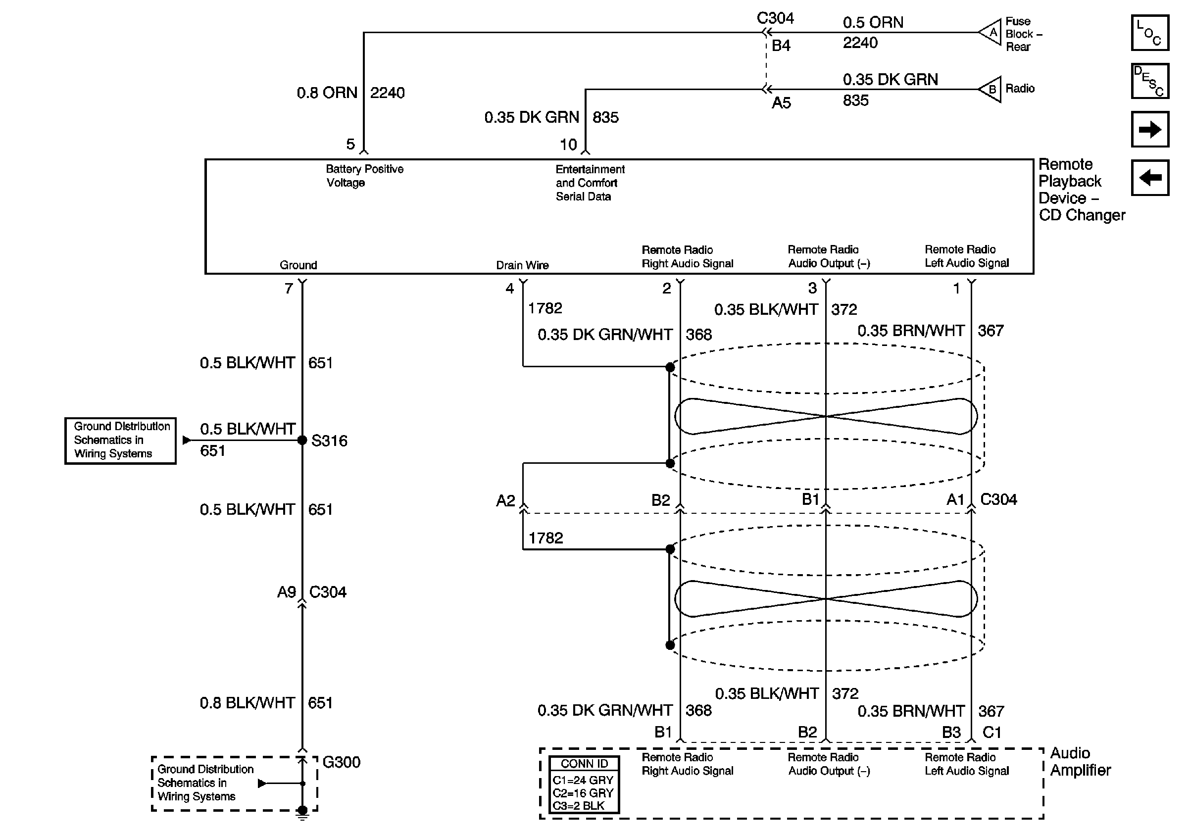
Figure 11:

Remote Playback Device -- CD Changer (w/UY4 and UX9)


Object Number: 642210  Size: FS
Power and Ground (w/UY4 and UX9)
Audio Amplifier (w/UY4 and UX9)
Entertainment Component Views
Radio/Audio System Description and Operation w/ Navigation
Power and Ground (w/UY4 and UX9)
G300
G300
Figure 12:

Audio Amplifier (w/UY4 and UX9)


Object Number: 642211  Size: FS
Remote Playback Device - CD Changer (w/UY4 and UX9)
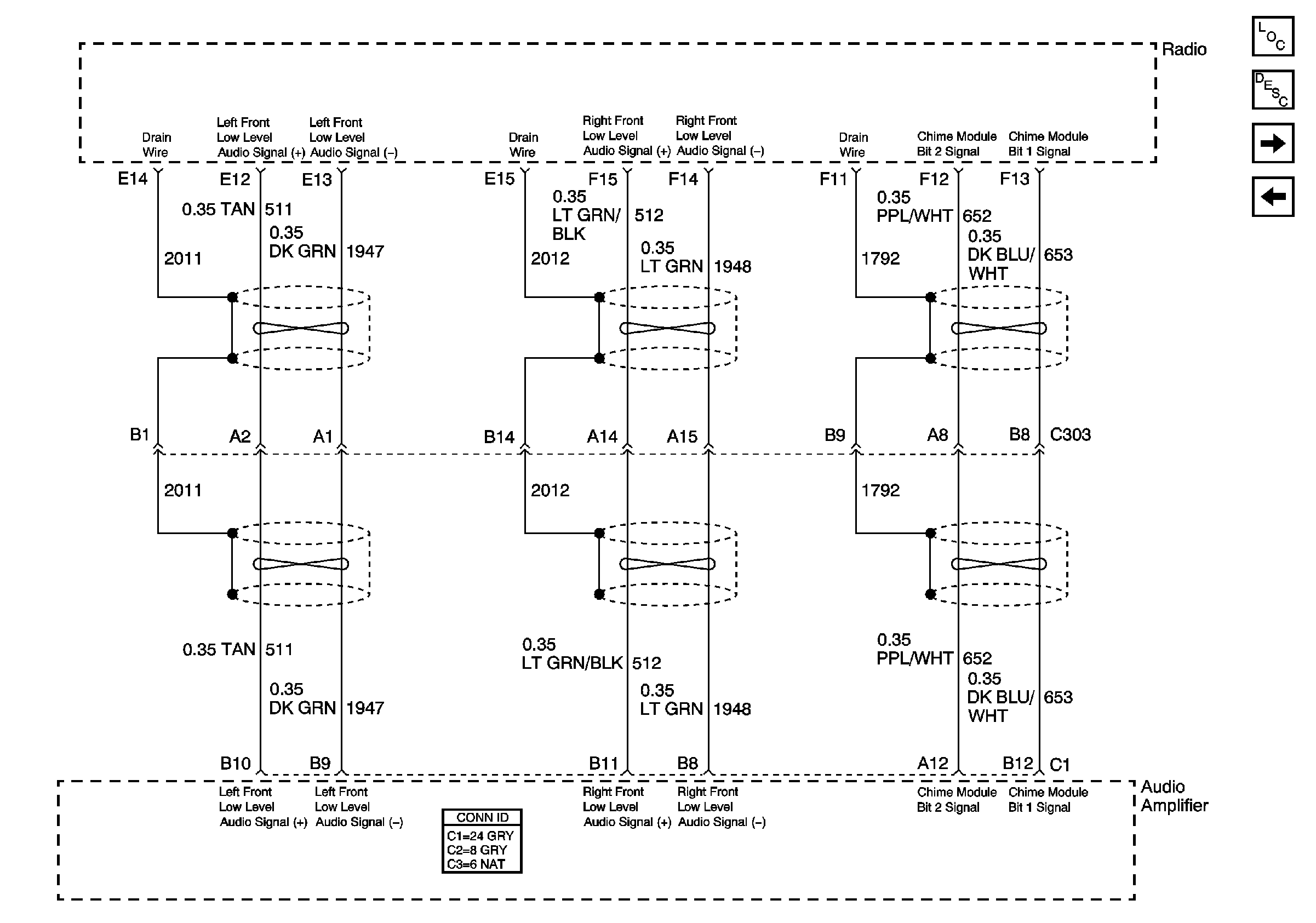
Speakers (w/UY4 and UX9)
Entertainment Component Views
Radio/Audio System Description and Operation w/ Navigation
Figure 13:

Speakers (w/UY4 and UX9)


Object Number: 642212  Size: FS
Audio Amplifier (w/UY4 and UX9)
Entertainment Component Views
Radio/Audio System Description and Operation w/ Navigation
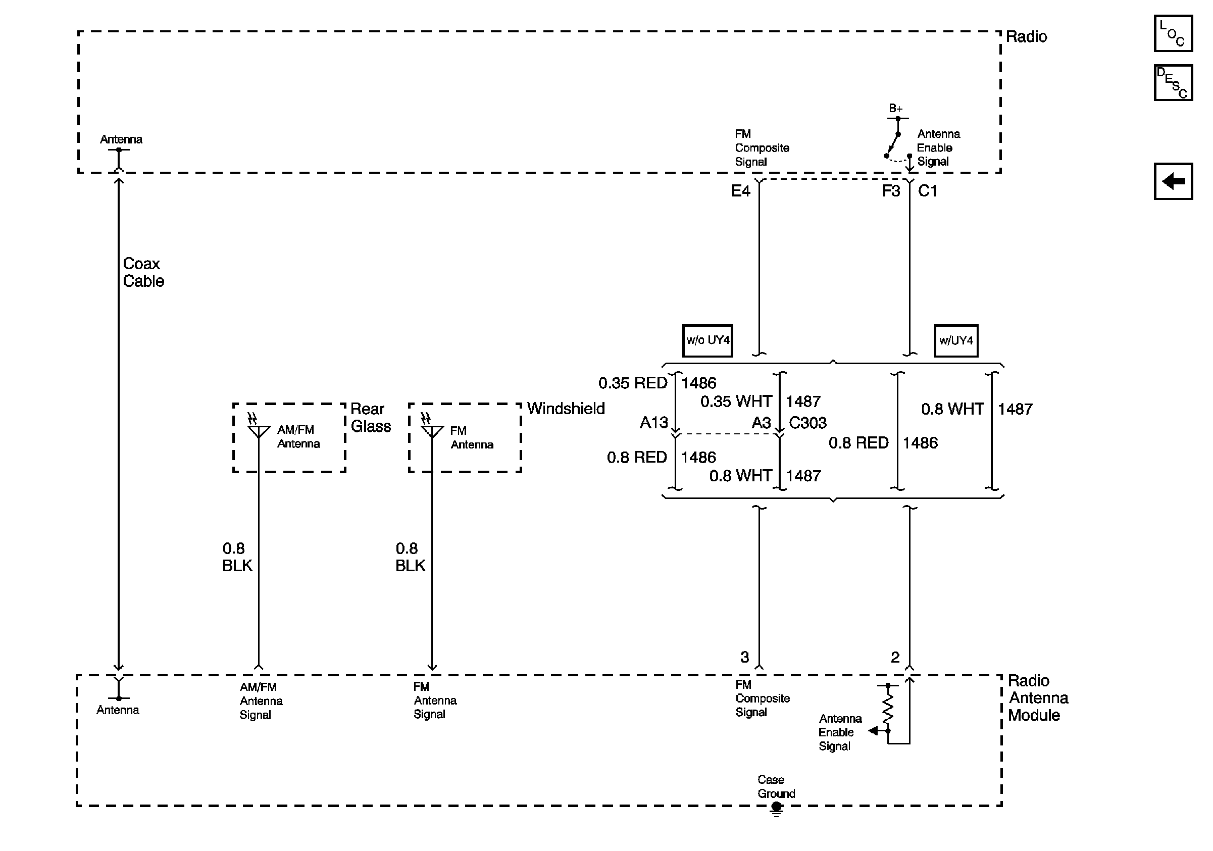
Figure 14:

Window Antennas


Object Number: 715705  Size: FS
Entertainment Component Views
Radio/Audio System Description and Operation w/o Navigation
Speakers (w/UY4 and UX9)