GM Service Manual Online
For 1990-2009 cars only
Makes
🢒
Cadillac
🢒
2001
🢒
Seville
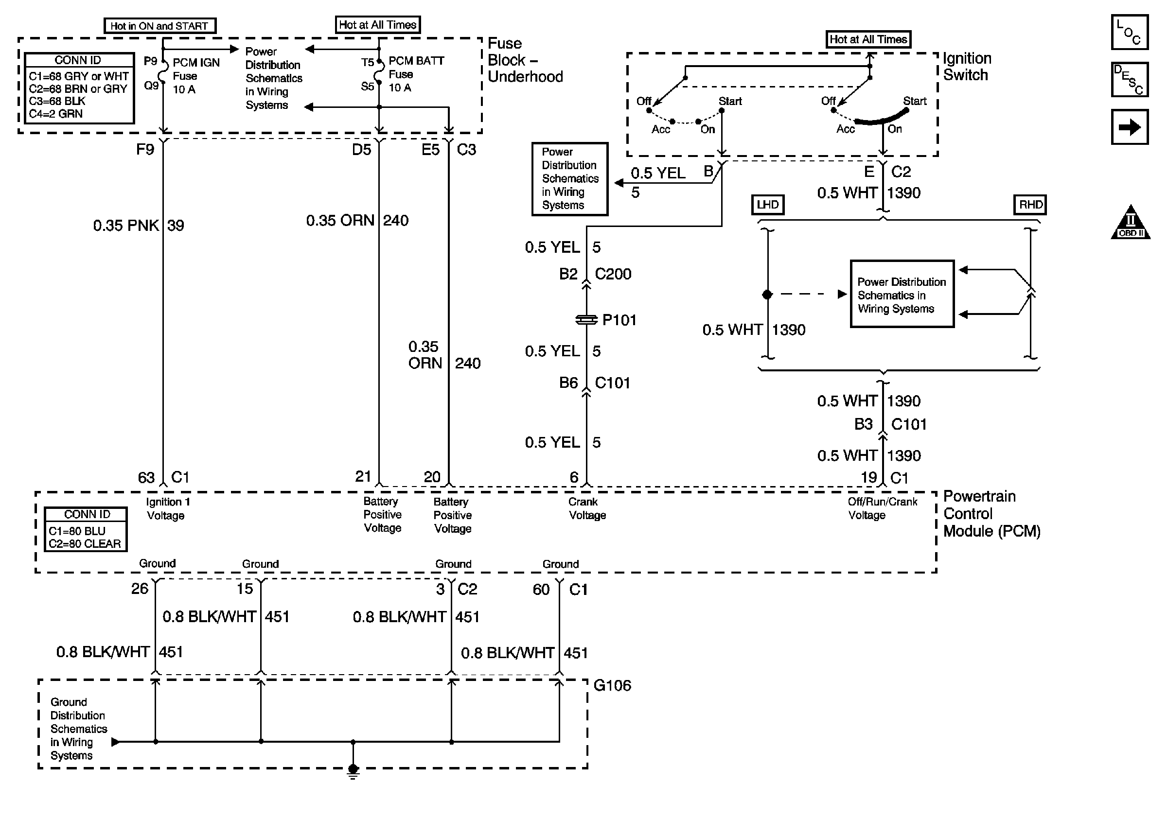
🢒 PCM Power and Grounds
PCM Power and Grounds
PCM Power and Grounds
Power to Underhood Fuse Block
Ignition Switch
Ignition Switch
G106 and G108
MIL Control and DLC
Engine Controls Component Views
OBD II Symbol Description Notice