GM Service Manual Online
For 1990-2009 cars only
Makes
🢒
Cadillac
🢒
2001
🢒
Seville
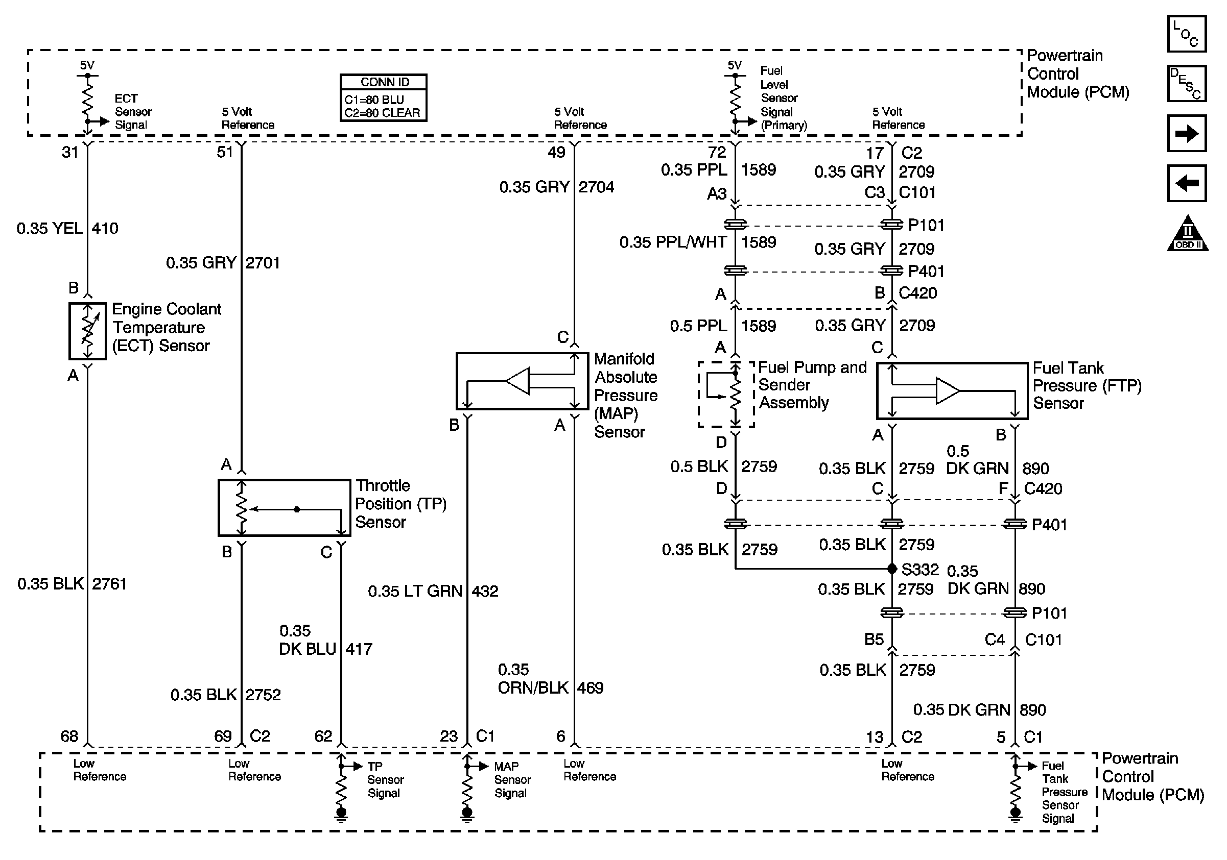
🢒 Sensor Signals
Sensor Signals
Sensor Signals
Fuel Injectors
Heated Oxygen Sensors (HO2S)
Engine Controls Component Views
OBD II Symbol Description Notice
Evaporative Emission Control System Description