GM Service Manual Online
For 1990-2009 cars only
Makes
🢒
Cadillac
🢒
2001
🢒
Seville
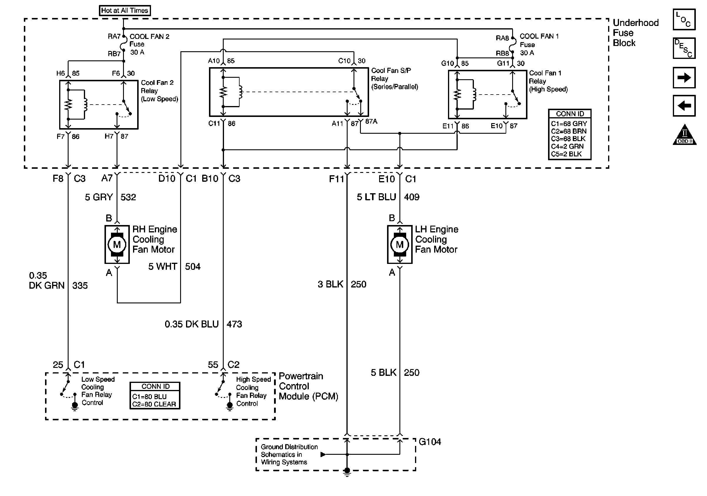
🢒 Cooling Fan
Cooling Fan
Cooling Fans
Automatic Transaxle Internal Mode Switch and VSS
Ignition Control Module (ICM) Bank 2
Engine Controls Component Views
OBD II Symbol Description Notice
G104