GM Service Manual Online
For 1990-2009 cars only
Makes
🢒
Cadillac
🢒
2001
🢒
Seville
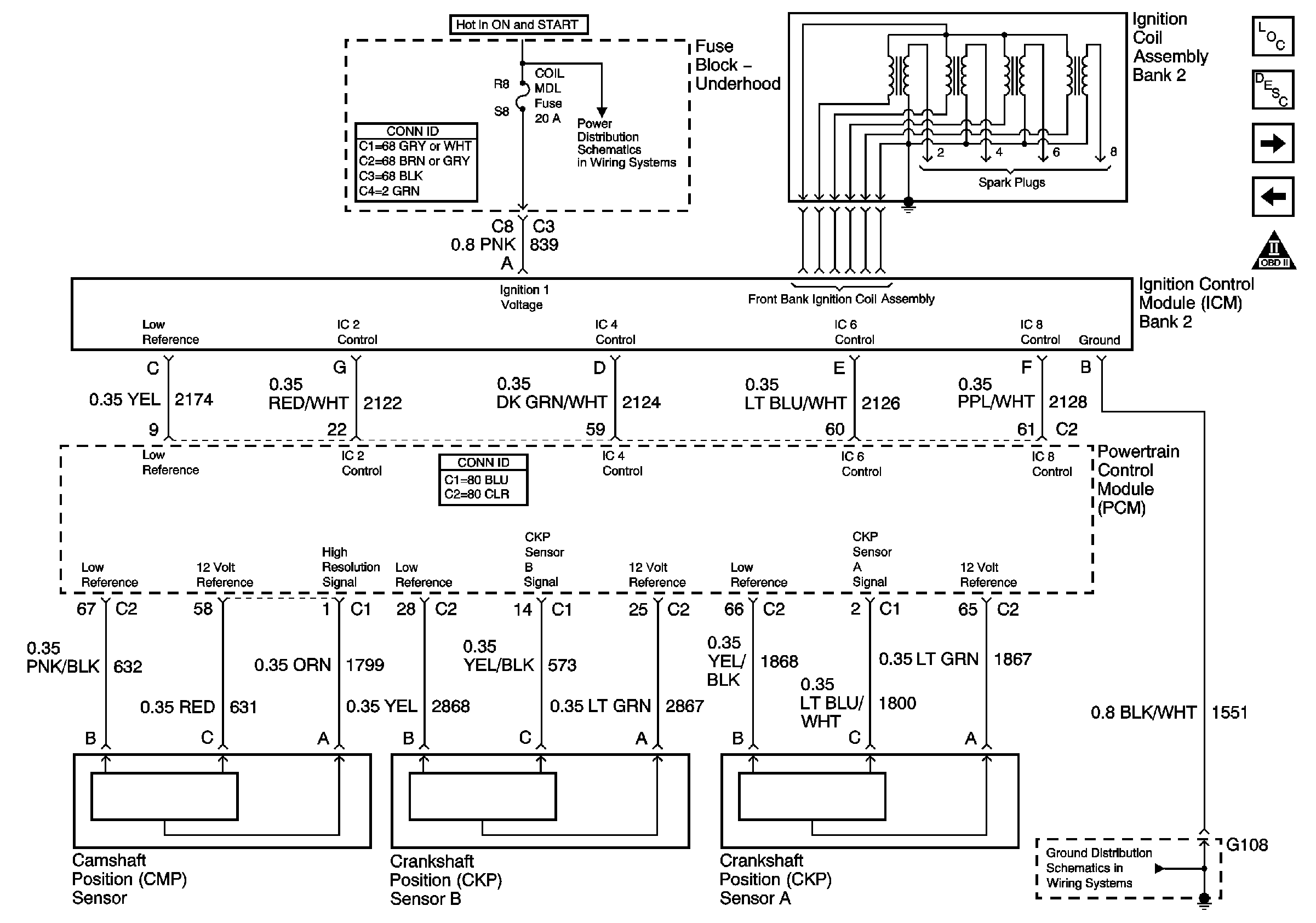
🢒 Ignition Control Module (ICM) Bank 2
Ignition Control Module (ICM) Bank 2
Ignition Control Module (ICM) Bank 2
Ignition Control Module (ICM) Bank 1
Secondary Air Injection (AIR) w/NB6 California Emissions
Engine Controls Component Views
OBD II Symbol Description Notice
Powertrain Control Module Description
Power to Underhood Fuse Block
G106 and G108