GM Service Manual Online
For 1990-2009 cars only
Makes
🢒
Cadillac
🢒
2001
🢒
Seville
🢒 Cooling Fans
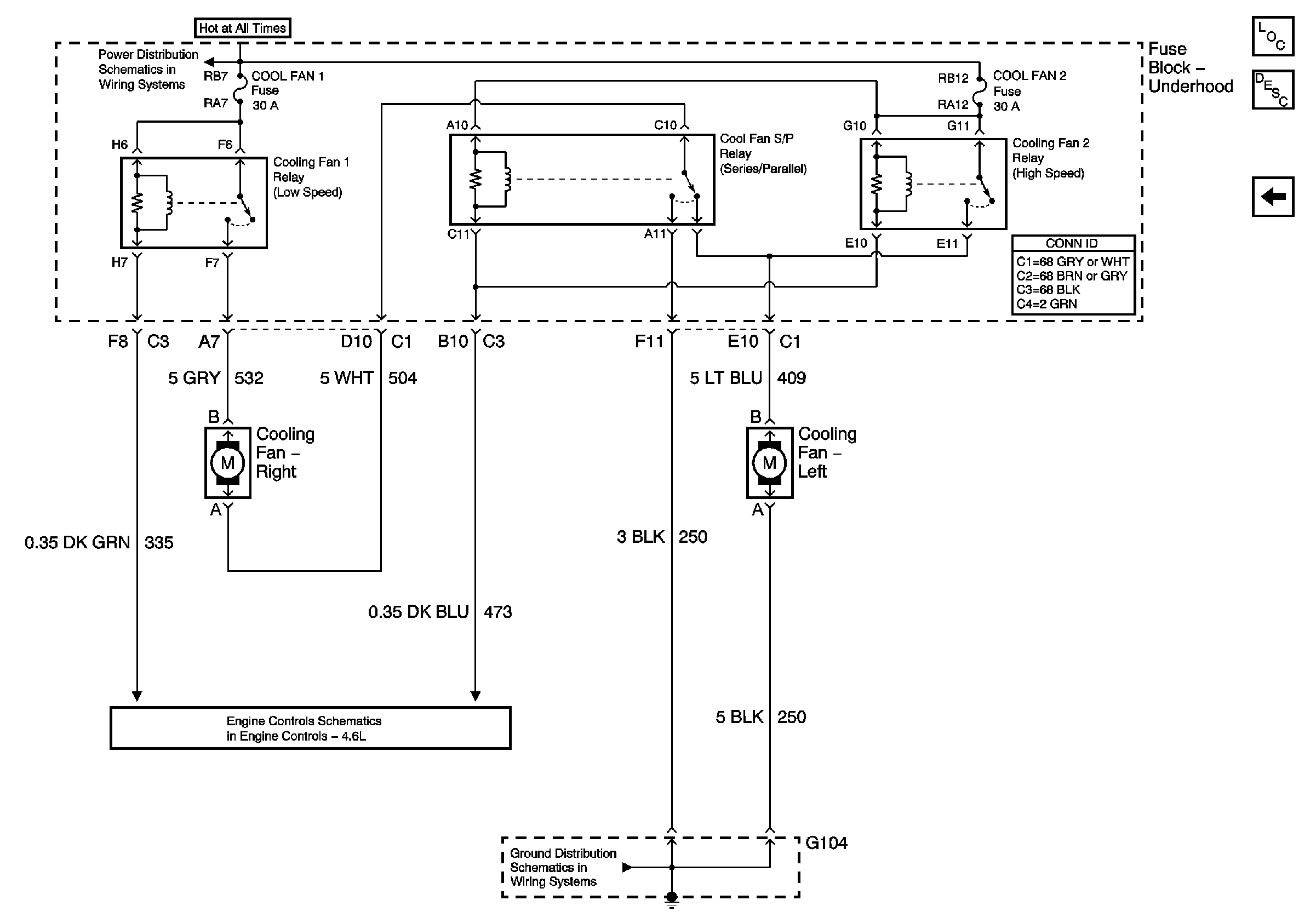
Cooling Fans
Cooling Fans
Engine Coolant Temperature Indicator
Cooling System Component Views
Cooling System Description and Operation
Power to Underhood Fuse Block
PCM Inputs/Outputs (1 of 2)
G104