GM Service Manual Online
For 1990-2009 cars only
Makes
🢒
Cadillac
🢒
2001
🢒
Seville
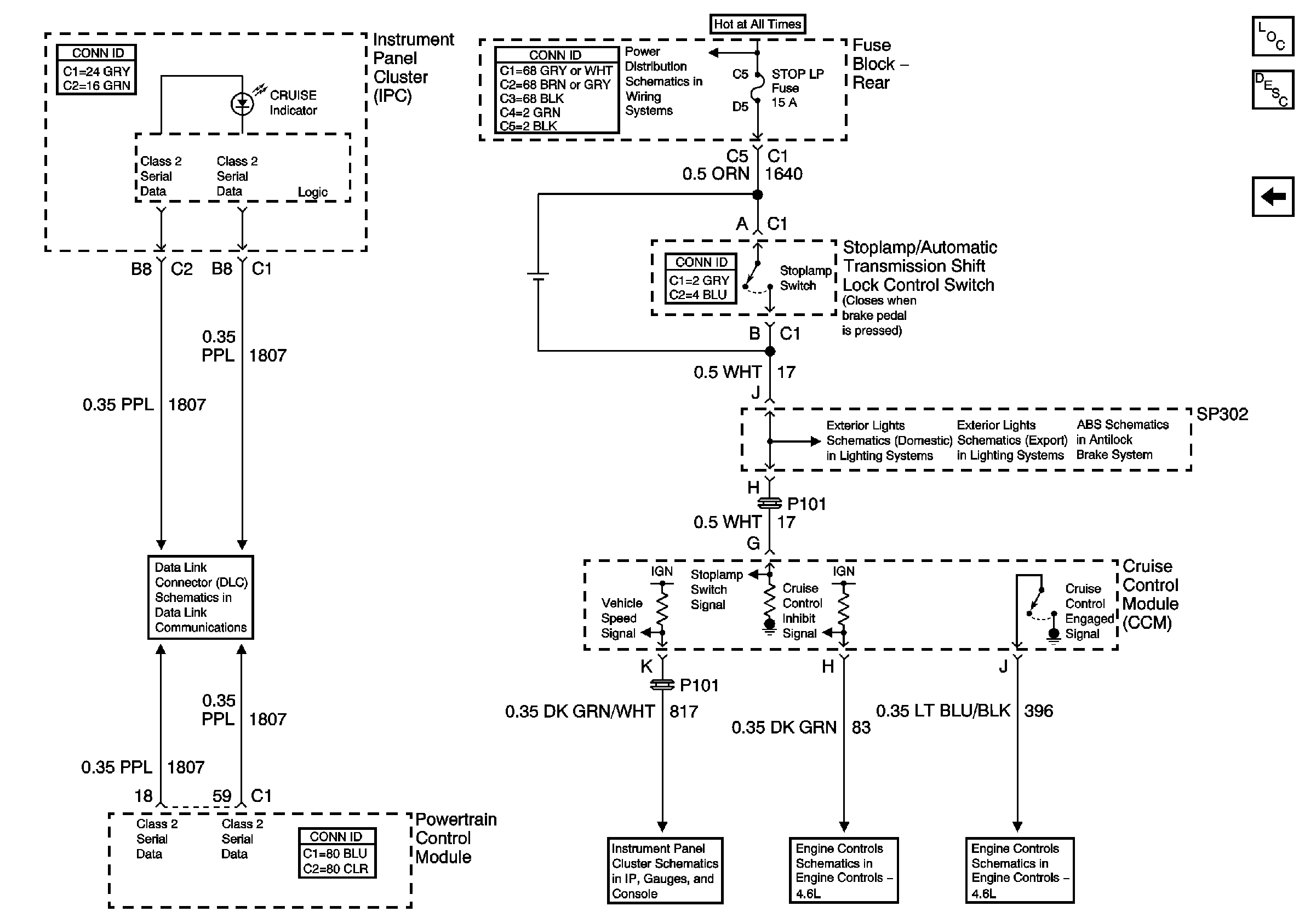
🢒 Cruise Control Module PCM Controls and Vehicle Speed Input
Cruise Control Module PCM Controls and Vehicle Speed Input
Cruise Control Module PCM Controls and Vehicle Speed Input
Cruise Control Module and Steering Wheel Controls; Power and Ground
Cruise Control Component Views
Cruise Control Description and Operation
Class 2 Serial Data Line (LH Drive) (1 of 2)
Class 2 and Tamper Switches
Stoplamp Switches
Stoplamp Switches
PCM Inputs/Outputs (1 of 2)
PCM Inputs/Outputs (1 of 2)