GM Service Manual Online
For 1990-2009 cars only
Makes
🢒
Cadillac
🢒
2001
🢒
Seville
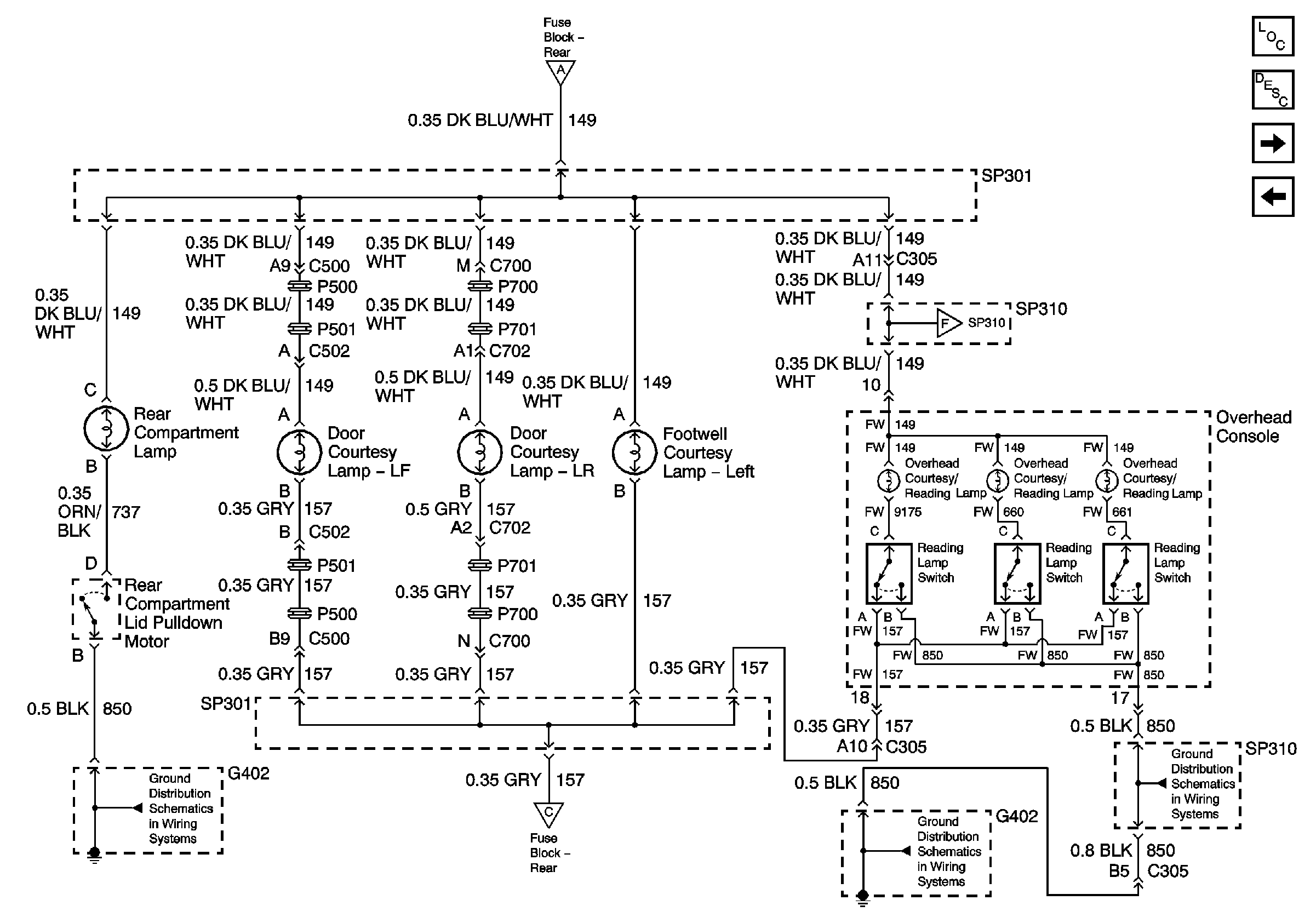
🢒 Rear Compartment, Courtesy, and Overhead Console Lamps
Rear Compartment, Courtesy, and Overhead Console Lamps
Rear Compartment, Courtesy, and Overhead Console Lamps
Interior Lamp Relays
Vanity and Reading Lamps; Interior Lamp Switch
Lighting Systems Component Views
Interior Lighting Systems Description and Operation
Interior Lamp Relays
Vanity and Reading Lamps; Interior Lamp Switch
G402 (1 of 2)
Interior Lamp Relays
G402 (1 of 2)
G402 (1 of 2)