GM Service Manual Online
For 1990-2009 cars only
Makes
🢒
Cadillac
🢒
2002
🢒
Seville
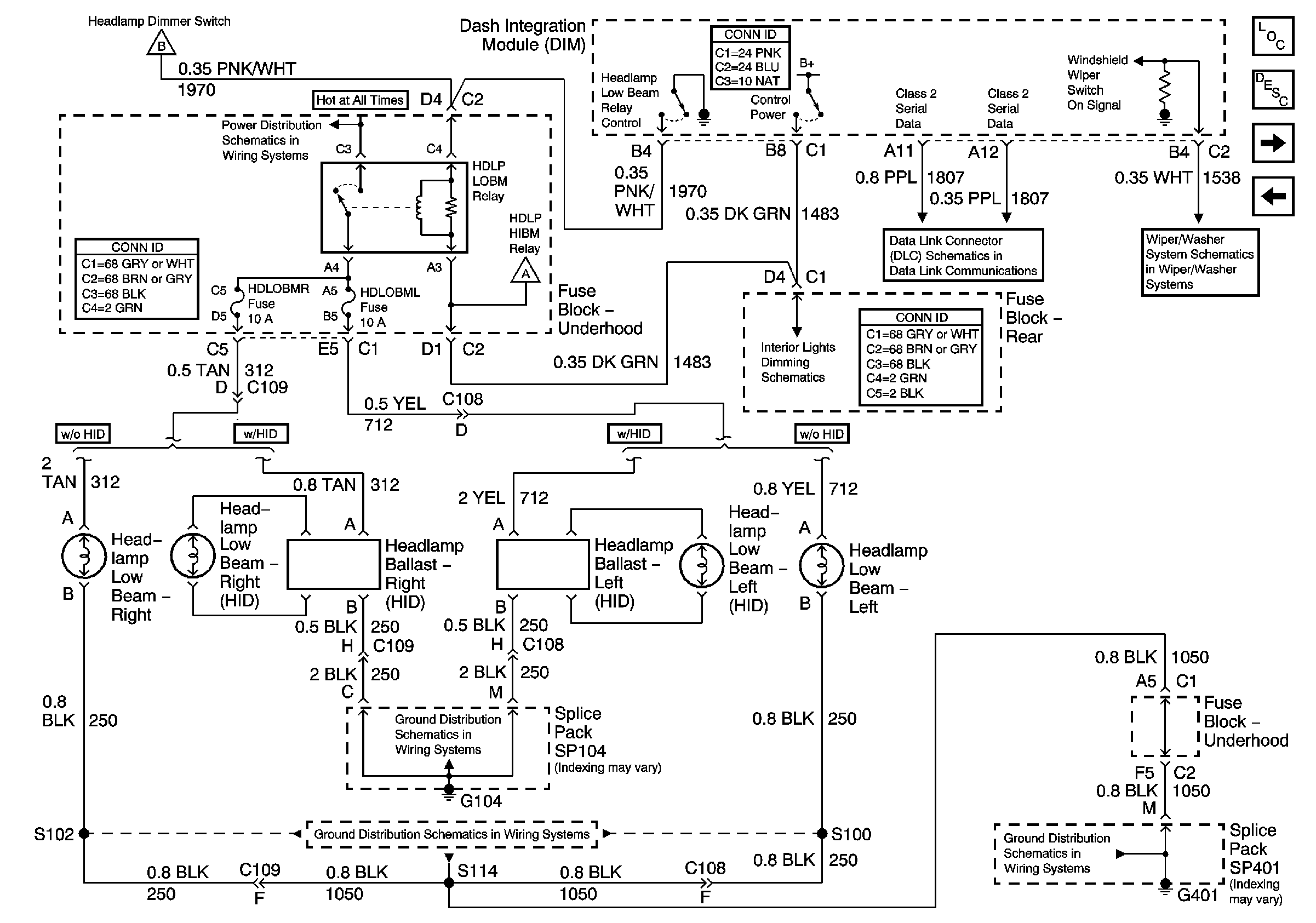
🢒 Low Beam Headlamps (Generation 3.0)
Low Beam Headlamps (Generation 3.0)
Low Beam Headlamps (Generation 2.5)
Master Electrical Component List
Exterior Lighting Systems Description and Operation
High Beam Headlamps
I/P Dimmer / Fog Lamp Switch Power and Ground
Power, Ground, and Components
G401 3 of 3
G401 3 of 3
G104
High Beam Headlamps
Battery Feed to Fuse Block - Underhood
High Beam Headlamps
Dimming Control
Class 2 Serial Data Line (RH Drive) (2 of 2)