GM Service Manual Online
For 1990-2009 cars only
Makes
🢒
Cadillac
🢒
2002
🢒
Seville
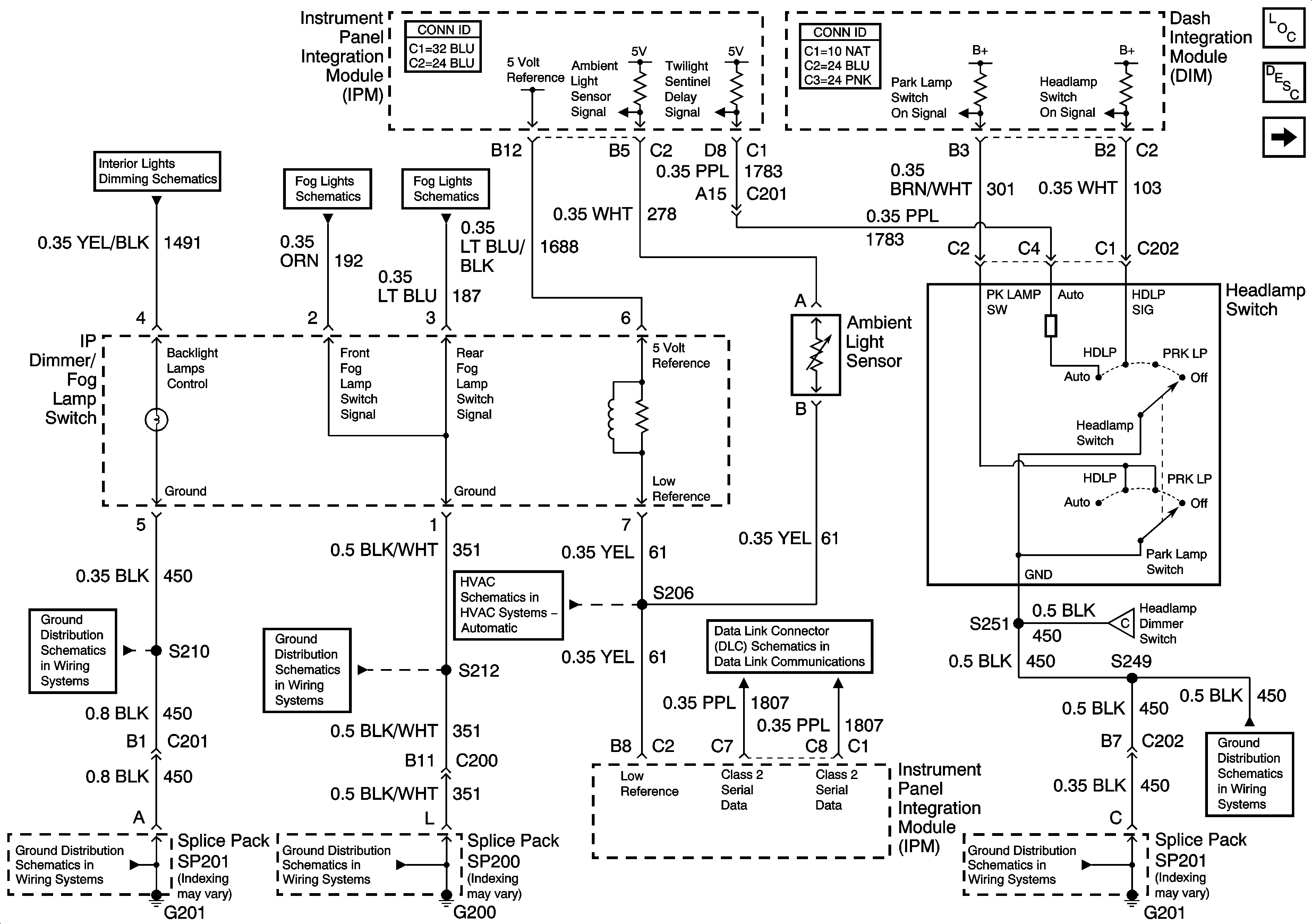
🢒 I/P Dimmer / Fog Lamp Switch Power and Ground
I/P Dimmer / Fog Lamp Switch Power and Ground
I/P Dimmer/Fog Lamp Switch Power and Ground
Master Electrical Component List
Exterior Lighting Systems Description and Operation
Low Beam Headlamps (Generation 3.0)
G201 2 of 3
G201 2 of 3
Class 2 Serial Data Line (RH Drive) (2 of 2)
Temperature Sensors - RH Drive
G200
G200
G201 2 of 3
G201 2 of 3
DIC and Headlamp Switch
Front Fog Lamps
Rear Fog Lamps