GM Service Manual Online
For 1990-2009 cars only
Makes
🢒
Cadillac
🢒
2002
🢒
Seville
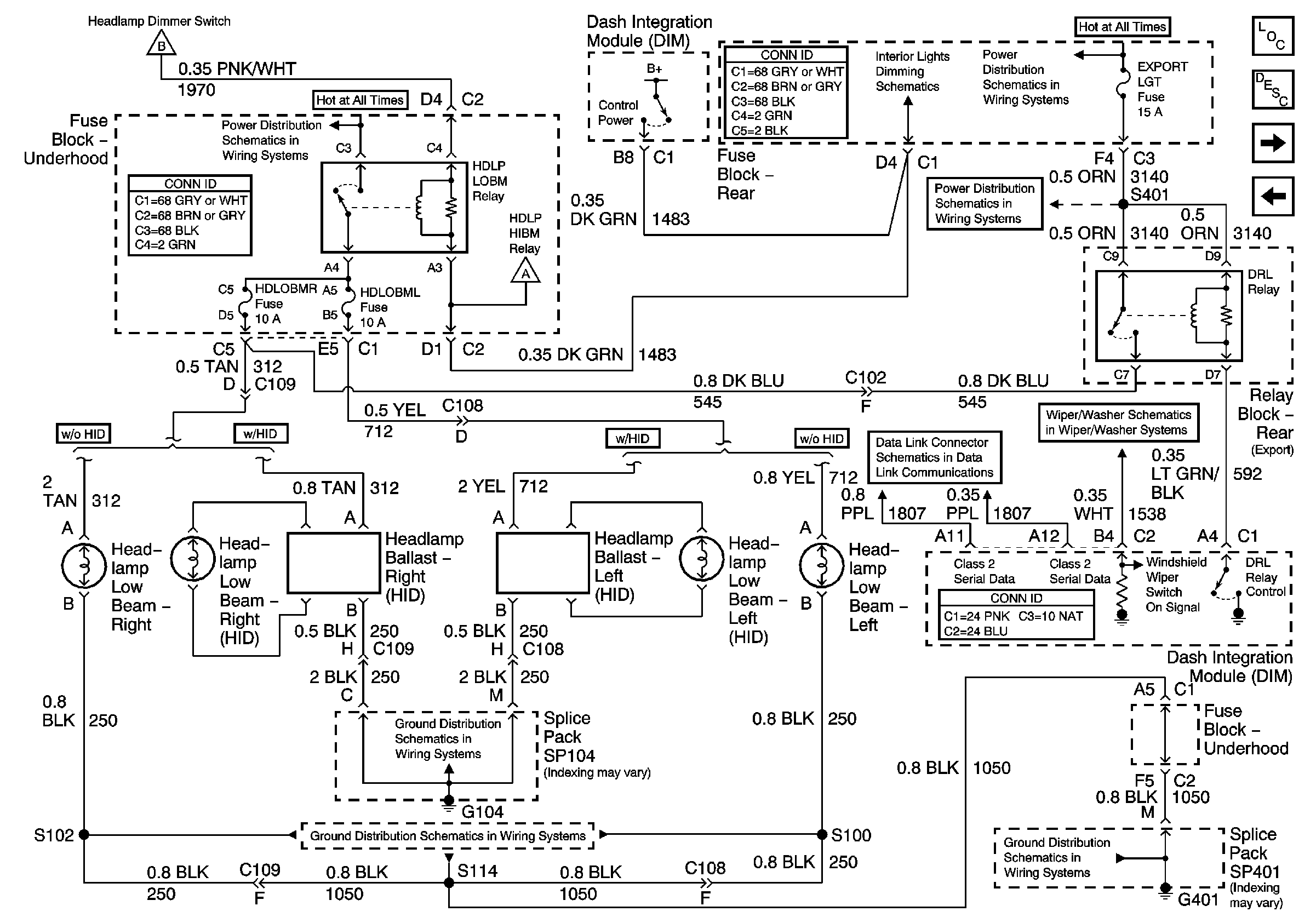
🢒 Low Beam Headlamps (Generation 2.5)
Low Beam Headlamps (Generation 2.5)
Low Beam Headlamps (Generation 2.5)
Master Electrical Component List
Exterior Lighting Systems Description and Operation
High Beam Headlamps
Headlamp Switch Power and Grounds
Power, Ground, and Components
Class 2 Serial Data Line (LH Drive) (1 of 2)
G401 3 of 3
G401 3 of 3
G104
High Beam Headlamps
High Beam Headlamps
Dimming Control
EXPORT LGT Fuse
Battery Feed to Fuse Block - Rear