GM Service Manual Online
For 1990-2009 cars only
Makes
🢒
Cadillac
🢒
2003
🢒
Seville
🢒 Cooling Fans
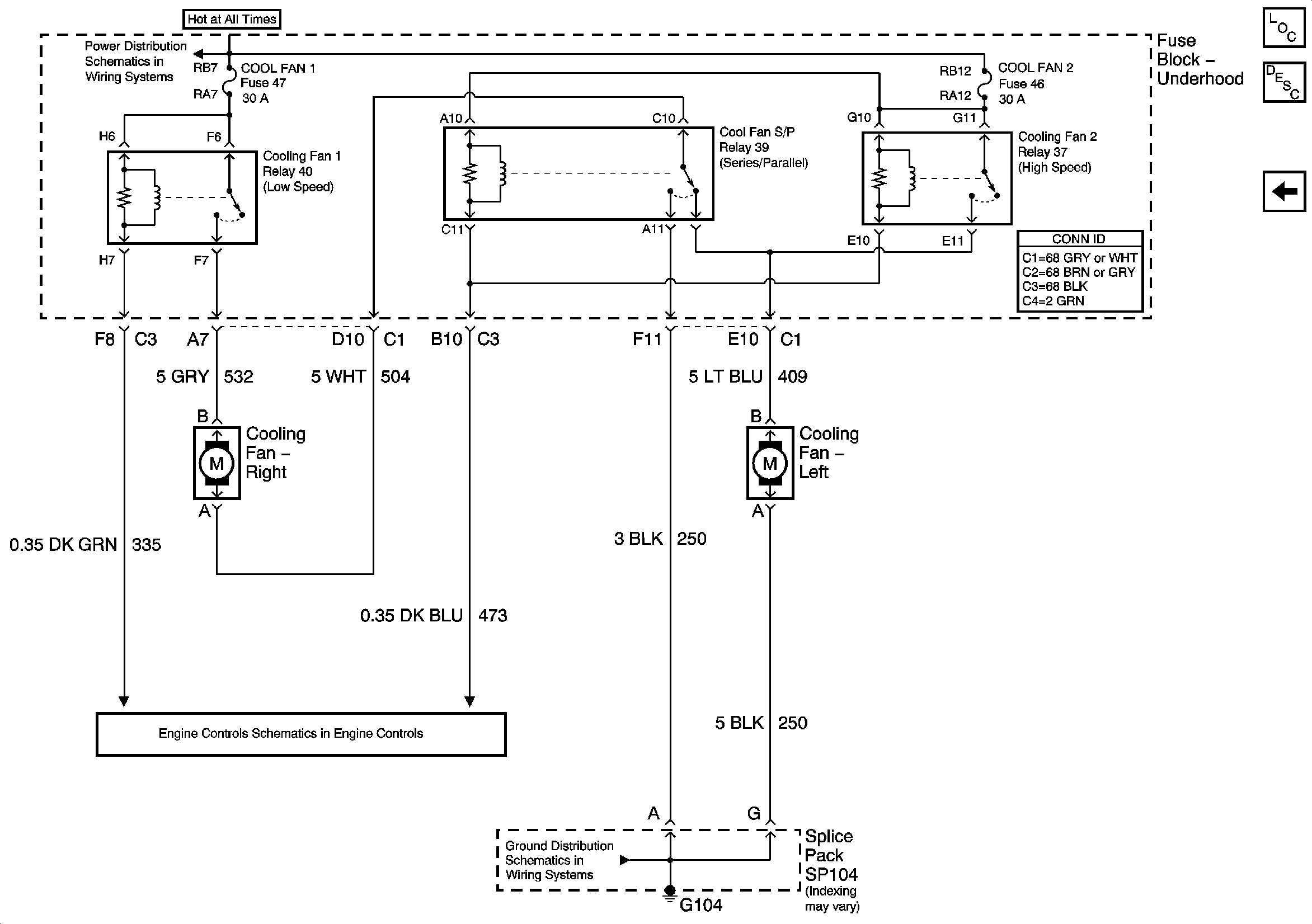
Cooling Fans
Cooling Fans
Master Electrical Component List
Cooling System Description and Operation
Engine Coolant Level Indicator
Battery Feed to Fuse Block - Underhood
Controlled/Monitored Subsystem References
G104