GM Service Manual Online
For 1990-2009 cars only
Figure 1:

Power, Ground, Stop Lamp Switch, Solenoid Valves, and Pump Motor


Object Number: 879725  Size: FS
Master Electrical Component List
ABS Description and Operation
ABS Schematics-Wheel Speed Sensors
Power Distribution Schematics-Cigar Relay and Stop LP, Cigar, HVAC BLO Fuses
Power Distribution Schematics-Battery Feed to Fuse Block Rear
Power Distribution Schematics-ALDL, PCM Battery, I/P, ABS Fuses
Cruise Control Schematics-PCM Controls and Class 2
Exterior Lights Schematics-Stop Lamp Switch
Exterior Lights Schematics-Stop Lamp Switch
Figure 2:

Wheel Speed Sensors


Object Number: 788506  Size: FS
Master Electrical Component List
ABS Description and Operation
ABS Schematics-Vehicle Stability Enhancement System
ABS Schematics-Power,Ground,Stop Lamp Switch,Solenoid Valves and Pump Motor
Antilock Brake System Schematic Icons
Antilock Brake System Schematic Icons
Antilock Brake System Schematic Icons
Antilock Brake System Schematic Icons
Antilock Brake System Schematic Icons
Figure 3:

Vehicle Stability Enhancement System (JL4)


Object Number: 642093  Size: FS
Master Electrical Component List
ABS Description and Operation
ABS Schematics-Suspension Inputs,Class 2, and Variable Effort Steering
ABS Schematics-Wheel Speed Sensors
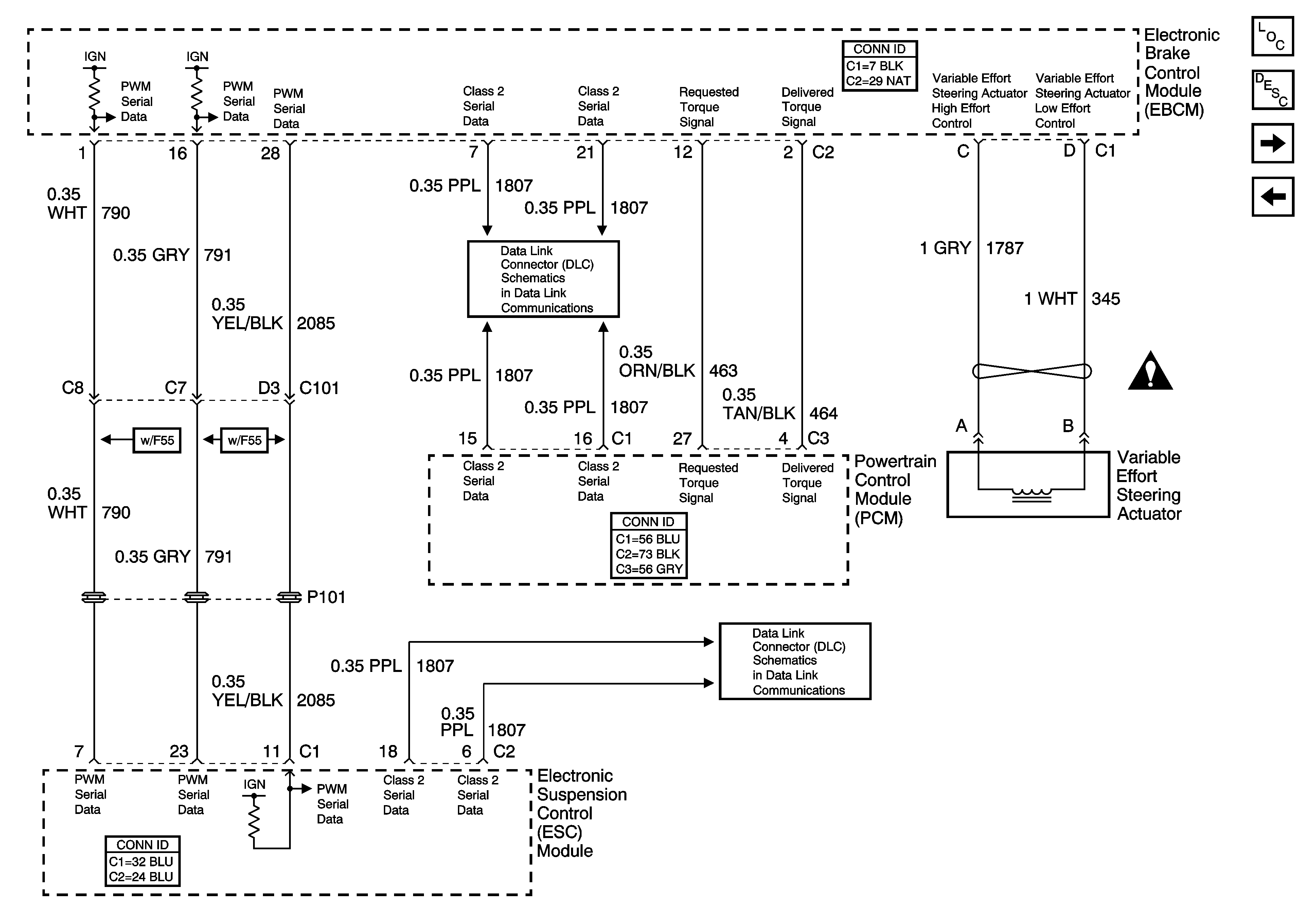
Figure 4:

Suspension Inputs (w/F45 or F55), Class 2, and Variable Effort Steering


Object Number: 1220918  Size: FS
Master Electrical Component List
ABS Description and Operation
ABS Schematics-Traction Control Switch and ABS Indicators
ABS Schematics-Vehicle Stability Enhancement System
Antilock Brake System Schematic Icons
Data Link Connector (DLC) Schematics-Serial Data Line (LH Drive) (1 of 2)
Data Link Connector (DLC) Schematics-Serial Data Line (LH Drive) (2 of 2)
Figure 5:

Traction Control Switch and ABS Indicators


Object Number: 791994  Size: FS
Master Electrical Component List
ABS Description and Operation
ABS Schematics-Suspension Inputs,Class 2, and Variable Effort Steering
Data Link Connector (DLC) Schematics-Serial Data Line (LH Drive) (1 of 2)
Ground Distribution Schematics-G300
Ground Distribution Schematics-G300