GM Service Manual Online
For 1990-2009 cars only
Makes
🢒
Cadillac
🢒
2004
🢒
Seville
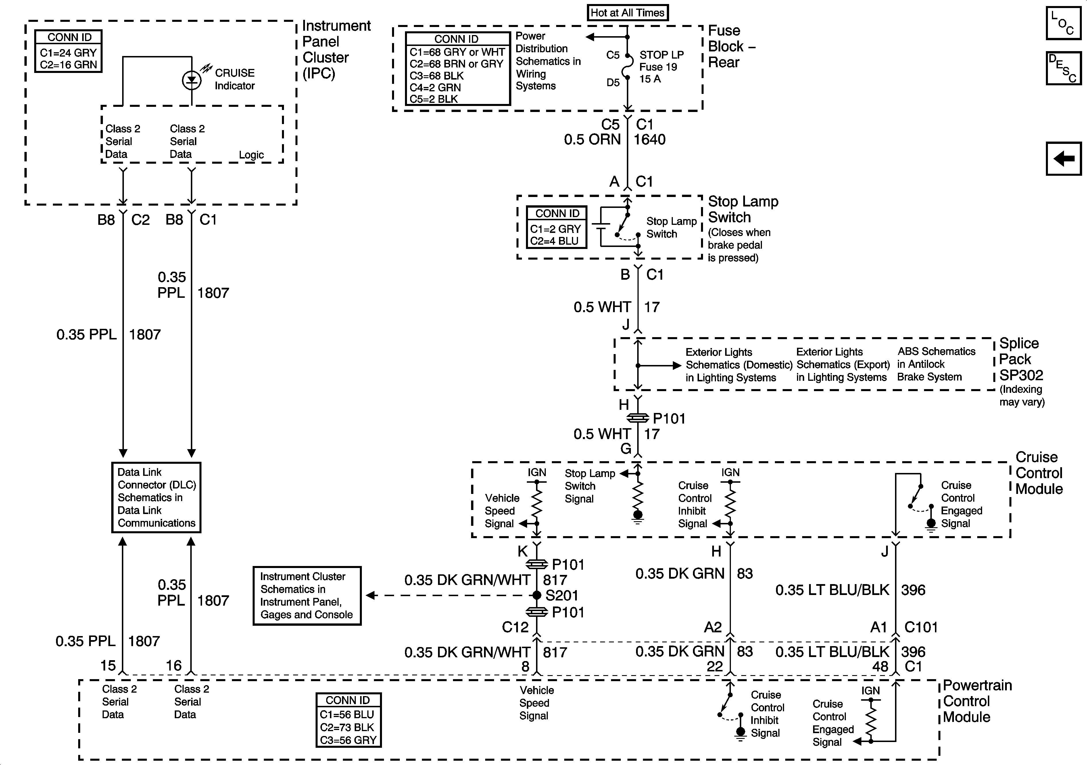
🢒 Cruise Control Schematics-PCM Controls and Class 2
Cruise Control Schematics-PCM Controls and Class 2
PCM Controls and Class 2
Master Electrical Component List
Cruise Control Description and Operation
Cruise Control Schematics-Cruise Control Module (CCM) Power and Ground
Power Distribution Schematics-Cigar Relay and Stop LP, Cigar, HVAC BLO Fuses
Exterior Lights Schematics-Stop Lamp Switch
Exterior Lights Schematics-Stop Lamp Switch
ABS Schematics-Power,Ground,Stop Lamp Switch,Solenoid Valves and Pump Motor
Data Link Connector (DLC) Schematics-Serial Data Line (LH Drive) (1 of 2)
Instrument Cluster Schematics-PCM Signals