GM Service Manual Online
For 1990-2009 cars only
Makes
🢒
Cadillac
🢒
2004
🢒
Seville
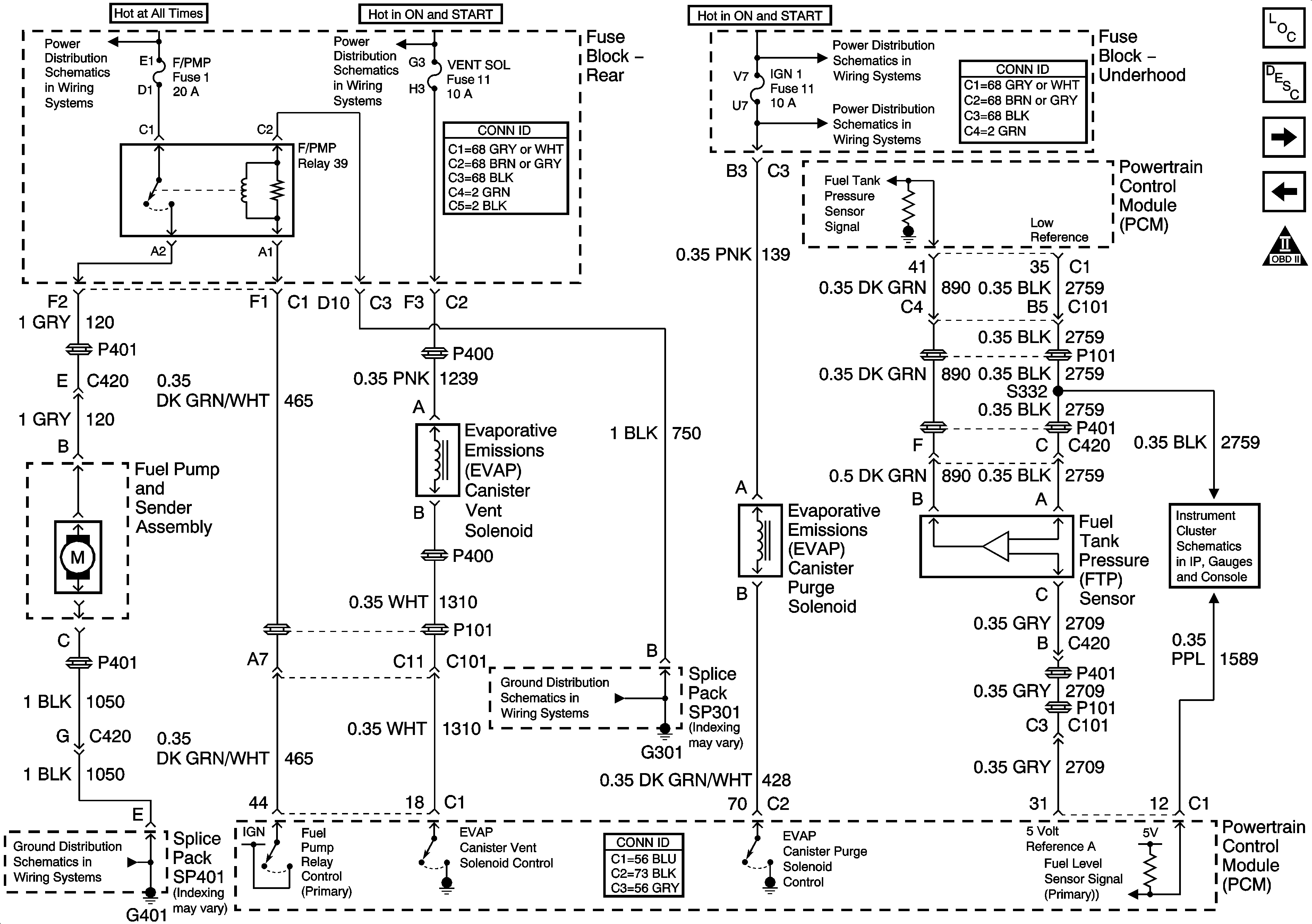
🢒 Engine Controls Schematics-Fuel Controls, Fuel Pump, and EVAP Controls
Engine Controls Schematics-Fuel Controls, Fuel Pump, and EVAP Controls
Fuel Controls -- Fuel Pump and EVAP Controls
Master Electrical Component List
Electronic Ignition (EI) System Description
Engine Controls Schematics-Fuel Controls and Fuel Injectors
Engine Controls Schematics-Ignition Controls Sensors
OBD II Symbol Description Notice
Power Distribution Schematics-Battery Feed to Fuse Block Rear
Power Distribution Schematics-Battery Feed to Fuse Block Rear
Power Distribution Schematics-Battery Feed to Fuseblock Underhood
Ground Distribution Schematics-G301
Ground Distribution Schematics-G401 (1 of 3)
Instrument Cluster Schematics-PCM Signals