GM Service Manual Online
For 1990-2009 cars only
Makes
🢒
Cadillac
🢒
2004
🢒
Seville
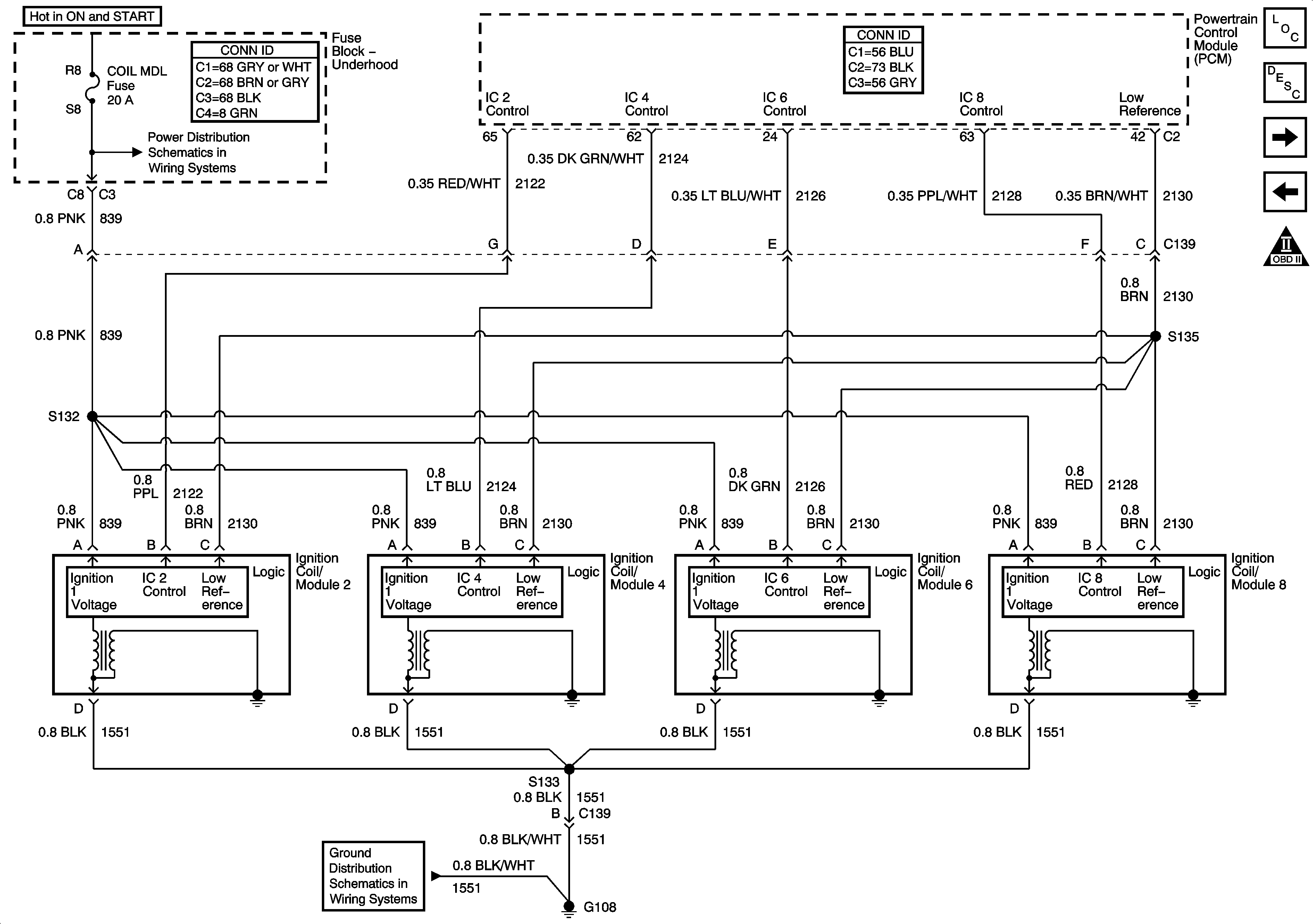
🢒 Even Ignition Coil Modules
Even Ignition Coil Modules
Ignition Coil/ Modules 2,4,6, and 8
Master Electrical Component List
Electronic Ignition (EI) System Description
Engine Controls Schematics-Ignition Controls Sensors
OBD II Symbol Description Notice
G108
Odd bank Ignition Modules
Coil Module Fuse