GM Service Manual Online
For 1990-2009 cars only
Makes
🢒
Cadillac
🢒
2004
🢒
Seville
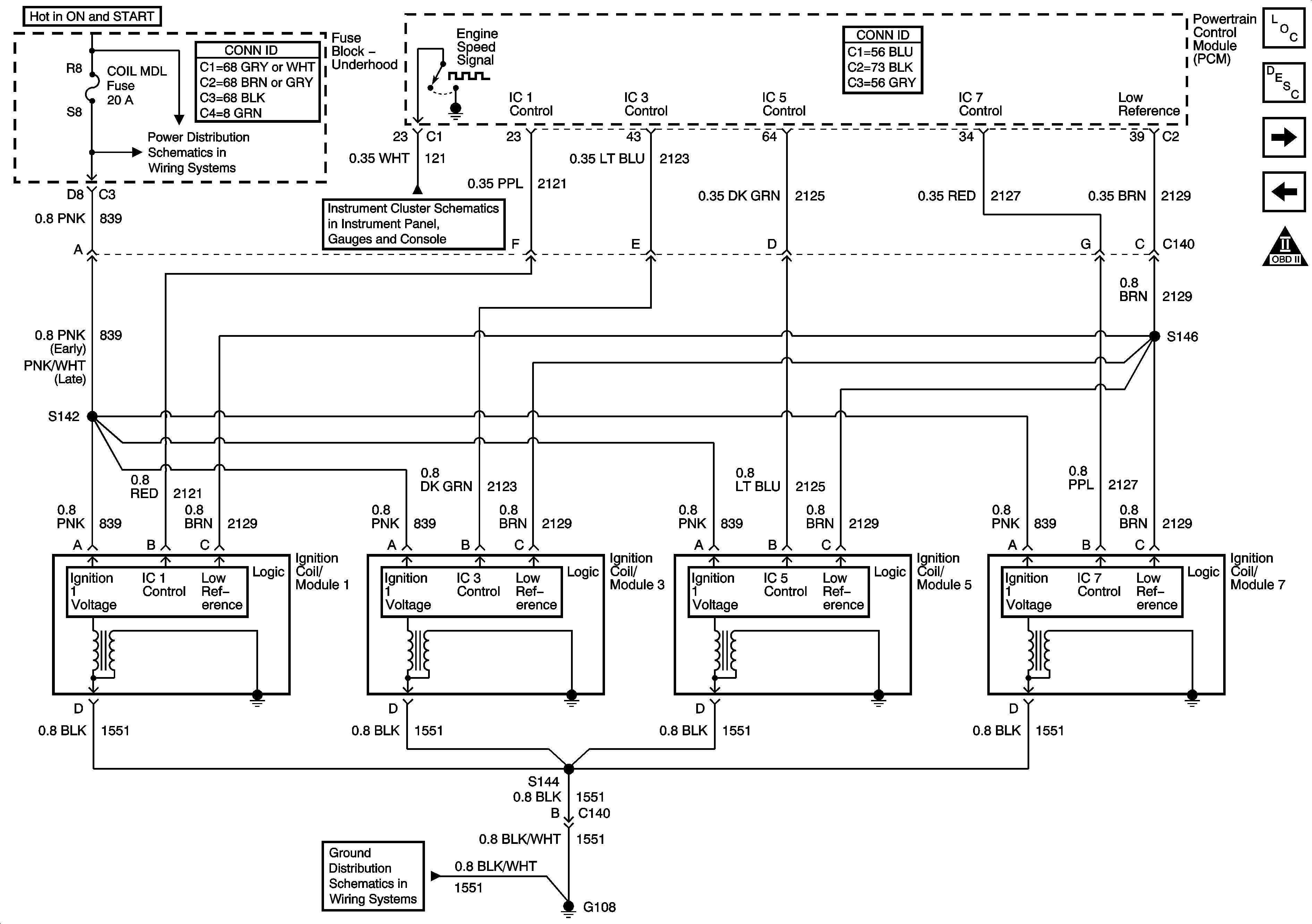
🢒 Odd bank Ignition Modules
Odd bank Ignition Modules
Ignition Coil/Module 1,3,5, and 7
Master Electrical Component List
Electronic Ignition (EI) System Description
Engine Controls Schematics-Engine Data Sensors (HO2S)
OBD II Symbol Description Notice
G108
Instrument Cluster Schematics-PCM Signals
Even Ignition Coil Modules
Coil Module Fuse