GM Service Manual Online
For 1990-2009 cars only
Makes
🢒
Cadillac
🢒
1998
🢒
Seville - RHD
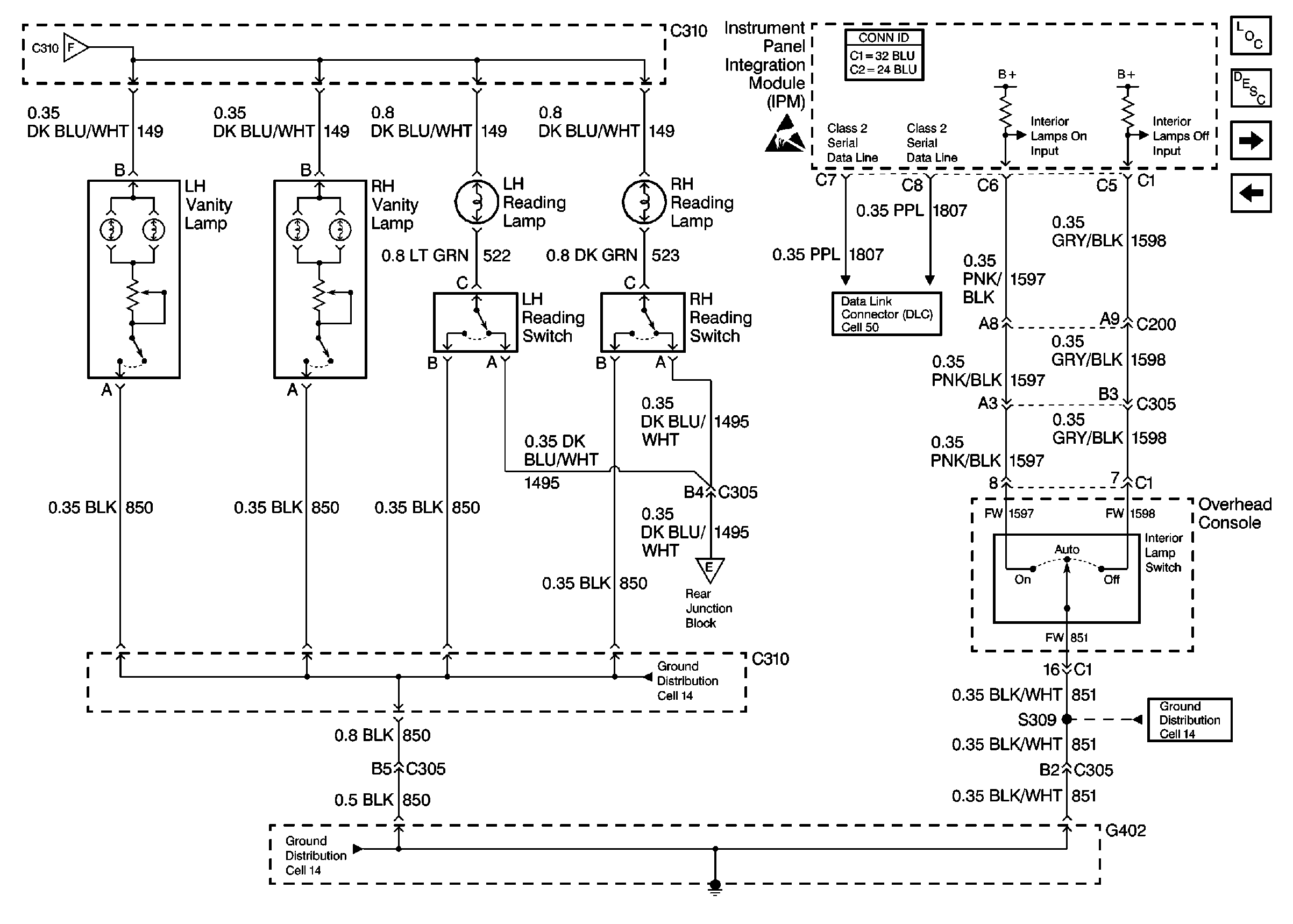
🢒 Cell 114: Vanity and Reading Lamps, Interior Lamp Switch
Cell 114: Vanity and Reading Lamps, Interior Lamp Switch
Cell 114: Vanity and Reading Lamps, Interior Lamp Switch
Lighting Systems Components
Interior Lights Circuit Description
Cell 114: RH Courtesy, IP Compartment, and Ignition Key Cylinder Lamps
Cell 114: Rear Compartment, LH Courtesy, and Overhead Console Lamps
Handling ESD Sensitive Parts Notice
Cell 14: G402 (1 of 2)
Cell 14: G402 (1 of 2)
Cell 14: G402 (1 of 2)
Cell 50: Class Serial Data Line (2 of 2)
Cell 114: Interior Lamp Relays
Cell 114: Rear Compartment, LH Courtesy, and Overhead Console Lamps
Body Control System Connector End Views