GM Service Manual Online
For 1990-2009 cars only
Makes
🢒
Cadillac
🢒
1998
🢒
Seville - RHD
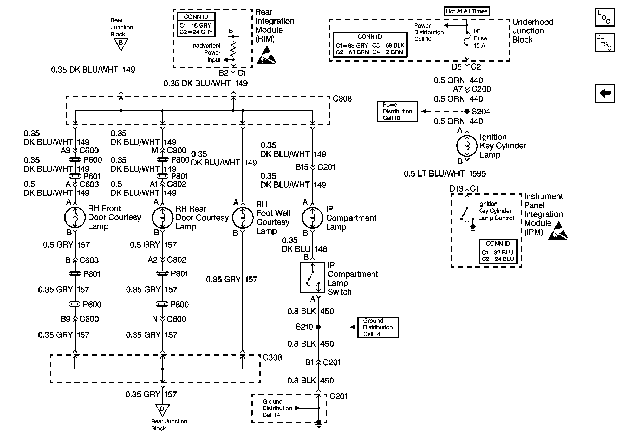
🢒 Cell 114: RH Courtesy, IP Compartment, and Ignition Key Cylinder Lamps
Cell 114: RH Courtesy, IP Compartment, and Ignition Key Cylinder Lamps
Cell 114: RH Courtesy, IP Compartment, and Ignition Key Cylinder Lamps
Lighting Systems Components
Interior Lights Circuit Description
Cell 114: Vanity and Reading Lamps, Interior Lamp Switch
Handling ESD Sensitive Parts Notice
Handling ESD Sensitive Parts Notice
Cell 10: PCM BATT, EXPORT BRK, IP, ABS SOL, and ABS MOT Fuses
Cell 10: PCM BATT, EXPORT BRK, IP, ABS SOL, and ABS MOT Fuses
Cell 14: G201 (2 of 2)
Cell 14: G201 (2 of 2)
Cell 114: Interior Lamp Relays
Cell 114: Interior Lamp Relays
Body Control System Connector End Views
Power and Grounding Connector End Views
Body Control System Connector End Views