GM Service Manual Online
For 1990-2009 cars only
Makes
🢒
Cadillac
🢒
1998
🢒
Seville - RHD
🢒 Cell 114: Interior Lamp Relays
Cell 114: Interior Lamp Relays
Cell 114: Interior Lamp Relays
Lighting Systems Components
Interior Lights Circuit Description
Cell 114: Rear Compartment, LH Courtesy, and Overhead Console Lamps
Cell 114: Door Jamb Switches
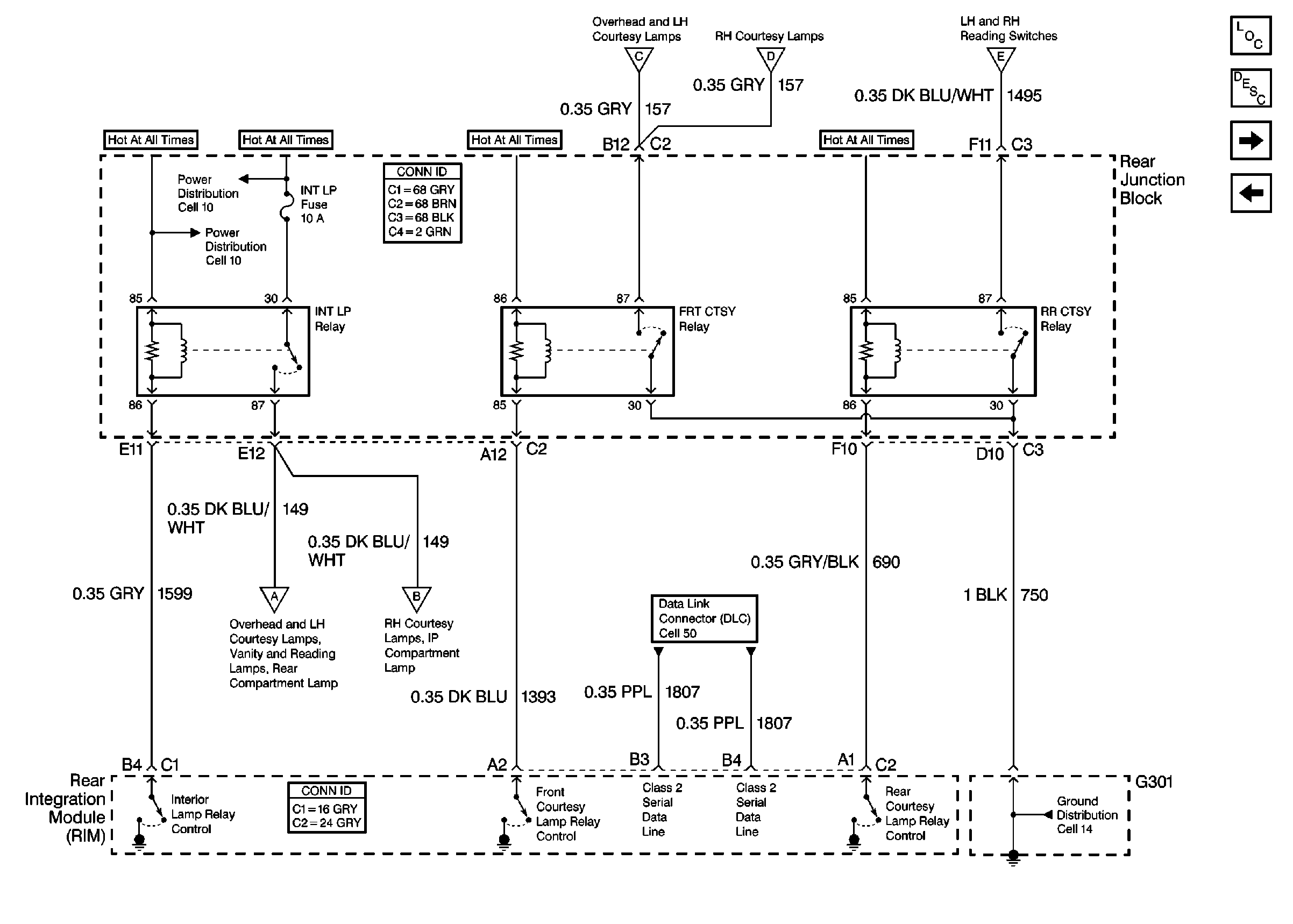
Cell 10: INT LP Fuse and Relay
Cell 10: INT LP Fuse and Relay
Cell 14: G301
Cell 114: Rear Compartment, LH Courtesy, and Overhead Console Lamps
Cell 114: RH Courtesy, IP Compartment, and Ignition Key Cylinder Lamps
Cell 114: Rear Compartment, LH Courtesy, and Overhead Console Lamps
Cell 114: RH Courtesy, IP Compartment, and Ignition Key Cylinder Lamps
Cell 114: Vanity and Reading Lamps, Interior Lamp Switch
Cell 50: Class Serial Data Line (1 of 2)
Power and Grounding Connector End Views
Body Control System Connector End Views