GM Service Manual Online
For 1990-2009 cars only
Figure 1:

CD Player and Radio Audio Signals, Ground, Messages, and Power


Object Number: 1205367  Size: FS
Master Electrical Component List
Radio/Audio System Description and Operation
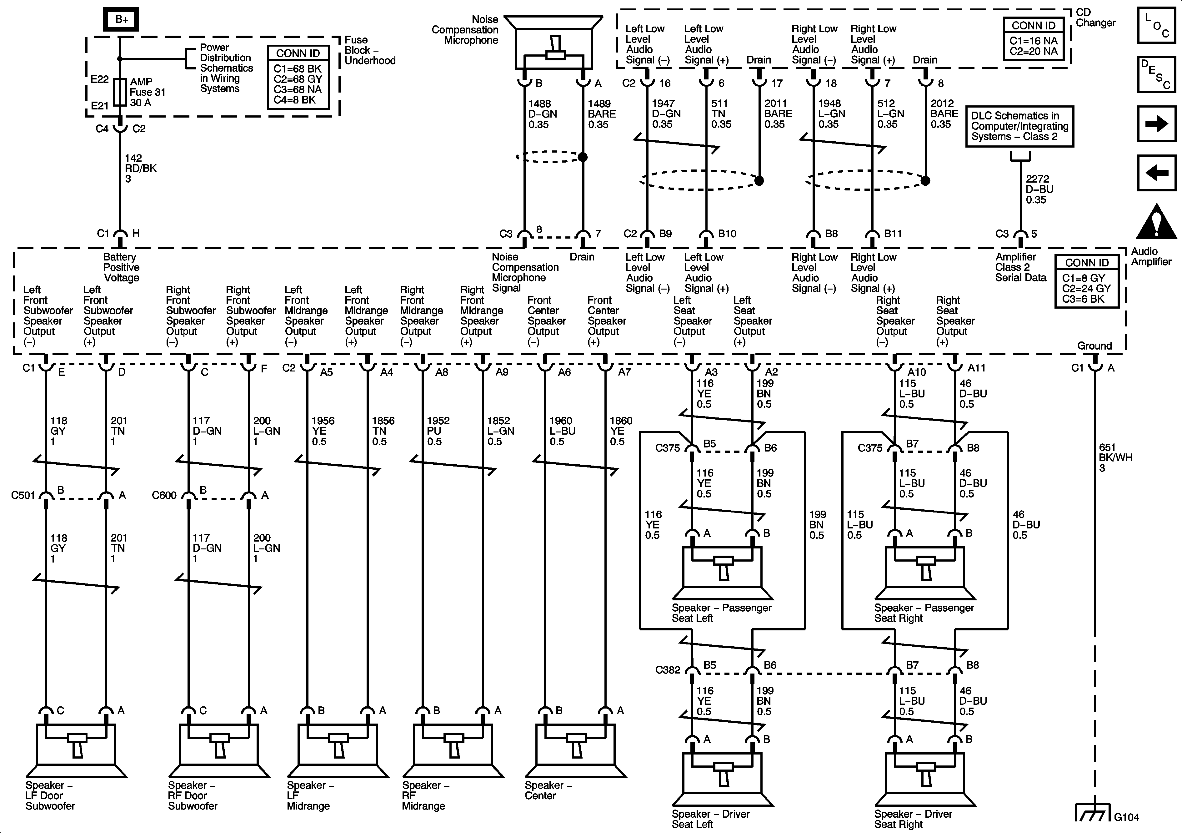
Amplification
Fuse Block-Underhood Fuses; BATT3 and STOP/B/U/LPS, BCM Fuses; BTSI SOL/COL LOCK, PWR FLDG MIR-EXT/RET, RADIO/ANT/VICS, REAR FOG/ALDL TOP SW, and REVERSE LAMPS
Gages
Class 2
Entertainment Schematic Icons
Figure 2:

Amplification


Object Number: 1205369  Size: FS
Master Electrical Component List
Radio/Audio System Description and Operation
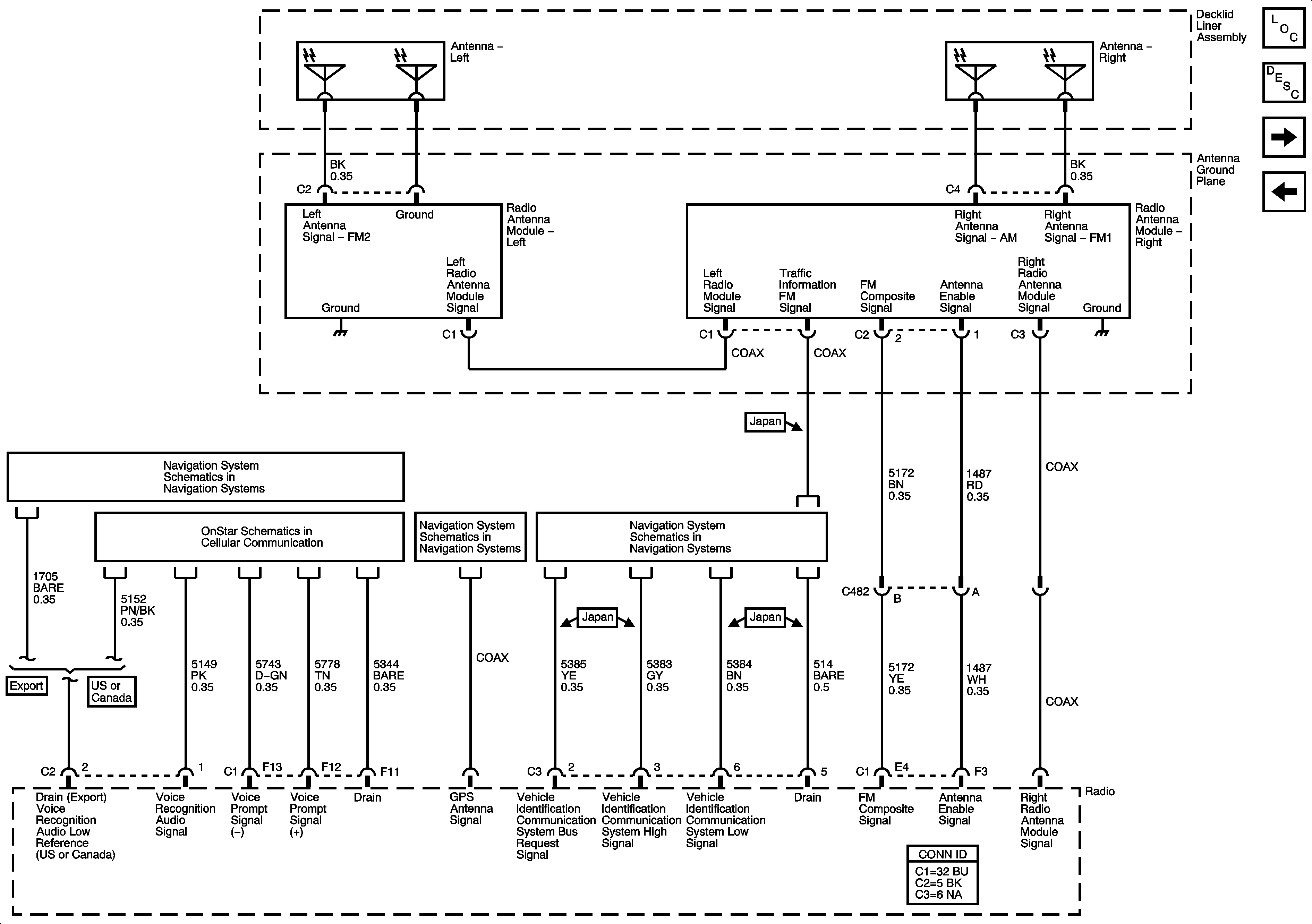
Antennas Except S-Band and References to Navigation and OnStar
CD Player and Radio Audio Signals, Ground, Messages, and Power
Entertainment Schematic Icons
Fuse Block-Underhood Bussing
Class 2
Figure 3:

Antennas Except S-Band, and References to Navigation and OnStar


Object Number: 1205371  Size: FS
Master Electrical Component List
Radio/Audio System Description and Operation
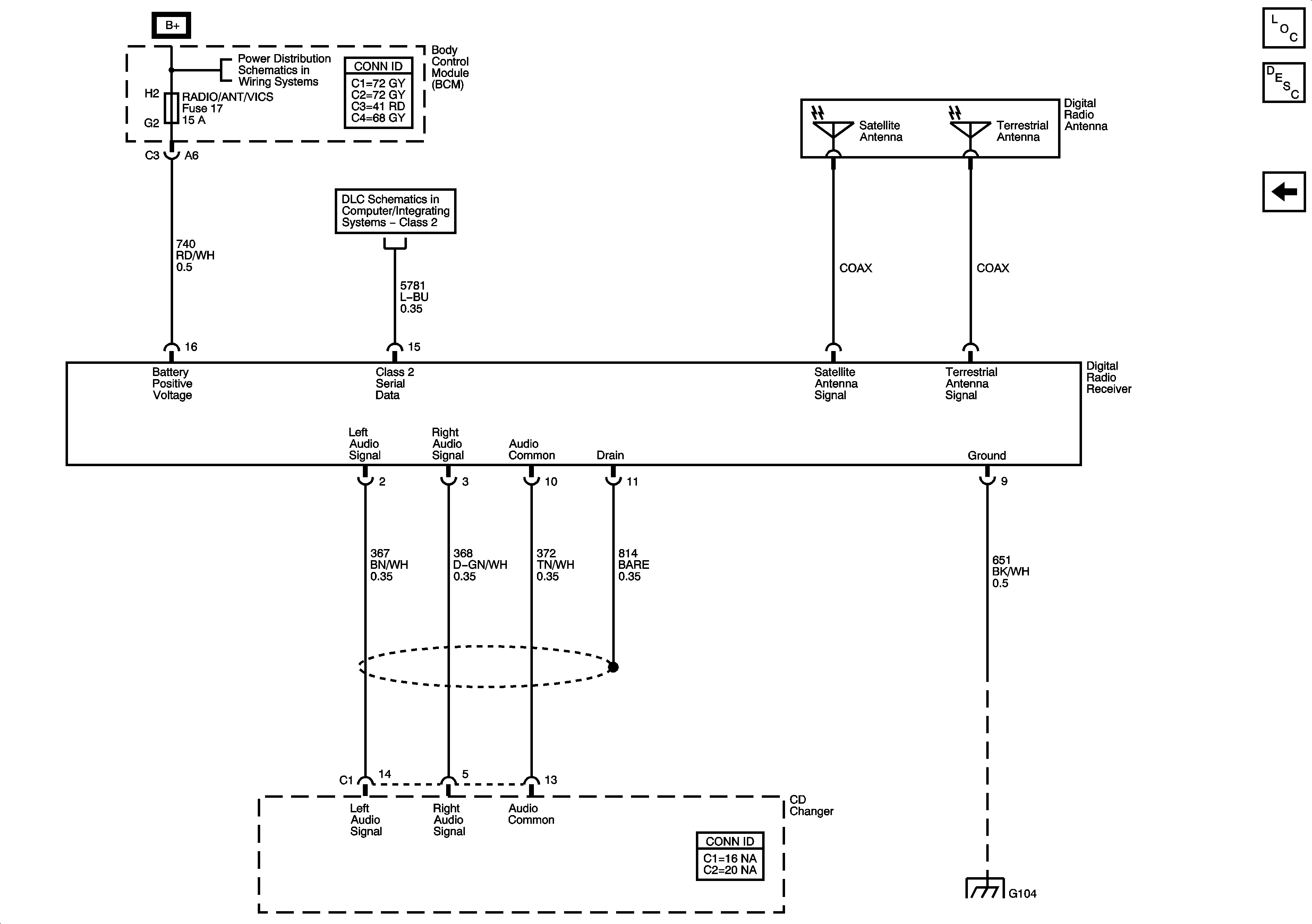
Digital Radio Receiver
Amplification
Except Japan
Audio Output
Except Japan
Japan
Figure 4:

Digital Radio Receiver


Object Number: 1205373  Size: FS
Master Electrical Component List
Radio/Audio System Description and Operation
Antennas Except S-Band and References to Navigation and OnStar
Fuse Block-Underhood Fuses; BATT3 and STOP/B/U/LPS, BCM Fuses; BTSI SOL/COL LOCK, PWR FLDG MIR-EXT/RET, RADIO/ANT/VICS, REAR FOG/ALDL TOP SW, and REVERSE LAMPS
Class 2