GM Service Manual Online
For 1990-2009 cars only
Makes
🢒
Cadillac
🢒
2005
🢒
XLR
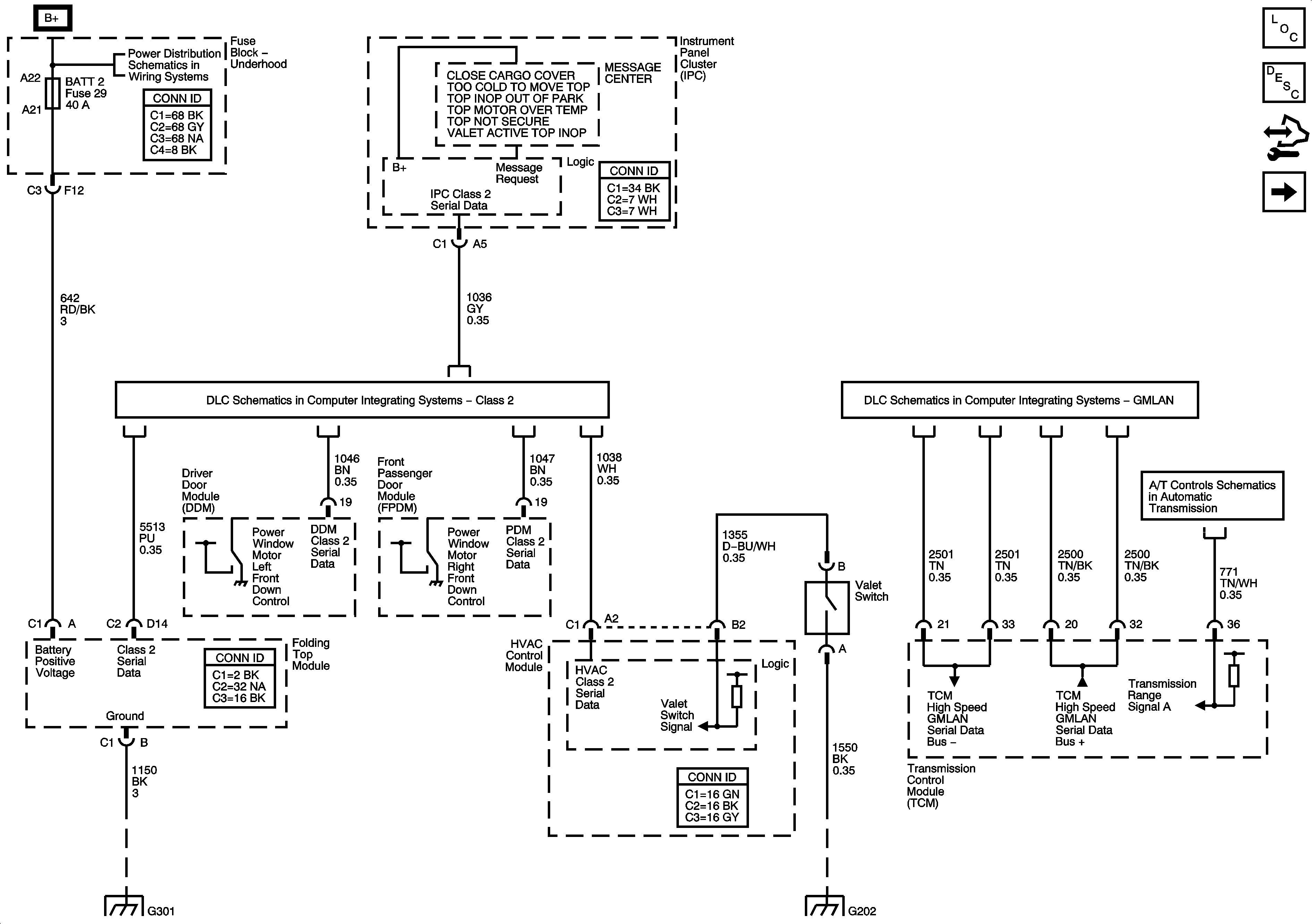
🢒 Power, Ground, DLC and Messages
Power, Ground, DLC and Messages
Power, Ground, DLC and Messages
Master Electrical Component List
Power Folding Top Description and Operation
Control Module References
Switches
Fuse Block - Underhood Bussing
DLC - Class 2
GMLAN
IMS, ISS, Solenoids, TFT and VSS
G301
G202 - 1 of 2