GM Service Manual Online
For 1990-2009 cars only
Makes
🢒
Cadillac
🢒
2005
🢒
XLR
🢒 Inside Rearview Mirror
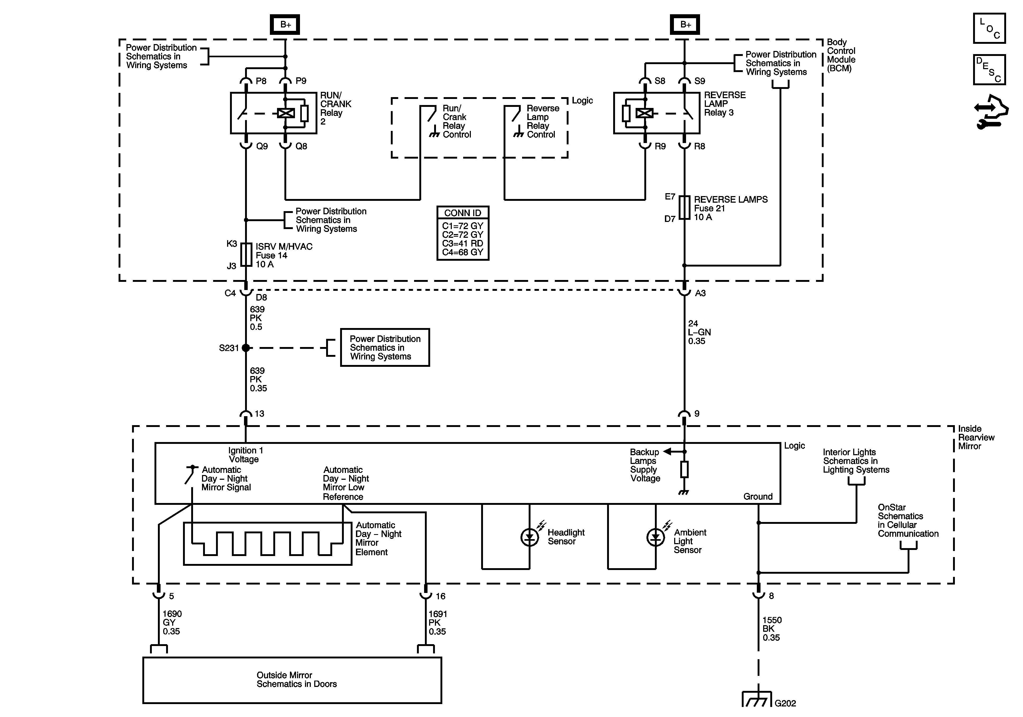
Inside Rearview Mirror
Master Electrical Component List
Automatic Day-Night Mirror Description and Operation
Control Module References
BCM Fuses - AC LATCH/PK BRK B, CLUSTER, DOOR LOCKS, HVAC/PWR SND, INTERIOR LIGHTS, ISRVM/HVAC, and TUTD SW/STRG COL SW
Fuse Block Underhood Fuses - BATT3, STOP/BULPS, BCM Fuses - BTSI SOL/COL LOCK, PWR FLDG MIR-EXT/RET, RADIO/ANT/VICS, REAR FOG/ALDL TOPSW, REVERSE LPS
BCM Fuses - AC LATCH/PK BRK B, CLUSTER, DOOR LOCKS, HVAC/PWR SND, INTERIOR LIGHTS, ISRVM/HVAC, and TUTD SW/STRG COL SW
BCM Fuses - AC LATCH/PK BRK B, CLUSTER, DOOR LOCKS, HVAC/PWR SND, INTERIOR LIGHTS, ISRVM/HVAC, and TUTD SW/STRG COL SW
Dimming Mirror, Heated Mirrors
Courtesy, Underhood, IP Compartment, Vanity Mirrors, Inside Rearview Mirror and Lamp Controls
Antenna, DLC, Ground, Power and User Inputs
G202 - 1 of 2