GM Service Manual Online
For 1990-2009 cars only
Makes
🢒
Cadillac
🢒
2006
🢒
XLR
🢒
Brakes
🢒
Antilock Brake System
🢒 Antilock Brake System Schematics
Figure
1:
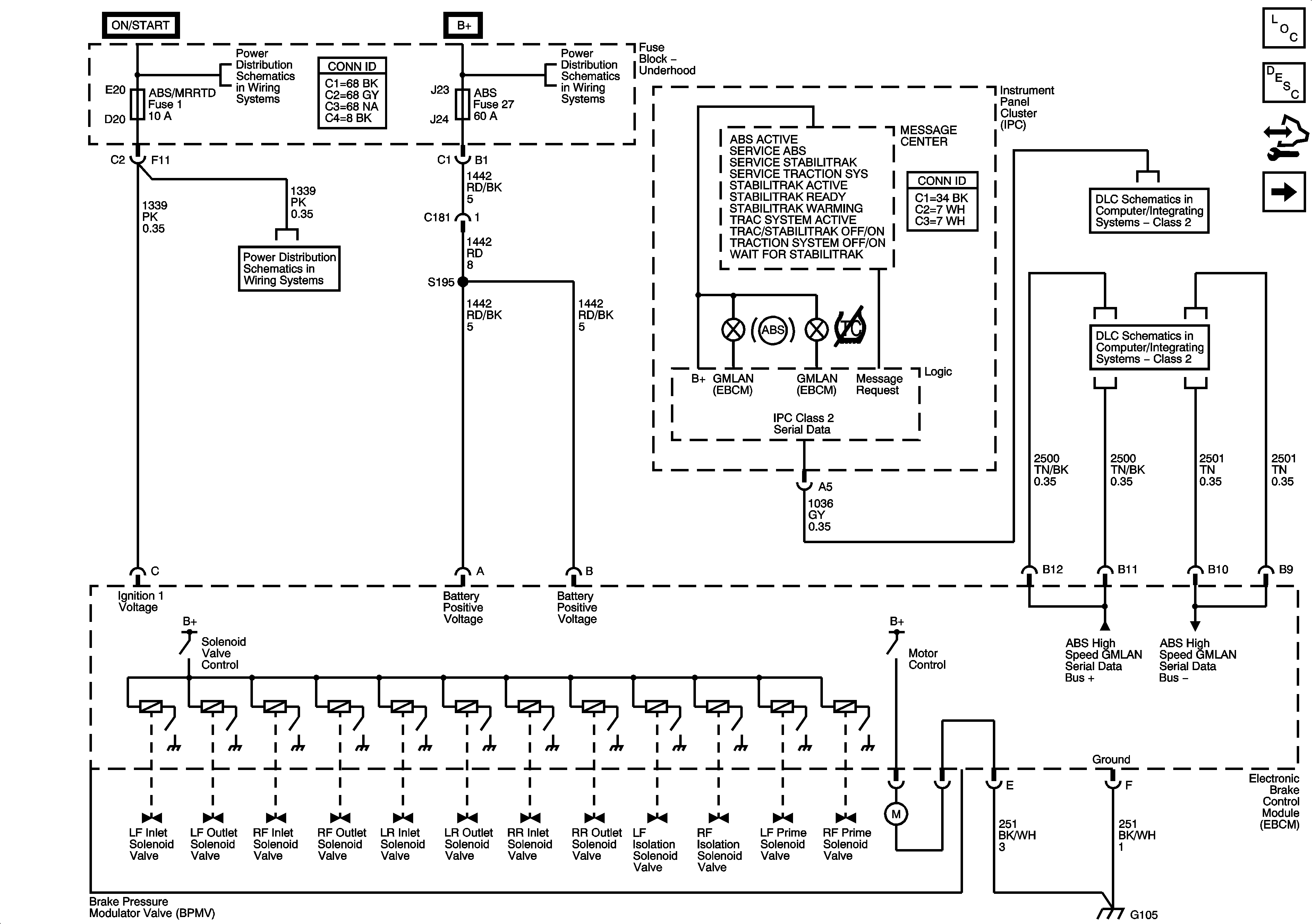
Ground, Indicators, Messages, and Power
Master Electrical Component List
ABS Description and Operation
Control Module References
Wheel Speed Sensors
BCM Fuses: ECM, GMLAN Devices, RPA/H/C SEAT and SDM/PSIR SW, Fuse Block Underhood Fuses - ABS/MRRTD, and ACC/TCM
BCM Fuses: ECM, GMLAN Devices, RPA/H/C SEAT and SDM/PSIR SW, Fuse Block Underhood Fuses - ABS/MRRTD, and ACC/TCM
Fuse Block Underhood Fuses: ABS, AMP, BATT2, COOLFAN, ECM/TCM, HORN, HVAC, MRRTD, W/S WASH
Class 2
GM LAN
G105 and G107
Figure
2:
Wheel Speed Sensors
Master Electrical Component List
ABS Description and Operation
Control Module References
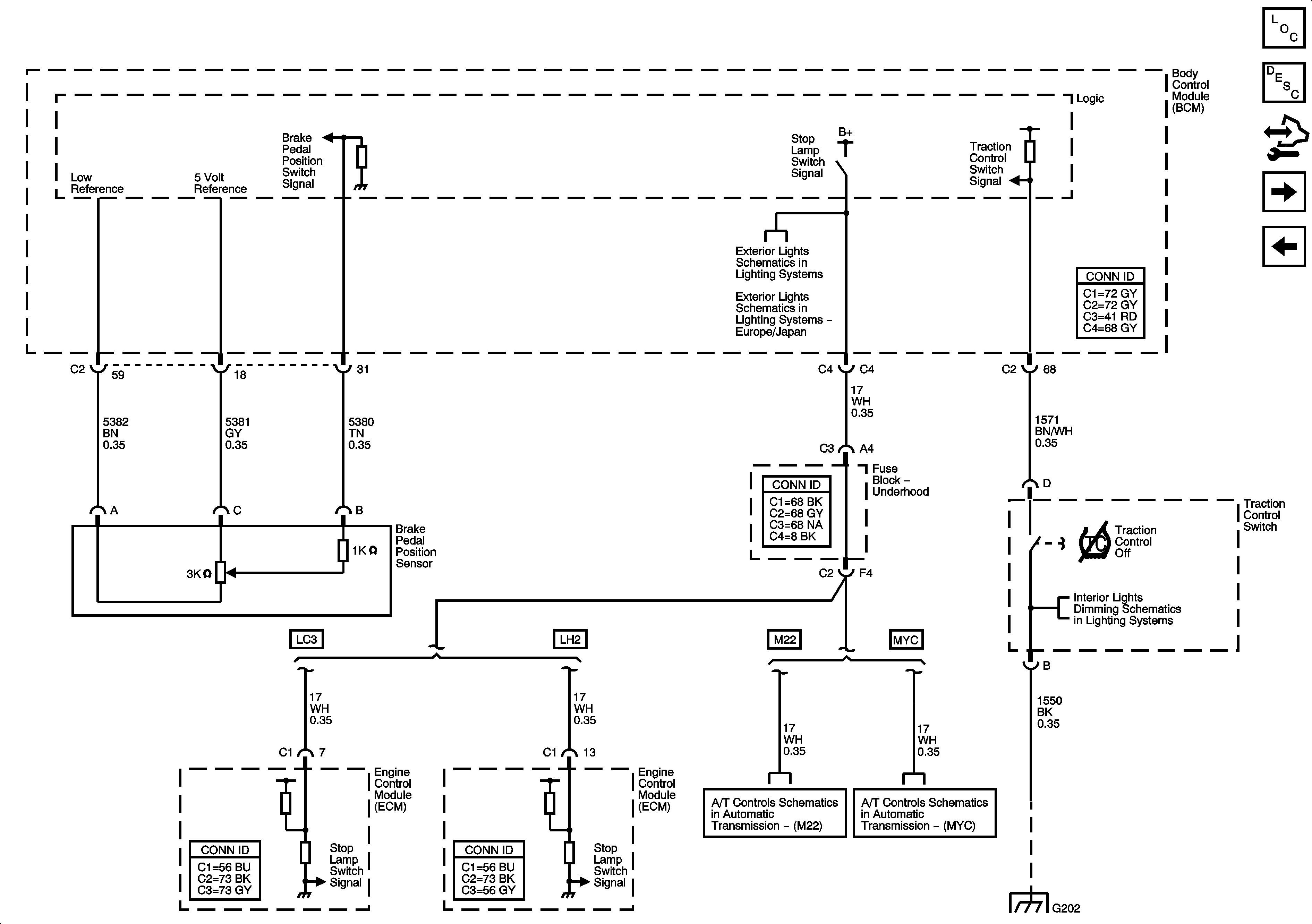
Brake Pedal Signal and Traction Control Switch
Ground, Indicators, Messages, and Power
Antilock Brake System Schematic Icons
Figure
3:
Brake Pedal Signal and Traction Control Switch
Master Electrical Component List
ABS Description and Operation
Control Module References
Stability Control Sensors
Wheel Speed Sensors
Turn Signal and Hazard Lamps (Domestic)
Stop Lamps
DLC, HVAC Control Module, Radio and Switches
Shift Lever
Shift Lever
G202 - 1 of 2
Figure
4:
Stability Control Sensors
Master Electrical Component List
ABS Description and Operation
Control Module References
Brake Pedal Signal and Traction Control Switch
Steering Controls Schematics