GM Service Manual Online
For 1990-2009 cars only
Figure 1:

Power, Ground, Messages, and Radio to CD Player Audio Signals


Object Number: 1757246  Size: FS
Master Electrical Component List
Radio/Audio System Description and Operation
Control Module References
Amplification
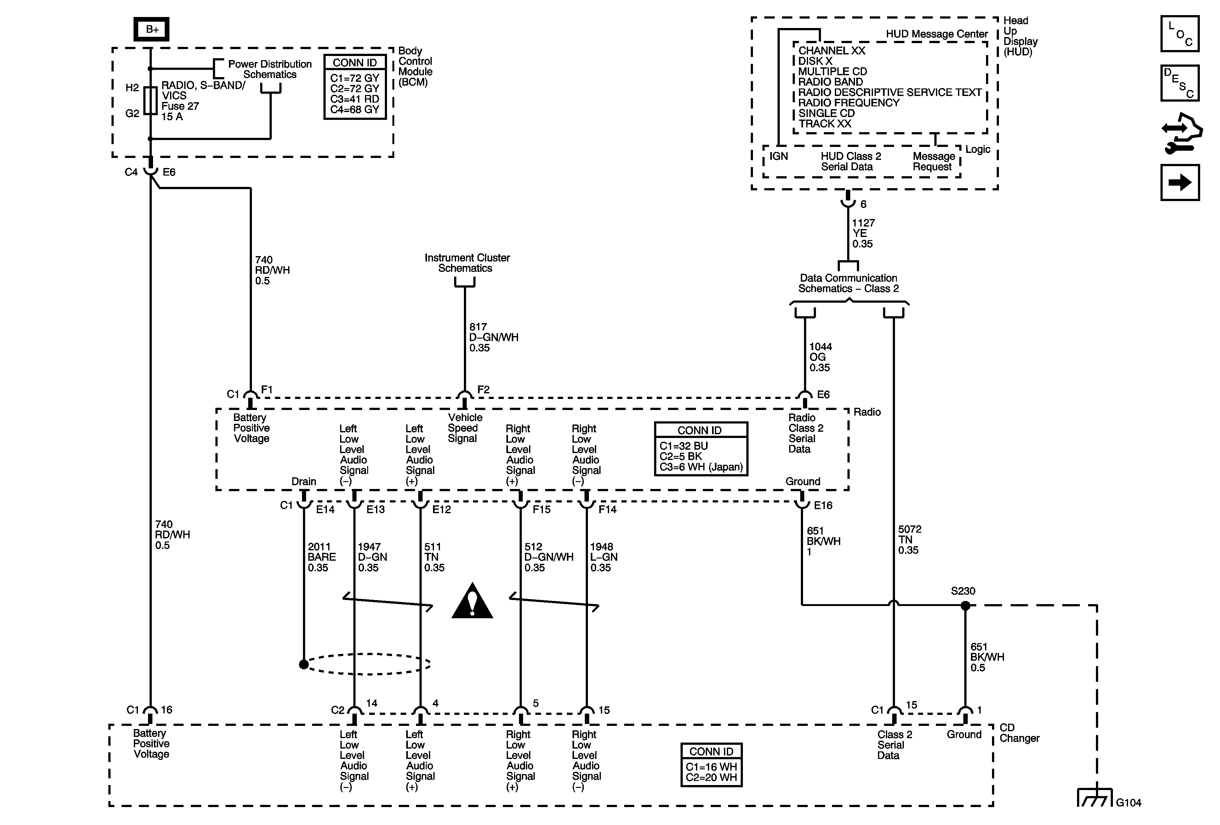
BATT 3, STOP/B/U/LPS, BTSI SOL/COL LOCK, RADIO/ANT/VICS, PWR FLDG MIR - EXT/RET, REAR FOG/ALDL TOP SW, REVERSE LAMPS Fuses, AND STOP LAMP, REVERSE LAMP Relays
BATT 3, STOP/B/U/LPS, BTSI SOL/COL LOCK, RADIO/ANT/VICS, PWR FLDG MIR - EXT/RET, REAR FOG/ALDL TOP SW, REVERSE LAMPS Fuses, AND STOP LAMP, REVERSE LAMP Relays
Gages
Class 2
Entertainment/Communication Schematic Icons
G104 and G106
Figure 2:

Amplification


Object Number: 1757247  Size: FS
Master Electrical Component List
Radio/Audio System Description and Operation
Control Module References
AM and FM Antennas and OnStar References
Power, Ground, Messages, and Radio to CD Player Audio Signals
Entertainment/Communication Schematic Icons
Fuse Block - Underhood Bussing
COOLFAN, AMP, HVAC, ABS, MRRTD, ECM/TCM, HORN, BATT 2 Fuses, and HORN, REAR DEFOG Relays
Class 2
G104 and G106
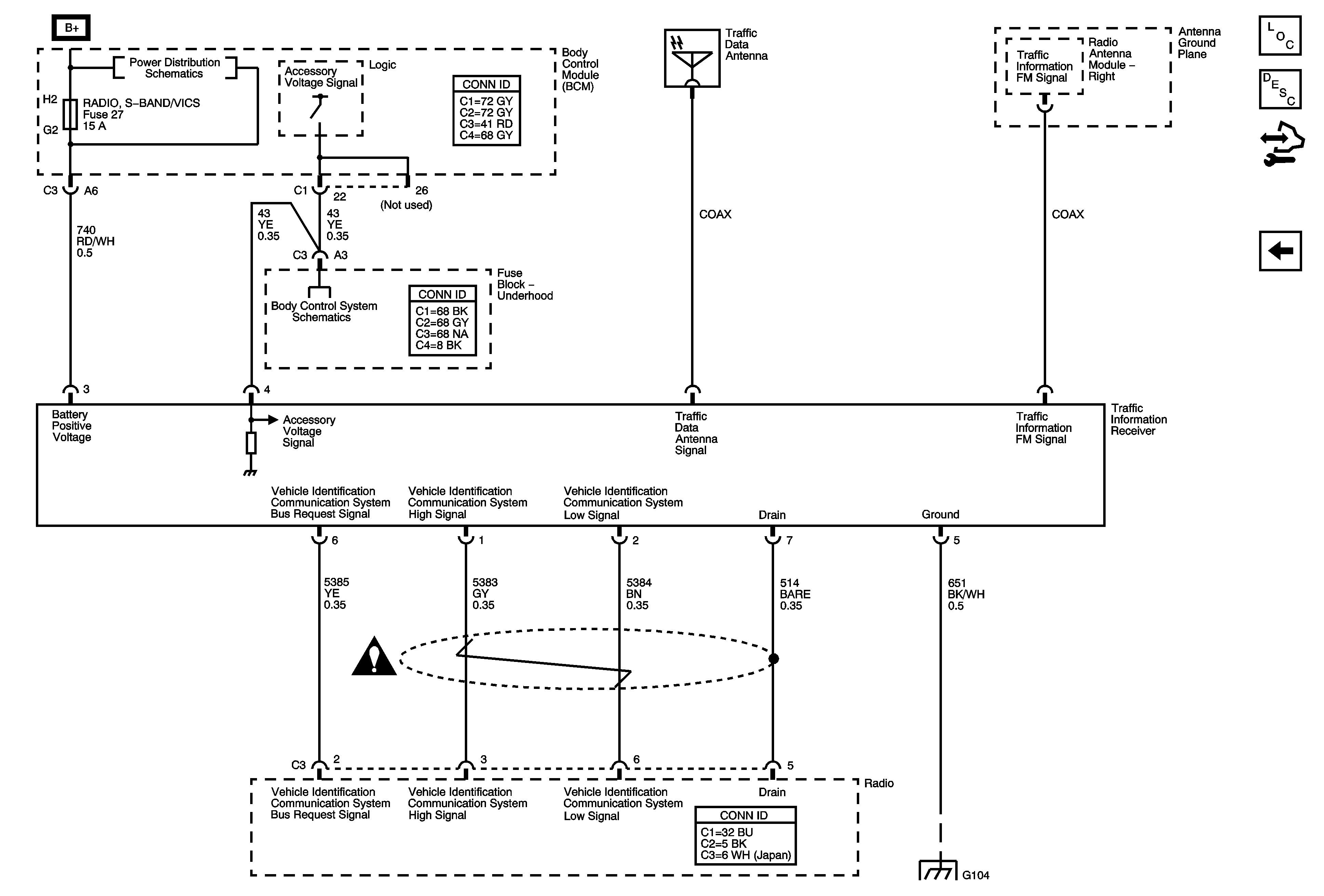
Figure 3:

AM and FM Antennas and OnStar References


Object Number: 1757248  Size: FS
Master Electrical Component List
Radio/Audio System Description and Operation
Control Module References
Digital Radio Receiver
Amplification
Navigation - Except Japan
Audio Output
Navigation - Except Japan
Navigation - Japan
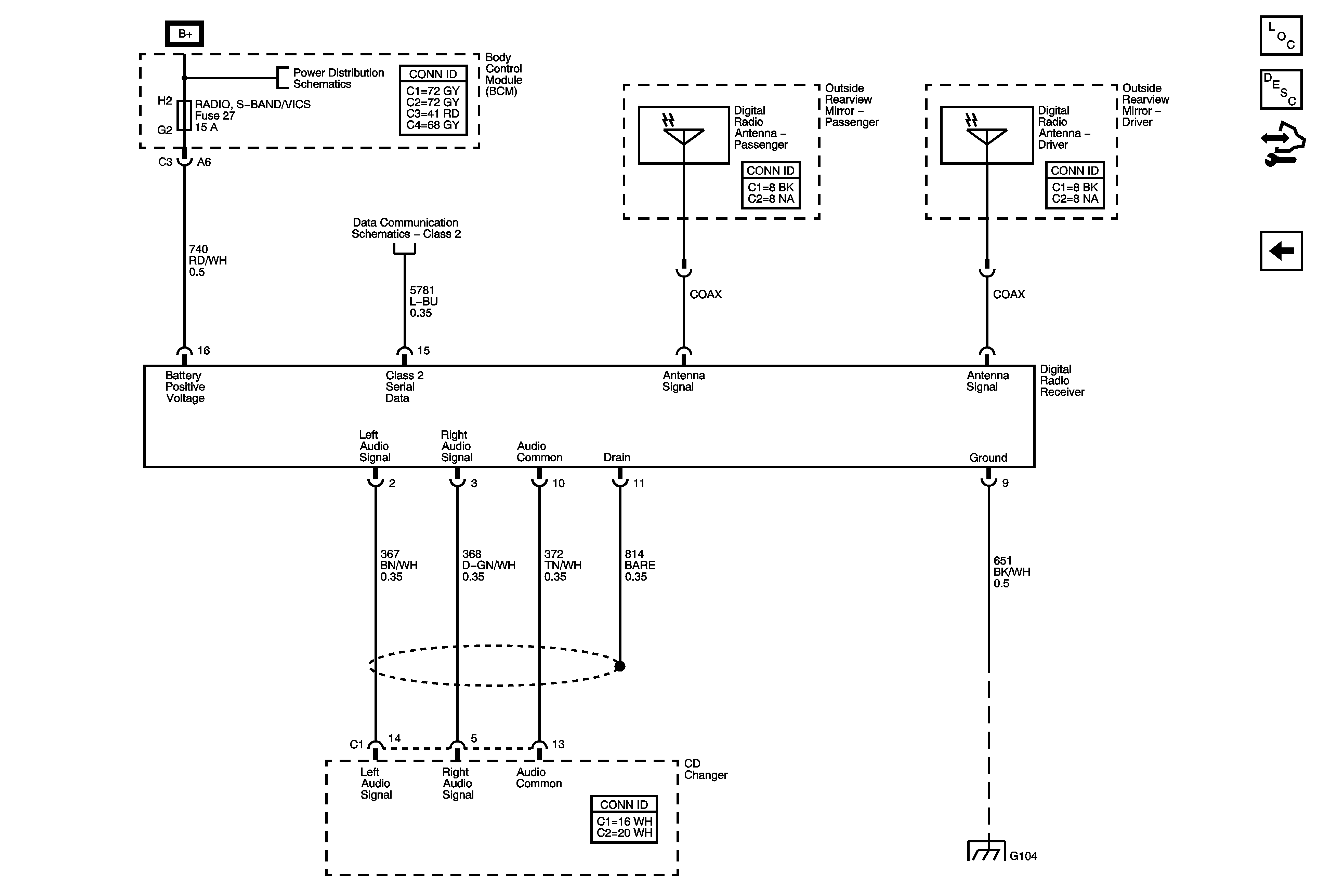
Figure 4:

Digital Radio Receiver


Object Number: 1757249  Size: FS
Master Electrical Component List
Radio/Audio System Description and Operation
Control Module References
AM and FM Antennas and OnStar References
BATT 3, STOP/B/U/LPS, BTSI SOL/COL LOCK, RADIO/ANT/VICS, PWR FLDG MIR - EXT/RET, REAR FOG/ALDL TOP SW, REVERSE LAMPS Fuses, AND STOP LAMP, REVERSE LAMP Relays
BATT 3, STOP/B/U/LPS, BTSI SOL/COL LOCK, RADIO/ANT/VICS, PWR FLDG MIR - EXT/RET, REAR FOG/ALDL TOP SW, REVERSE LAMPS Fuses, AND STOP LAMP, REVERSE LAMP Relays
Class 2
G104 and G106
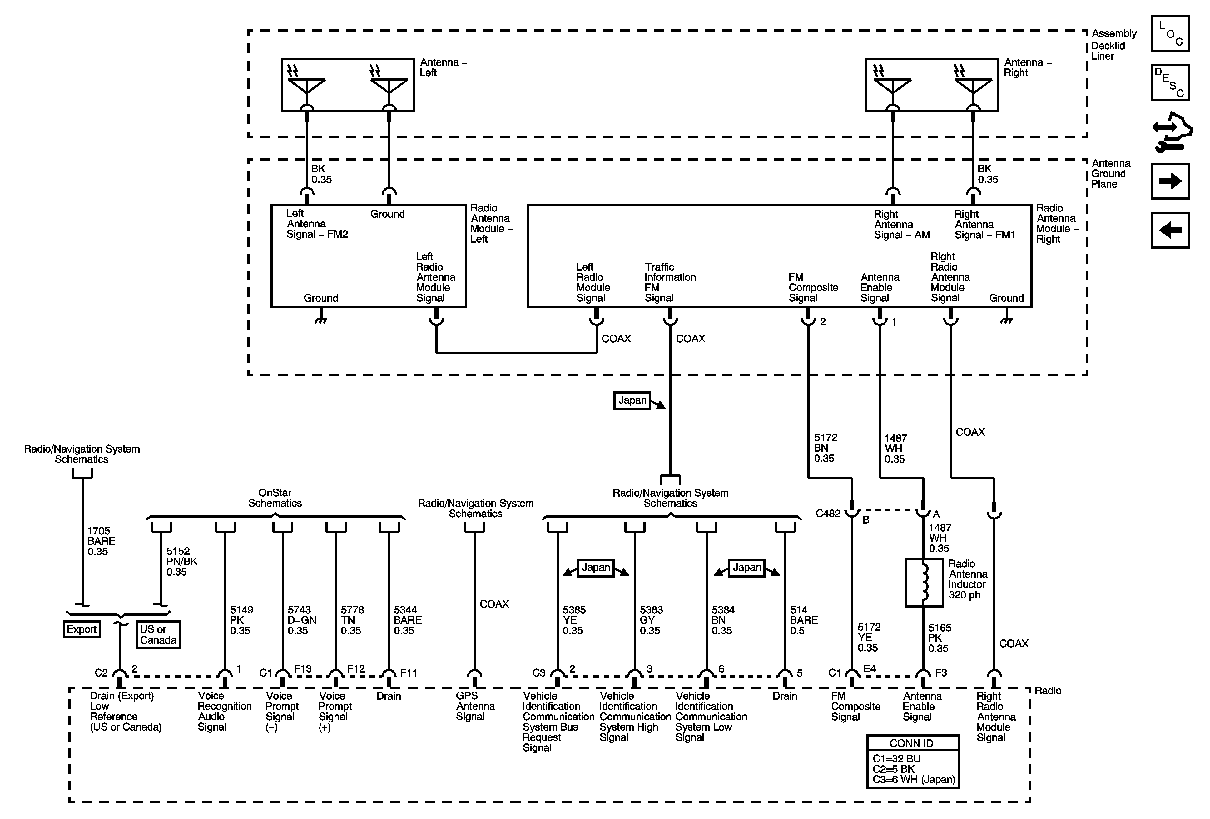
Figure 5:

Navigation - Except Japan


Object Number: 1757250  Size: FS
Master Electrical Component List
Navigation System Description and Operation
Control Module References
Navigation - Japan
Entertainment/Communication Schematic Icons
Entertainment/Communication Schematic Icons
Figure 6:

Navigation - Japan


Object Number: 1757251  Size: FS
Master Electrical Component List
Navigation System Description and Operation
Control Module References
Navigation - Except Japan
BATT 3, STOP/B/U/LPS, BTSI SOL/COL LOCK, RADIO/ANT/VICS, PWR FLDG MIR - EXT/RET, REAR FOG/ALDL TOP SW, REVERSE LAMPS Fuses, AND STOP LAMP, REVERSE LAMP Relays
BATT 3, STOP/B/U/LPS, BTSI SOL/COL LOCK, RADIO/ANT/VICS, PWR FLDG MIR - EXT/RET, REAR FOG/ALDL TOP SW, REVERSE LAMPS Fuses, AND STOP LAMP, REVERSE LAMP Relays
Class 2
Entertainment/Communication Schematic Icons
G104 and G106