GM Service Manual Online
For 1990-2009 cars only
Makes
🢒
Cadillac
🢒
2007
🢒
XLR
🢒
Diagnostic Navigation
🢒
Vehicle Diagnostic Information
🢒 Release Systems Schematics
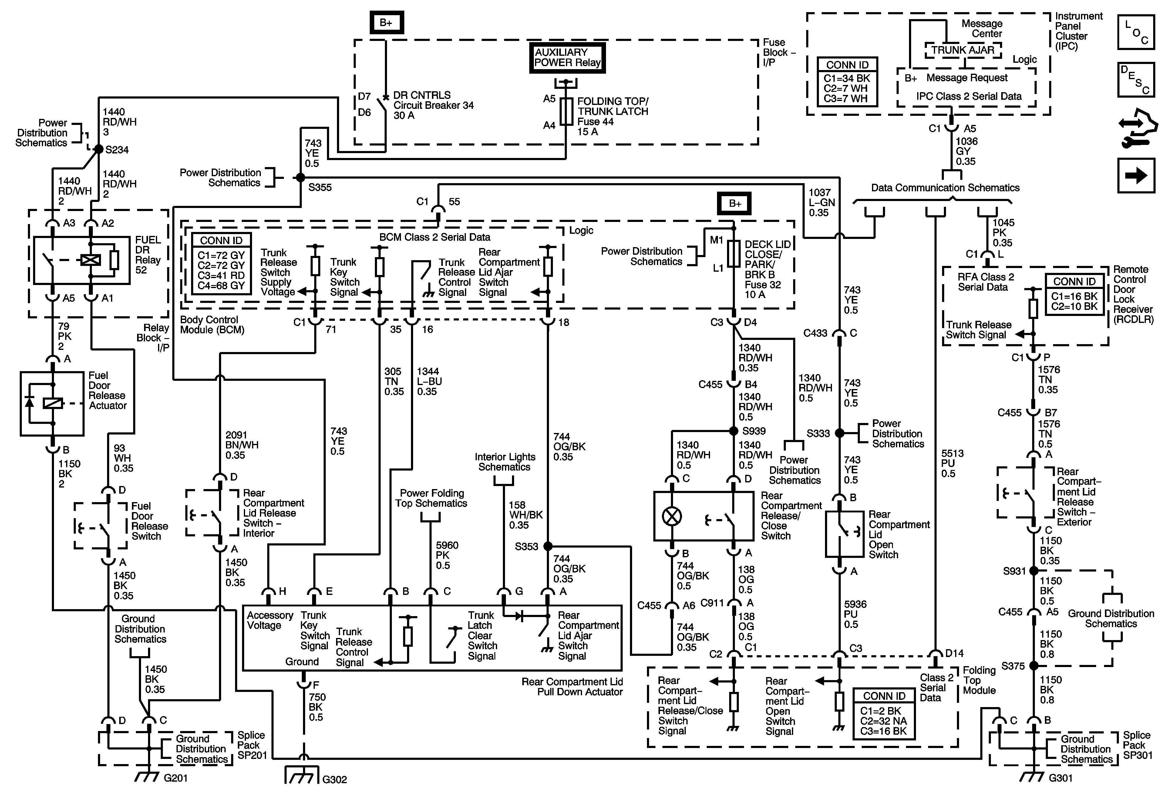
Figure
1:
Fuel Door and Rear Compartment Lid Release
Master Electrical Component List
Luggage Compartment Description and Operation (Coupe)
Control Module References
Valet Switch
Fuse Block - Underhood Bussing
Fuse Block - Underhood Bussing
BATT 1, HEATED SEAT LH, HEATED SEAT RH, POWER LUMBAR LH/RH Fuses, and DOOR CONTROLS, POWER SEATS Circuit Breakers, and FUEL DOOR Relay
Ignition Mode Switch
CIGAR LIGHTER, AUXILIARY POWER, FLDG TOP/TRUNK LATCH, COLUMN LK MODULE Fuses, and AUXILIARY POWER Relay
CIGAR LIGHTER, AUXILIARY POWER, FLDG TOP/TRUNK LATCH, COLUMN LK MODULE Fuses, and AUXILIARY POWER Relay
Fuse Block - Underhood Bussing
BATT 3, STOP/B/U/LPS, BTSI SOL/COL LOCK, RADIO/ANT/VICS, PWR FLDG MIR - EXT/RET, REAR FOG/ALDL TOP SW, REVERSE LAMPS Fuses, AND STOP LAMP, REVERSE LAMP Relays
CLUSTER, A.C. LATCH/PK BRK B, DOOR LOCKS, INTERIOR LIGHTS, HVAC/PWR SND, ISRVM/HVAC, TUTD SW/STRG COL SW FUSES, and RUN/CRANK Relay 2
CLUSTER, A.C. LATCH/PK BRK B, DOOR LOCKS, INTERIOR LIGHTS, HVAC/PWR SND, ISRVM/HVAC, TUTD SW/STRG COL SW FUSES, and RUN/CRANK Relay 2
Class 2
Door and Rear Compartment Courtesy Lamps
Switches
G301
G201
G302, G401, and G402
G201
G202
G301
G301
Figure
2:
Valet Switch
Master Electrical Component List
Luggage Compartment Description and Operation
Control Module References
Fuel Door and Rear Compartment Lid Release
G202