GM Service Manual Online
For 1990-2009 cars only
Figure 1:

Memory Power Mirrors


Object Number: 1757071  Size: FS
Master Electrical Component List
Outside Mirror Description and Operation
Control Module References
Dimming Mirror and Heated Mirrors
Power Folding Mirrors - Export
Power, Ground, DLC, Switches, and References
Class 2
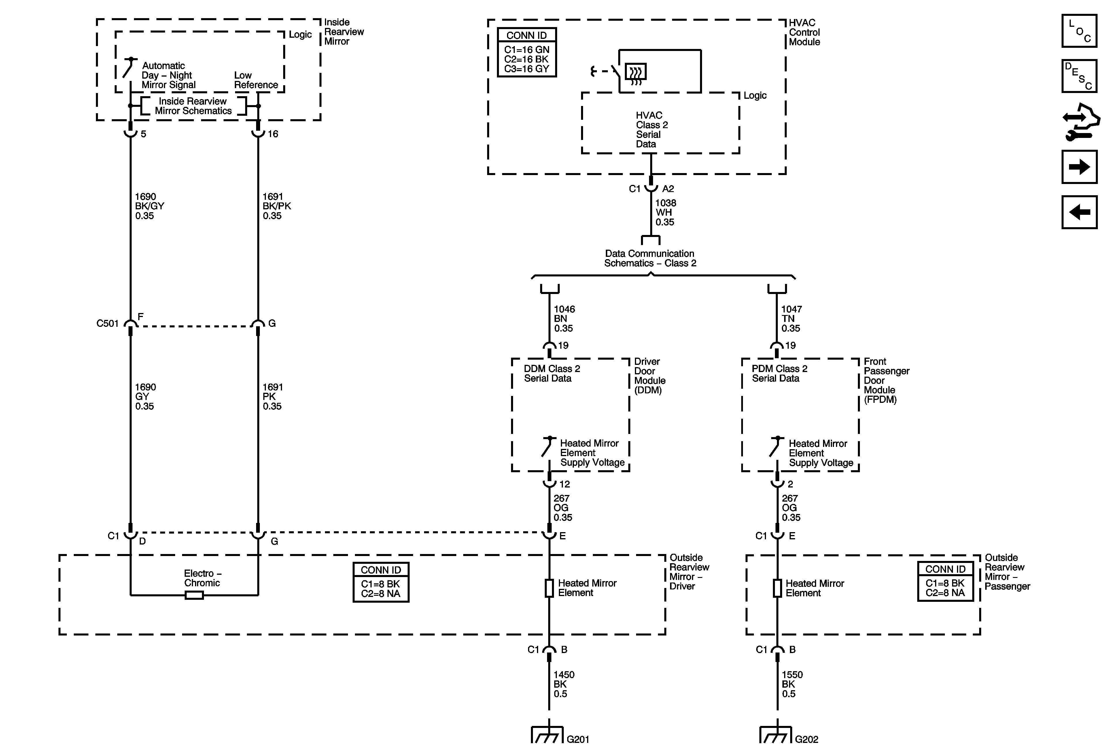
Figure 2:

Dimming Mirror and Heated Mirrors


Object Number: 1757074  Size: FS
Master Electrical Component List
Outside Mirror Description and Operation
Control Module References
Power Folding Mirrors - Export
Memory Power Mirrors
Class 2
G201
G202
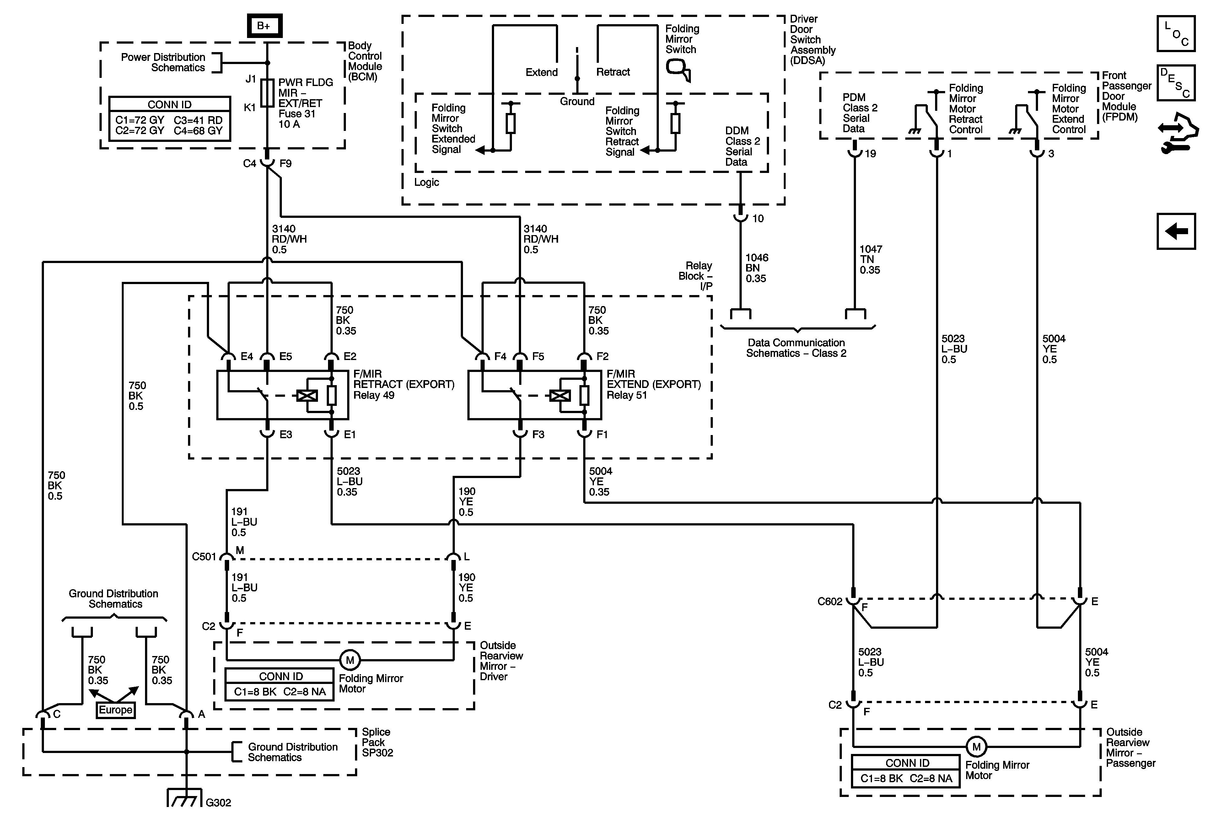
Figure 3:

Power Folding Mirrors - Export


Object Number: 1757076  Size: FS
Master Electrical Component List
Outside Mirror Description and Operation
Control Module References
Dimming Mirror and Heated Mirrors
BATT 3, STOP/B/U/LPS, BTSI SOL/COL LOCK, RADIO/ANT/VICS, PWR FLDG MIR - EXT/RET, REAR FOG/ALDL TOP SW, REVERSE LAMPS Fuses, AND STOP LAMP, REVERSE LAMP Relays
BATT 3, STOP/B/U/LPS, BTSI SOL/COL LOCK, RADIO/ANT/VICS, PWR FLDG MIR - EXT/RET, REAR FOG/ALDL TOP SW, REVERSE LAMPS Fuses, AND STOP LAMP, REVERSE LAMP Relays
Class 2
G302, G401, and G402
G302, G401, and G402
G302, G401, and G402