GM Service Manual Online
For 1990-2009 cars only
Makes
🢒
Cadillac
🢒
2007
🢒
XLR
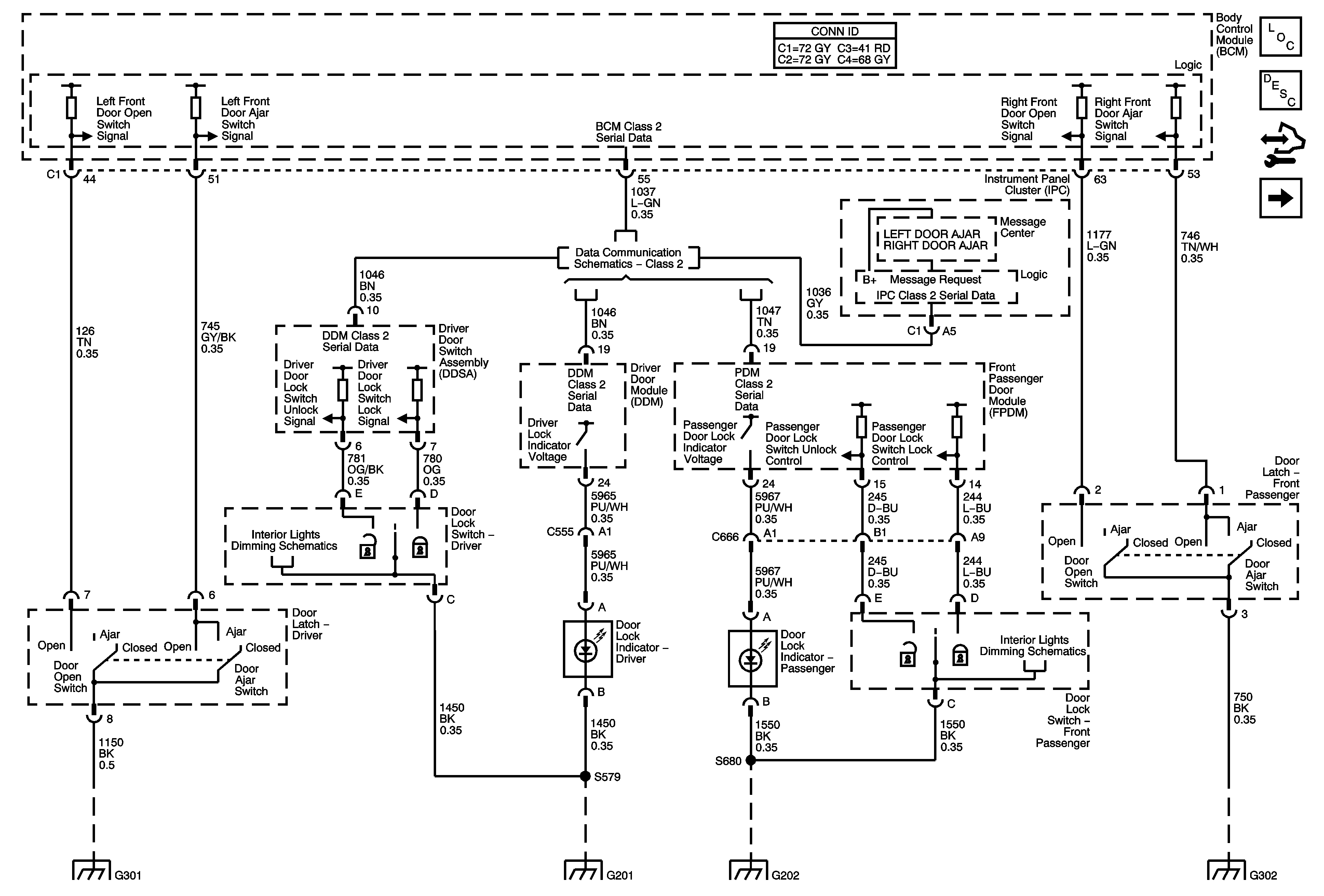
🢒 Indicators, Messages, and Ajar/Open/Lock Switches
Indicators, Messages, and Ajar/Open/Lock Switches
Indicators, Messages, and Ajar/Open/Lock Switches
Master Electrical Component List
Power Door Locks Description and Operation
Control Module References
Actuators and Handle Switches
Class 2
DLC, HVAC Control Module, Radio, and Switches
G301
G201
G201
G202
G202
G302, G401, and G402