GM Service Manual Online
For 1990-2009 cars only

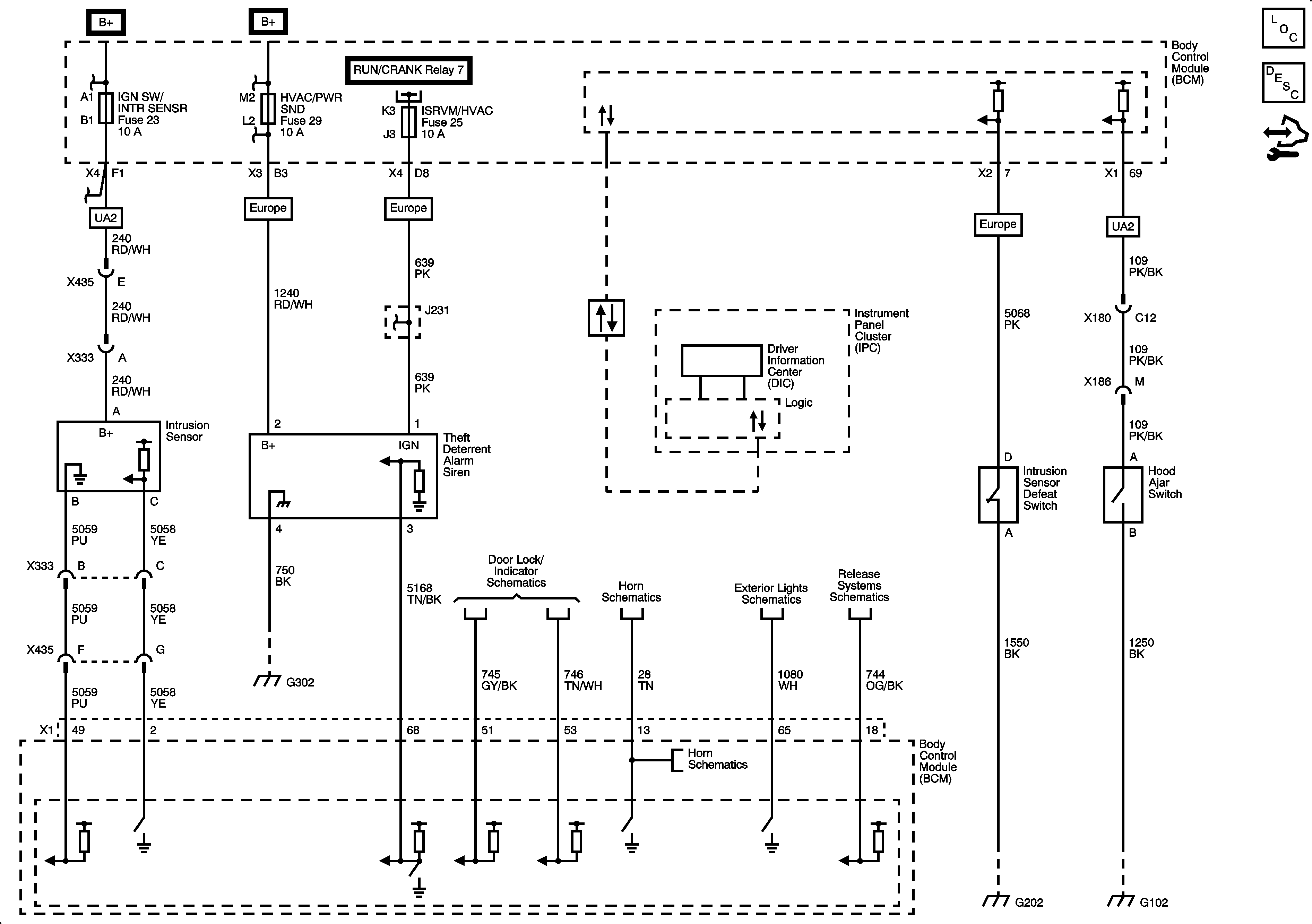
Theft Deterrent System Schematics


Object Number: 1899921  Size: FS
Master Electrical Component List
Content Theft Deterrent (CTD) Description and Operation
Control Module References
Ignition Mode Switch
BATT5, TILT/TELE SW/MEM SEAT MOD, ACCA/DRIV DR SW, IGN SW/INTR SENSR, ONSTAR, and PRK BRK SOLA Fuses
CLSTR/HUD, DECK LID CLOSE/PARK/BRK B, DR LOCKS, INTERIOR LIGHTS, HVAC/PWR SND, ISRVM/HVAC, TUTD SW STRG COL SW Fuses, and RUN/CRANK Relay
CLSTR/HUD, DECK LID CLOSE/PARK/BRK B, DR LOCKS, INTERIOR LIGHTS, HVAC/PWR SND, ISRVM/HVAC, TUTD SW STRG COL SW Fuses, and RUN/CRANK Relay
CLSTR/HUD, DECK LID CLOSE/PARK/BRK B, DR LOCKS, INTERIOR LIGHTS, HVAC/PWR SND, ISRVM/HVAC, TUTD SW STRG COL SW Fuses, and RUN/CRANK Relay
Power, Ground, and Class 2
Indicators, Messages, and Ajar/Open/Lock Switches
Horn Schematics
Horn Schematics
Park Lamps
Fuel Door, and Rear Compartment Lid Release
G302, G401, and G402
G202
G102