GM Service Manual Online
For 1990-2009 cars only

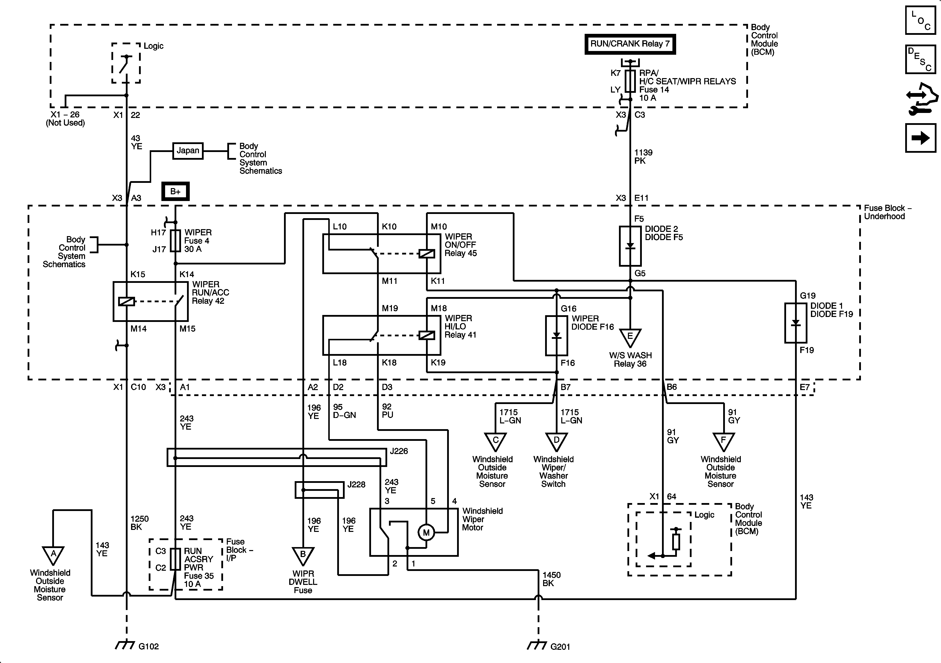
Power, Ground, and Wiper Motor

Power, Ground, and Wiper Motor


Object Number: 1899927  Size: FS
Master Electrical Component List
Wiper/Washer System Description and Operation
Control Module References
Wiper Switch, Washers, and Outside Moisture Sensor
CLSTR/HUD, DECK LID CLOSE/PARK/BRK B, DR LOCKS, INTERIOR LIGHTS, HVAC/PWR SND, ISRVM/HVAC, TUTD SW STRG COL SW Fuses, and RUN/CRANK Relay
RPA/H/C SEAT/WIPR RELAYS, GMLAN DEVICES, ECM, SCMPSIR SW, ACC/TCM, and ABS/MRRTD/AFS Fuses
Power, Ground, and DLC
Power, Ground, and DLC
Fuse Block - Underhood Bussing
Wiper Switch, Washers, and Outside Moisture Sensor
Wiper Switch, Washers, and Outside Moisture Sensor
Wiper Switch, Washers, and Outside Moisture Sensor
Wiper Switch, Washers, and Outside Moisture Sensor
Wiper Switch, Washers, and Outside Moisture Sensor
Wiper Switch, Washers, and Outside Moisture Sensor
G102
G102
G201