GM Service Manual Online
For 1990-2009 cars only
Makes
🢒
Cadillac
🢒
2008
🢒
XLR
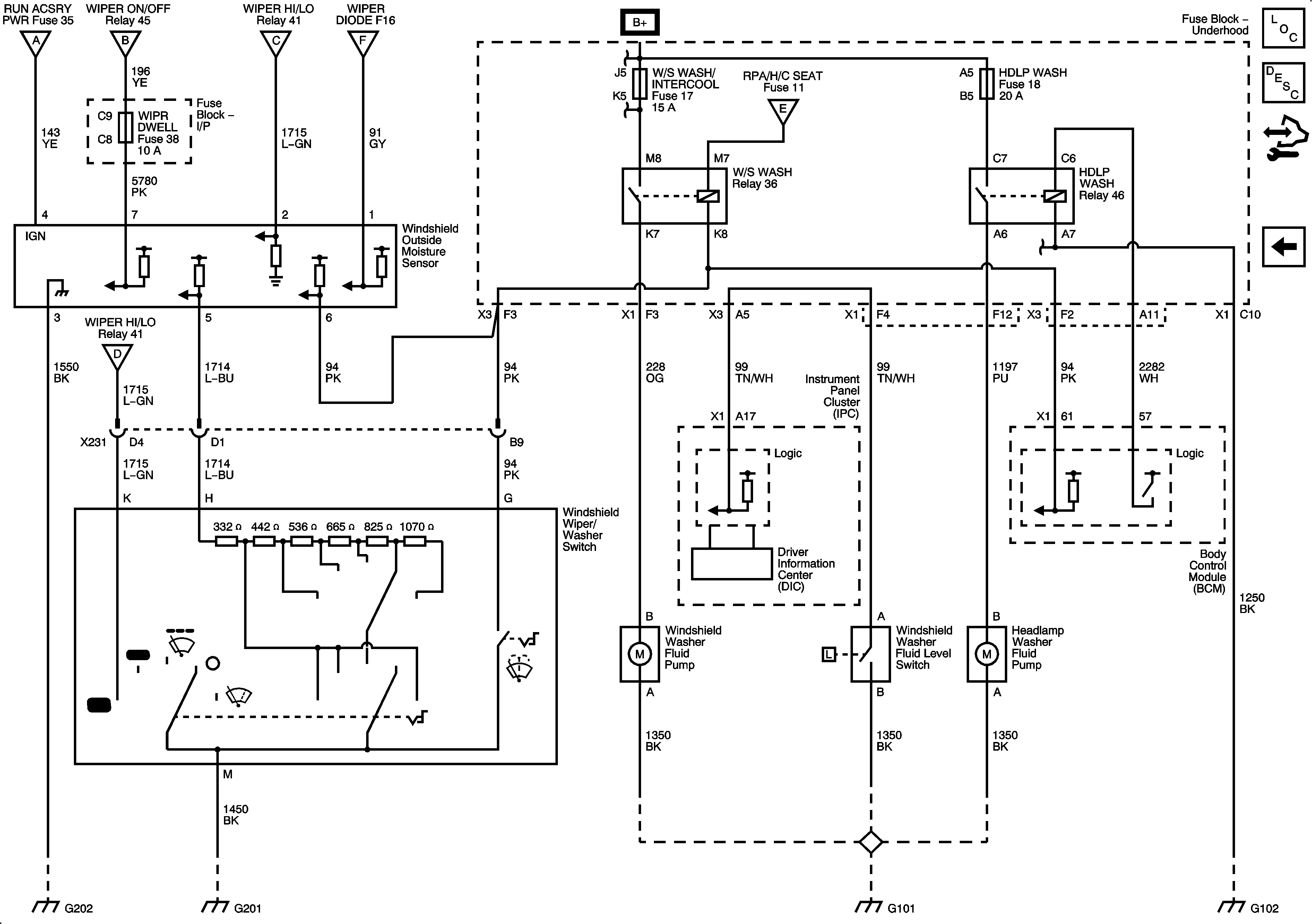
🢒 Wiper Switch, Washers, and Outside Moisture Sensor
Wiper Switch, Washers, and Outside Moisture Sensor
Wiper Switch, Washers, and Outside Moisture Sensor
Master Electrical Component List
Headlamp Washer System Description and Operation
Control Module References
Power, Ground, and Wiper Motor
Fuse Block - Underhood Bussing
COOLFAN, AMP, HVAC, ABS, W/S WASH/INTERCOOL, MRRTD, ECM/TCM, HORN, and BATT2 Fuses
Power, Ground, and Wiper Motor
Power, Ground, and Wiper Motor
Power, Ground, and Wiper Motor
G102
G202
G201
G101
G102