GM Service Manual Online
For 1990-2009 cars only
Makes
🢒
Chevrolet
🢒
1997
🢒
Astro - 2WD
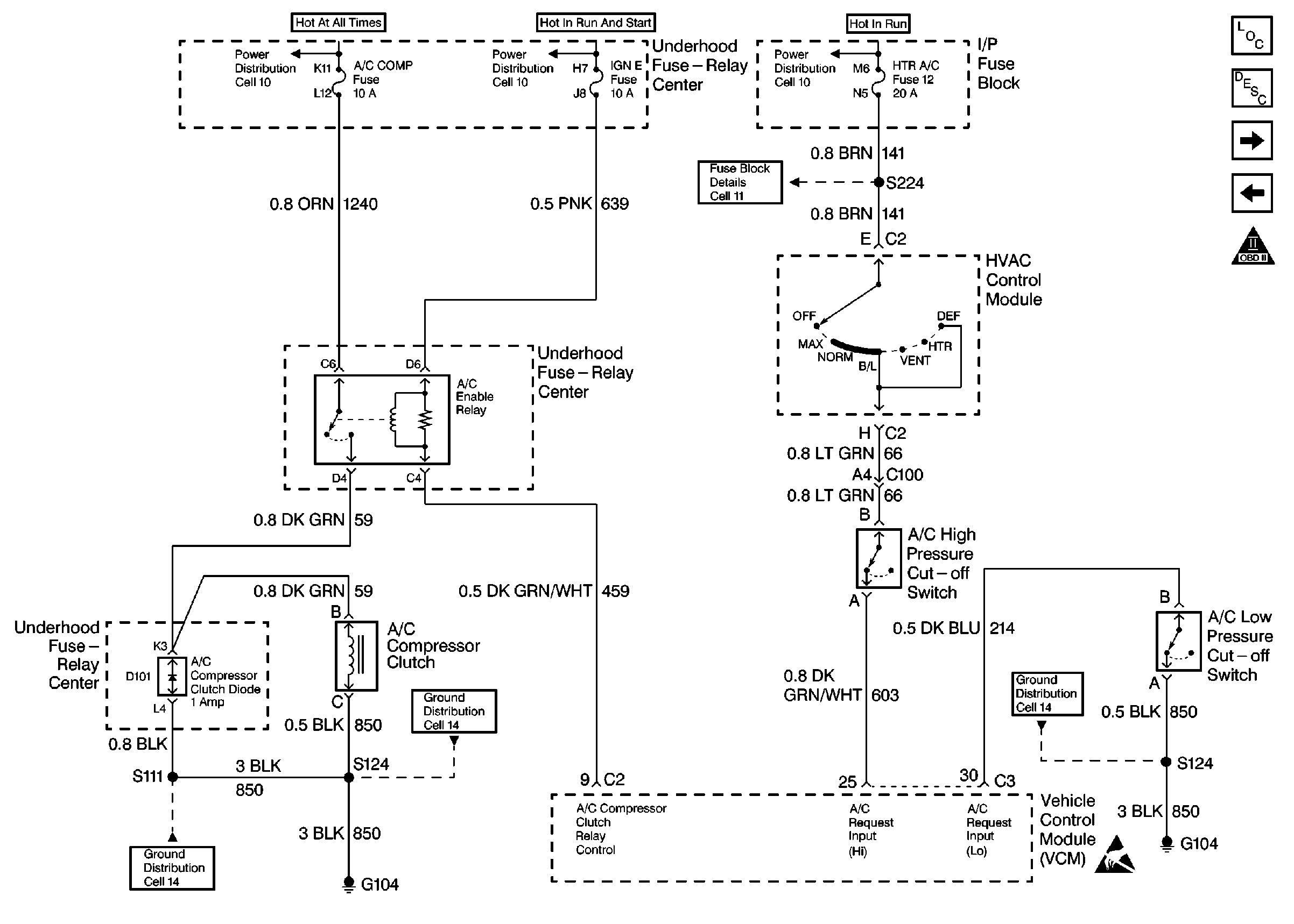
🢒 A/C Compressor Controls
A/C Compressor Controls
A/C Compressor Controls
Engine Controls Components
Fuel Controls
Transmission Switch Input Controls
OBD II ICON