GM Service Manual Online
For 1990-2009 cars only
Makes
🢒
Chevrolet
🢒
1997
🢒
Astro - 2WD
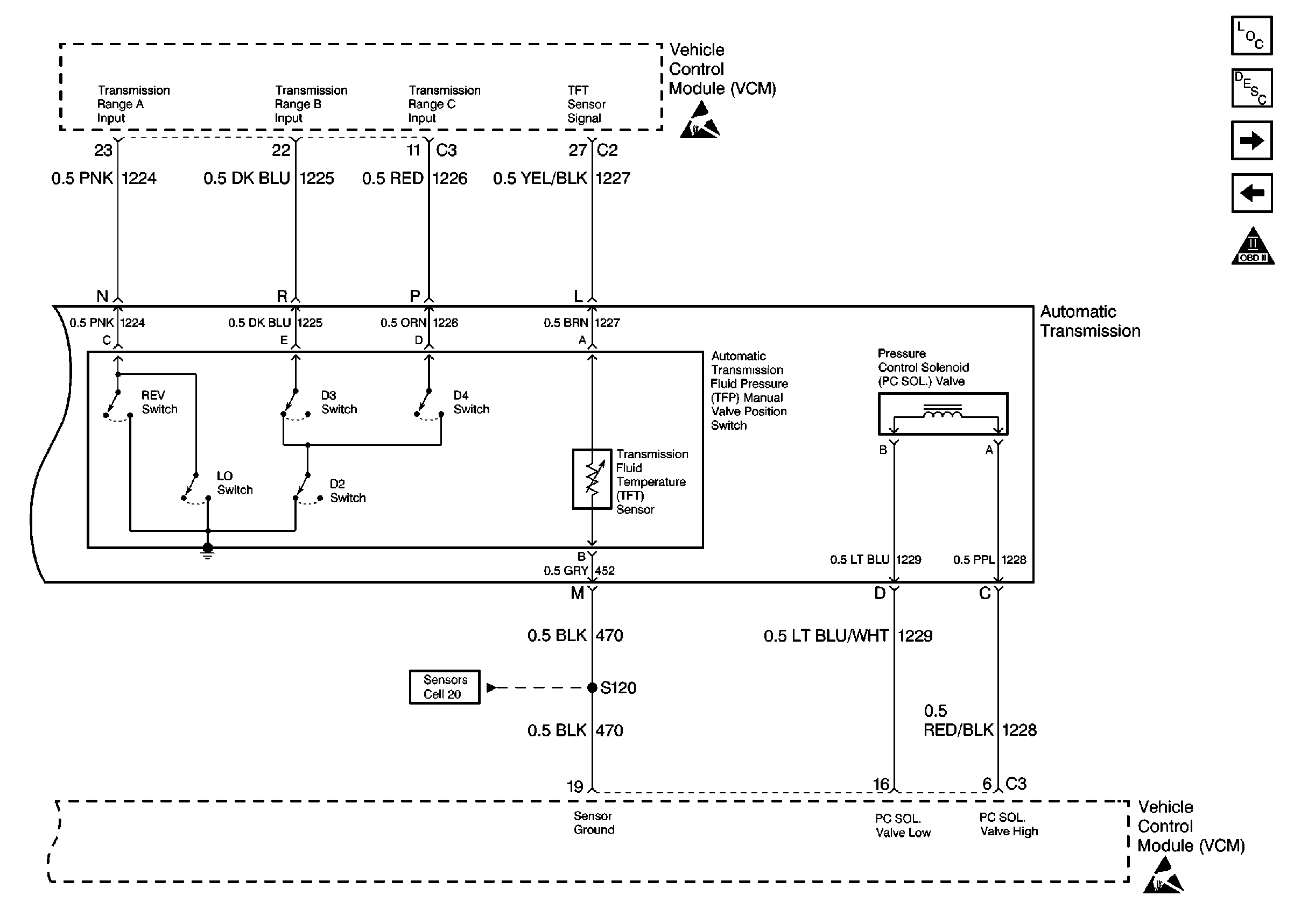
🢒 Transmission Switch Input Controls
Transmission Switch Input Controls
Transmission Switch Input Controls
Engine Controls Components
A/C Compressor Controls
Transmission Shift Controls
OBD II ICON
Fuel Mixture Input Controls