GM Service Manual Online
For 1990-2009 cars only
Makes
🢒
Chevrolet
🢒
1998
🢒
Astro - 2WD
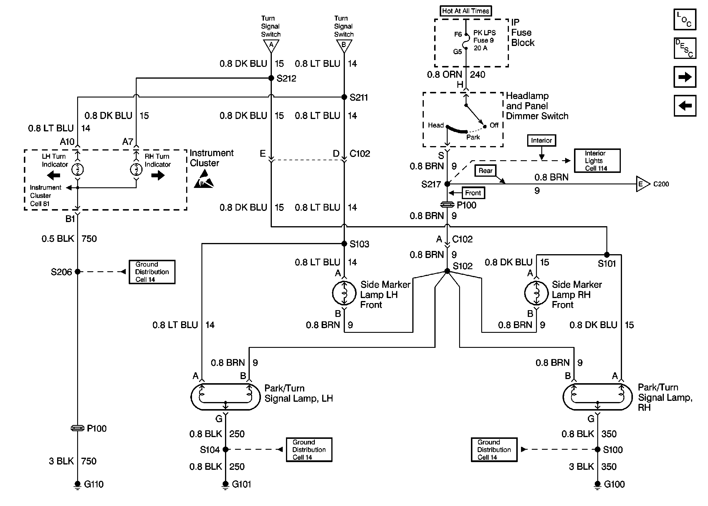
🢒 Turn Indicators, Front Marker Lamps, and Front Park/Turn Signal Lamps
Turn Indicators, Front Marker Lamps, and Front Park/Turn Signal Lamps
Turn Indicators, Front Marker Lamps, and Front Park/Turn Signal Lamps
Lighting Systems Components
Exterior Lights Circuit Description Non VE1
CHMSL, License, Rear Marker, Tail/Stop, and Turn Signal Lamps
Turn/Hazard Switch Controls
Cell 114 (IP Fuse Block, Headlamp and Panel Dimmer Switch, RH Power Door Lock Switch, Rear Radio Control Module, Outside Rearview Mirror Control Switch)
Handling ESD Sensitive Parts Notice
Cell 14 (G110)
Cell 14 (G108, G106, G101)
Cell 14 (G102, G103, G100)
CHMSL, License, Rear Marker, Tail/Stop, and Turn Signal Lamps
Turn/Hazard Switch Controls
Turn/Hazard Switch Controls