GM Service Manual Online
For 1990-2009 cars only
Makes
🢒
Chevrolet
🢒
1998
🢒
Astro - 2WD
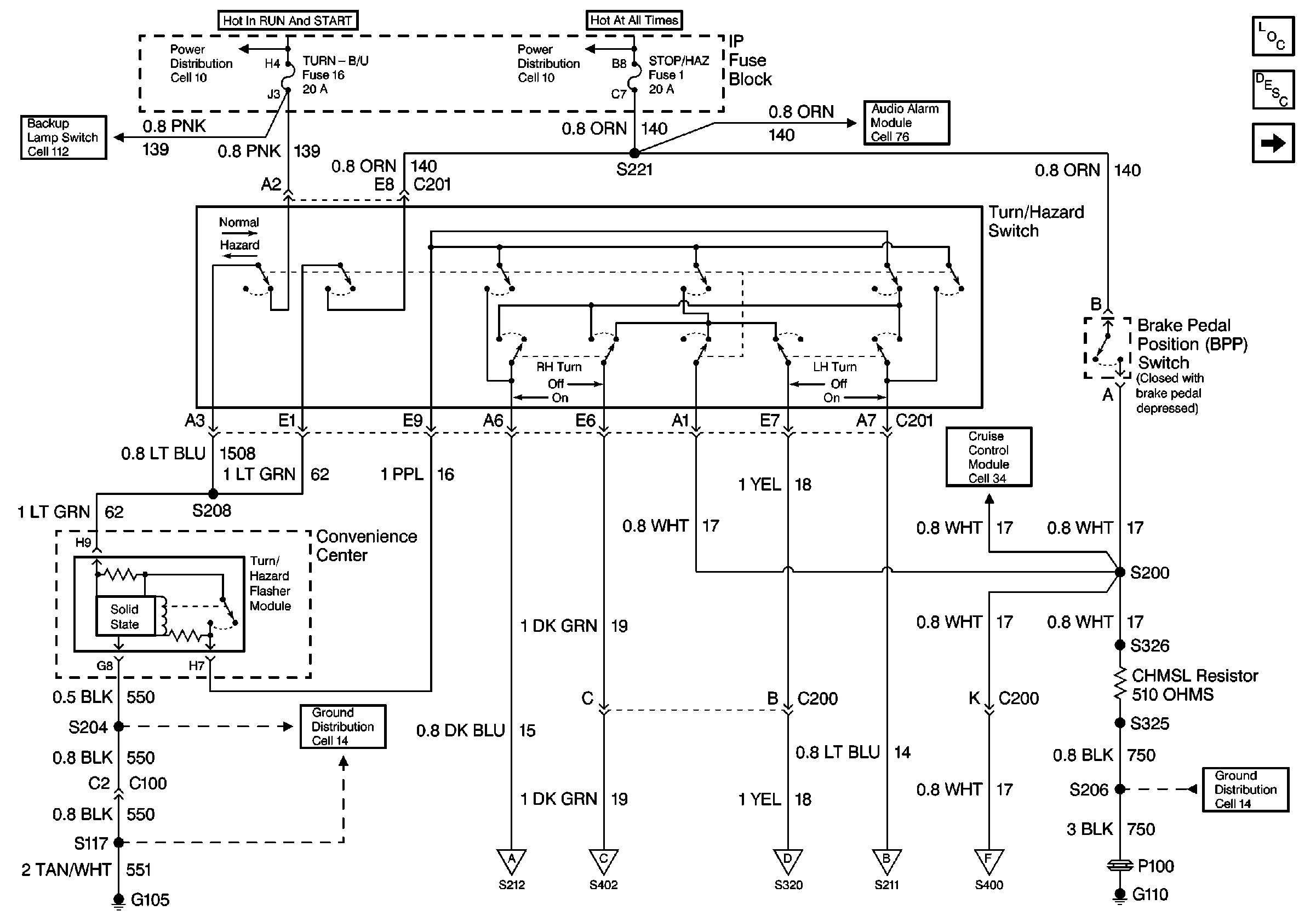
🢒 Turn/Hazard Switch Controls
Turn/Hazard Switch Controls
Turn/Hazard Switch Controls
Lighting Systems Components
Exterior Lights Circuit Description Non VE1
Turn Indicators, Front Marker Lamps, and Front Park/Turn Signal Lamps
Cell 112 Backup Lights
Cell 14 (G107, G105)
Cell 14 (G110)
TURN-B/U, TRANS Fuses, and WINDOWS Circuit Breaker
B+ Bus
Cell 76 Audible Warnings
Cell 34 Cruise Control
Turn Indicators, Front Marker Lamps, and Front Park/Turn Signal Lamps
Trailer Wiring
CHMSL, License, Rear Marker, Tail/Stop, and Turn Signal Lamps
Turn Indicators, Front Marker Lamps, and Front Park/Turn Signal Lamps
CHMSL, License, Rear Marker, Tail/Stop, and Turn Signal Lamps
Turn Indicators, Front Marker Lamps, and Front Park/Turn Signal Lamps
Turn Indicators, Front Marker Lamps, and Front Park/Turn Signal Lamps